반응형


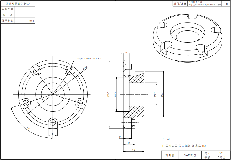
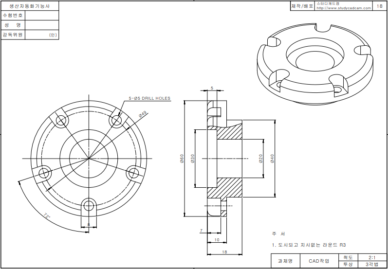
이 모델링을 응용해서 2020년 1회 생산자동화기능사 시험에 출제되었다.
설치 후에 디자인 트리에 '정면, 우측면, 윗면'이 영어로 되어 있으면 수정을 할 수 있다.









뒷면 돌출된 부분을 작업한다.
지금 보이는 스케치는 계속 '보이기'를 유지한다.





중심선 끝에 점을 찍는다.


원형패턴으로 복사를 할때 아래와 같이 해본다.
패턴 복사할 곳(피처, 면)을 선택하고

위의 그림에서 '컷-돌출1'을 다시 선택해보면
파란색으로 된 부분처럼 모두 선택이 잘 되어 있다 ^^

방향이 될 곳(면, 선)을 선택해준다.
방향이 되는 면을 클릭하면 아래처럼 보인다.




비슷한 도면/모델링
https://okcoding.tistory.com/405
생산자동화기능사 CAD작업(39번) 모델링
정면에서 회전체의 단면 모습을 스케치 한다. 스케치를 회전 보스 작업을 해준다. 오른쪽 면으로 가서 중심선을 긋고 아래쪽에 원을 그린다. 스케치된 원을 돌출 컷 - 관통 해준다. 다음은 '돌출
okcoding.tistory.com
'솔리드웍스 > 실습(생자기능사CAD_45문제)' 카테고리의 다른 글
| 생산자동화기능사 CAD작업(16번) 모델링 (0) | 2020.05.11 |
|---|---|
| 생산자동화기능사 CAD작업(17번) 모델링 (0) | 2020.05.11 |
| 생산자동화기능사 CAD작업(19번) 모델링 (0) | 2020.05.11 |
| 생산자동화기능사 CAD작업(20번) 모델링 (0) | 2020.05.11 |
| 생산자동화기능사 CAD작업(21번) 모델링 (0) | 2020.05.11 |