반응형


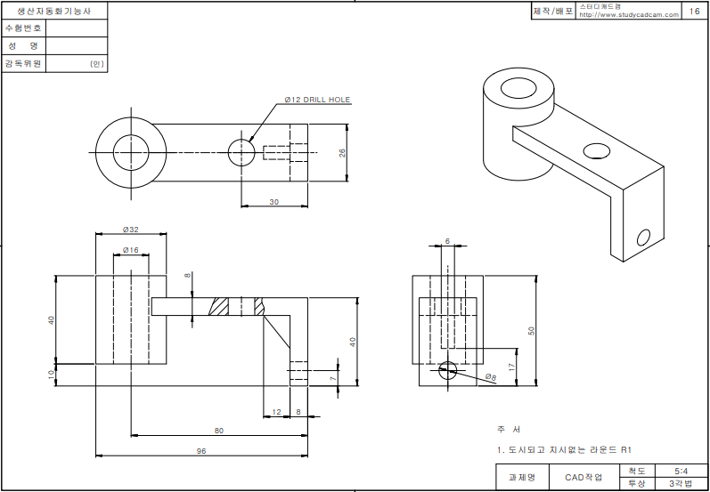
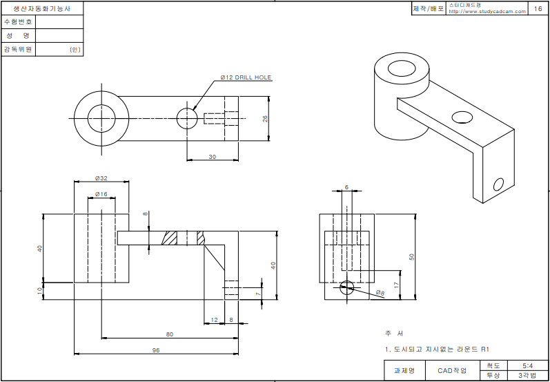
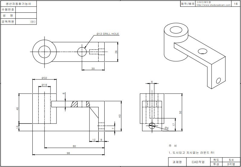
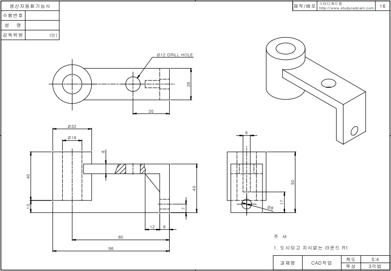
윗면을 데이텀 기준면으로 잡고
아래와 같이 스케치 작업을 한다.
스케치를 기준으로 왼쪽의 원통형상과 오른쪽의 사각형 형체를 돌출시킨다.
스케치를 기준으로 양쪽평면으로 돌출되게 작업한다.













완성된 모델링
'솔리드웍스 > 실습(생자기능사CAD_45문제)' 카테고리의 다른 글
| 생산자동화기능사 CAD작업(14번) 모델링 (0) | 2020.06.02 |
|---|---|
| 생산자동화기능사 CAD작업(15번) 모델링 (0) | 2020.05.11 |
| 생산자동화기능사 CAD작업(17번) 모델링 (0) | 2020.05.11 |
| 생산자동화기능사 CAD작업(18번) 모델링 (0) | 2020.05.11 |
| 생산자동화기능사 CAD작업(19번) 모델링 (0) | 2020.05.11 |