반응형












디자인트리의 '정면'을 '보이기' 하고
정면을 대칭기준으로 해서 대칭 복사를 한다.





그런데 구멍가공마법사로 구멍을 뚫을려고 하는데 잘 되지 않는다.
점 찍은 곳을 보니 모델링 안쪽에 점이 찍여 있다 ㅠㅠ
외벽쪽에 점을 찍어야 구멍을 뚫을 수 있다.
점을 다시 찍어본다.
옆면을 클릭해서 스케치로 들어가서 점을 찍어야 한다.


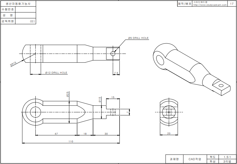
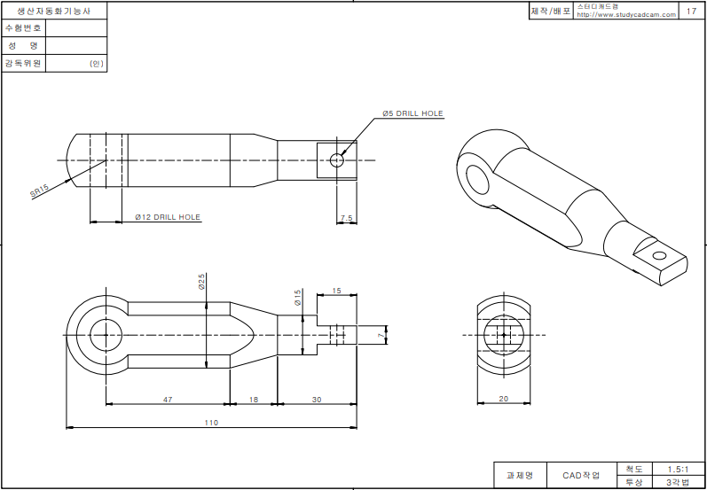
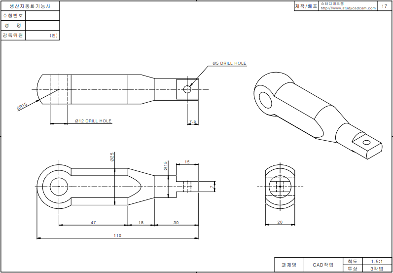
완성된 모델링

'솔리드웍스 > 실습(생자기능사CAD_45문제)' 카테고리의 다른 글
| 생산자동화기능사 CAD작업(15번) 모델링 (0) | 2020.05.11 |
|---|---|
| 생산자동화기능사 CAD작업(16번) 모델링 (0) | 2020.05.11 |
| 생산자동화기능사 CAD작업(18번) 모델링 (0) | 2020.05.11 |
| 생산자동화기능사 CAD작업(19번) 모델링 (0) | 2020.05.11 |
| 생산자동화기능사 CAD작업(20번) 모델링 (0) | 2020.05.11 |