반응형


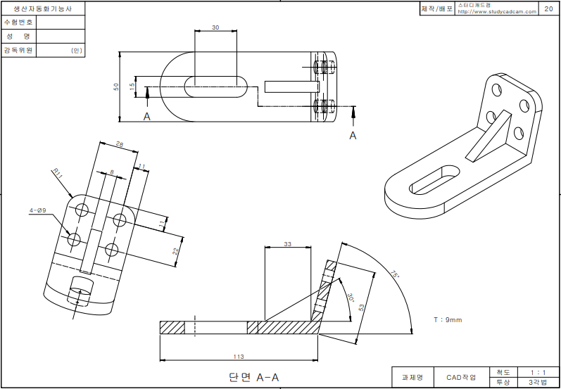
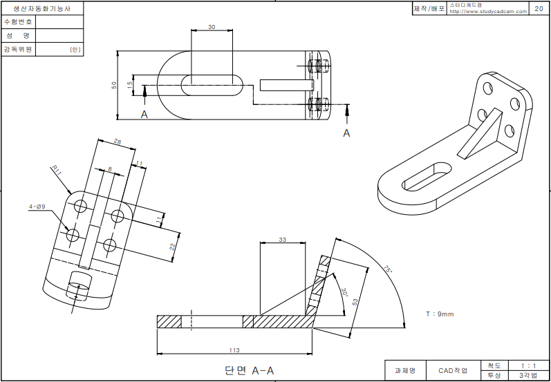
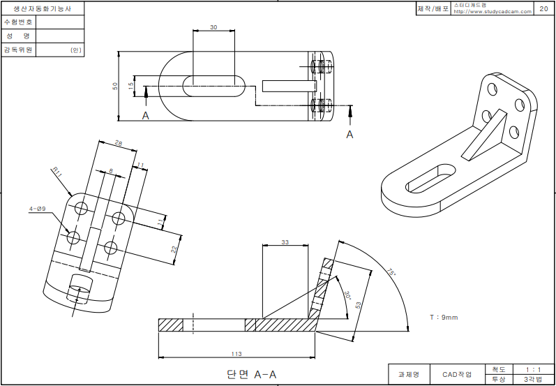
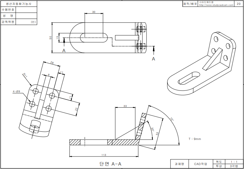
'정면'에서 아래와 같이 스케치한다.








등각도는 아래와는 다른 방향으로 보일것이다.
마우스로 아래의 모양으로 돌려놓으면 된다.
완성된 모델링

솔리드웍스 모델링 파일
'솔리드웍스 > 실습(생자기능사CAD_45문제)' 카테고리의 다른 글
| 생산자동화기능사 CAD작업(18번) 모델링 (0) | 2020.05.11 |
|---|---|
| 생산자동화기능사 CAD작업(19번) 모델링 (0) | 2020.05.11 |
| 생산자동화기능사 CAD작업(21번) 모델링 (0) | 2020.05.11 |
| 생산자동화기능사 CAD작업(22번) 모델링 (0) | 2020.05.11 |
| 생산자동화기능사 CAD작업(23번) 모델링 (0) | 2020.05.11 |