반응형


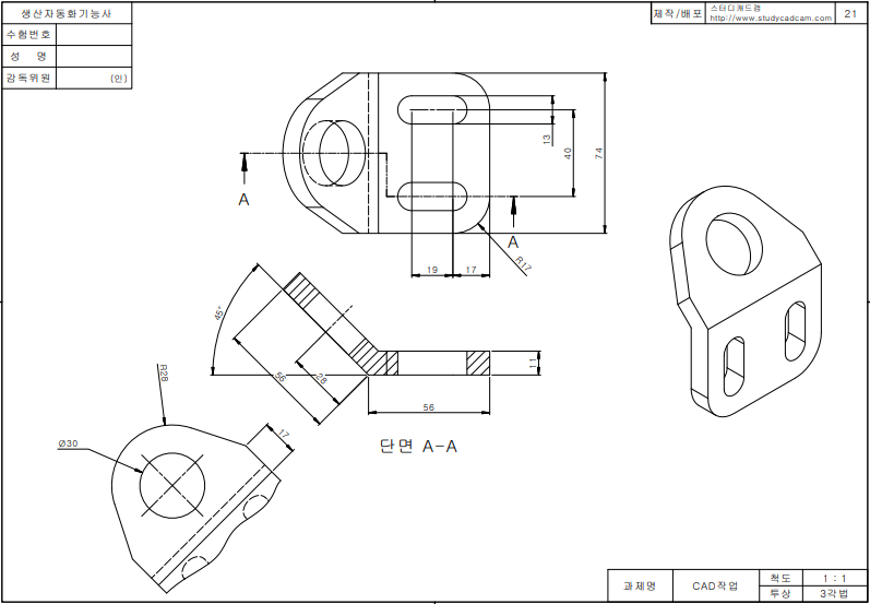
정면에서 아래와 같이 스케치한다.

스케치 종료 후 돌출보스를 74만큼 준다.

오른쪽 형상 위에서 아래와 같이 스케치 작업을 한다.

스케치 종료 후 돌출컷을 해준다.
다음으로 모서리에 필렛17을 적용한다.

그리고 왼쪽 세워진 형상을 작업한다.
필렛 28을 주었을때 원하는 모양이 나오지 않는다.

기존의 형상 위에서 새로 스케치해보자.
원 형상을 스케치 해야 하기 때문에
원의 반지름 값을 이용해서 28만큼 떨어진 수평선을 긋고
수직선도 중앙에 긋는다.

원 형상을 스케치 한다.

왼쪽, 오른쪽에 17만큼 수직선을 긋고
원과 tan 조건으로 붙는 선을 그어준다.
선을 그을때 아래 표시된 구속조건 아이콘 모양 2개가 표시되어야 한다.

아래와 같이 가로선을 이어서 전체적으로 폐곡선이 되도록 한다.

왼쪽 위쪽과 오른쪽 위쪽의 필요없는 부분을 삭제해본다.

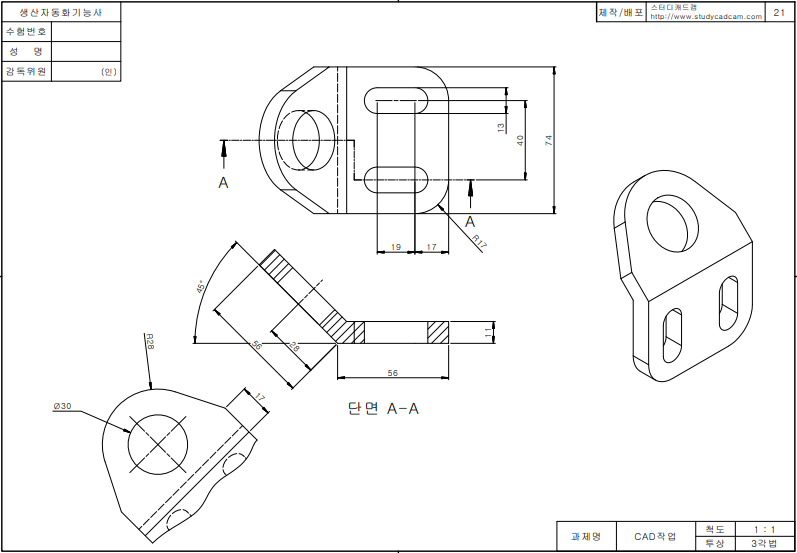
삭제 후의 형상이다.

이전의 원의 형상이 있는 스케치를 보이기하고
가운데 원을 돌출 컷 해준다.
컷 완료 후 스케치는 숨기기 한다.

완성된 모델링이다.

솔리드웍스 모델링 파일
'솔리드웍스 > 실습(생자기능사CAD_45문제)' 카테고리의 다른 글
| 생산자동화기능사 CAD작업(19번) 모델링 (0) | 2020.05.11 |
|---|---|
| 생산자동화기능사 CAD작업(20번) 모델링 (0) | 2020.05.11 |
| 생산자동화기능사 CAD작업(22번) 모델링 (0) | 2020.05.11 |
| 생산자동화기능사 CAD작업(23번) 모델링 (0) | 2020.05.11 |
| 생산자동화기능사 CAD작업(24번) 모델링 (0) | 2020.05.11 |