

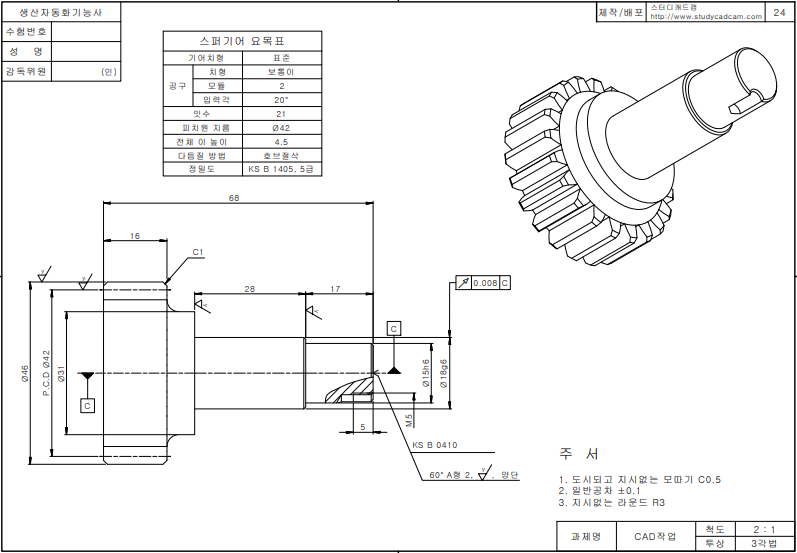
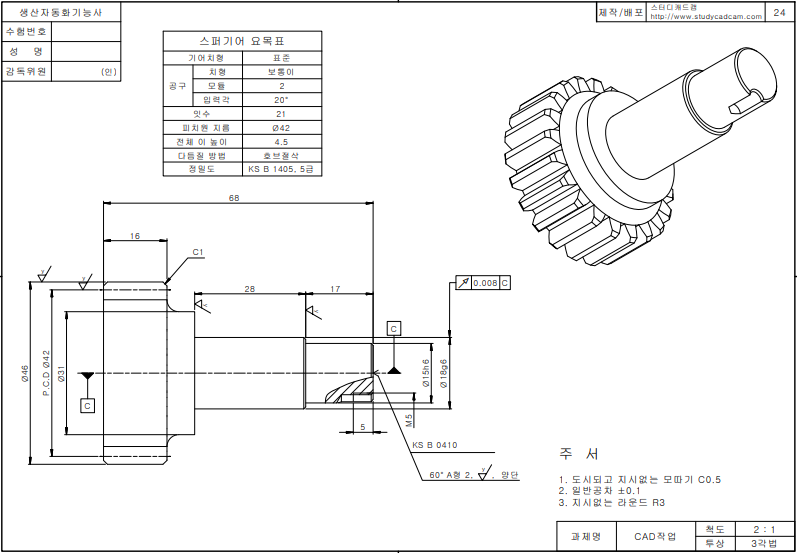
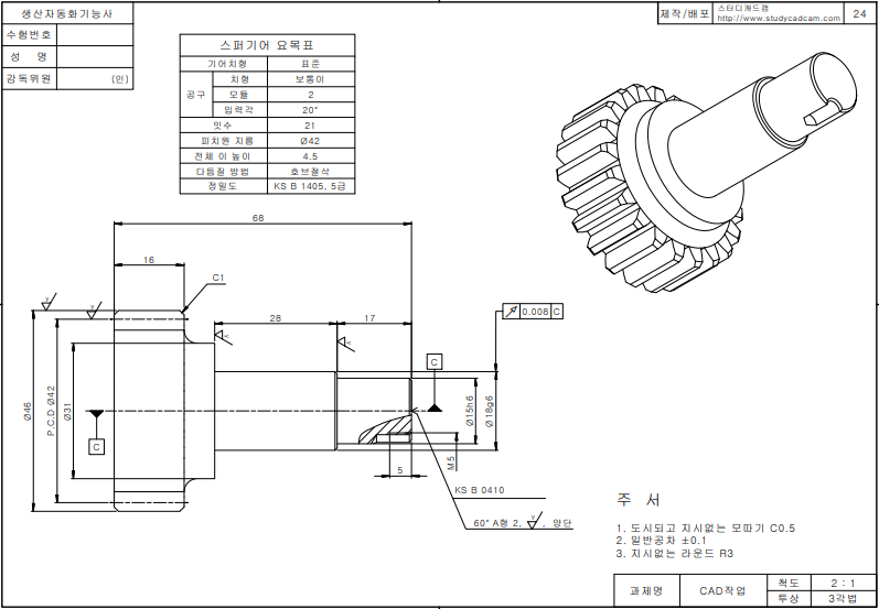
피치원 지름 42, 모듈 2, 잇수 21

이 높이가 4.5이므로 안쪽으로 반지름 2.5가 작은 원(지름 5가 적다)을 그린다.


첫번째와 두번째 선의 간격 : 모듈/4 = 0.5
두번째와 세번째 선의 간격 : 2/모듈 = 1
두번째와 네번째 선의 간격 : 3.14/모듈 = 1.57
피치원 지름은 보조선으로 바꿔준다.
세번째와 네번째가 0.57 이므로 이 작업부터 한다.

3점호로 양끝을 연결한다.

중간점은 호와 점의 일치 구속조건으로 붙인다.
위쪽에 끝부분은 선으로 연결한다.

대칭복사를 하고 나머지 바깥원을 잘라내기 한다.

상단의 양끝점을 선으로 연결시켜 준다.

돌출보스 후(16mm) 모따기(1mm)를 한다.


참고 :
생산자동화 기능사 - 기어가 포함된 축모델링하기 (cad study-솔리드웍스 )
모듈 : 2 , 잇수 18 제일 왼쪽부터 첫번째와 두번째 선의 간격 : 모듈/4 = 0.5 두번째와 세번째 선의 간격 : 2/모듈 = 1 두번째와 네번째 선의 간격 : 1.57 3점호로 양끝을 연결한다. 중간점은 호와 점의 �
okcoding.tistory.com
cafe.naver.com/evolution1th/1008
solidworks 로 스퍼기어 만들기
대한민국 모임의 시작, 네이버 카페
cafe.naver.com
지금까지 모델링한 모습니다.

원형패턴으로 패턴 복사를 한다.
모양이 원형이고 단순하다. 돌출된 전체를 회전시켜보자.
디자인 트리에 있는 '보스-돌출2'를 선택하고 방향은 원을 클릭한다.
각도는 360도 갯수는 21(잇수)로 한다.


우측 면 선택 스케치작업-돌출작업을 한다.
지름 31인 원을 7만큼 돌출시켰다.

같은 방식으로 지름 18인 원을 28만큼 돌출시켰다.

지름 15인 원을 17만큼 돌출시켰다.

'KS B 0410 60도 A형 2' 관련 게시물
카티아(Catia) KS B 0410 60도A형2, 양단 - 스플라인 축
카티아(Catia V5 R20) KS B 0410 - 60도A형2, 양단 스플라인 축 (Spline Shaft) 스플라인 축(Spl...
blog.naver.com
그런데 도면에는 축에대한 구멍이 없어서 그냥 넘어간다.
오른쪽 끝에 키 홈 작업을 한다.
도면해석이 잘 안되어서 아래와 같이 작업을 하였다.


도면이 잘 이해가 안된다.
그냥 드릴로 한번 더 뚫어준다.


모따기를 0.5만큼 준다. 키홈 부분에도 모따기를 한다.

마지막으로 필렛 3을 준다.

완성된 모델링

솔리드웍스 모델링 파일
'솔리드웍스 > 실습(생자기능사CAD_45문제)' 카테고리의 다른 글
| 생산자동화기능사 CAD작업(22번) 모델링 (0) | 2020.05.11 |
|---|---|
| 생산자동화기능사 CAD작업(23번) 모델링 (0) | 2020.05.11 |
| 생산자동화기능사 CAD작업(25번) 모델링 (0) | 2020.05.11 |
| 생산자동화기능사 CAD작업(26번) 모델링 (0) | 2020.05.11 |
| 생산자동화기능사 CAD작업(27번) 모델링 (0) | 2020.05.11 |