

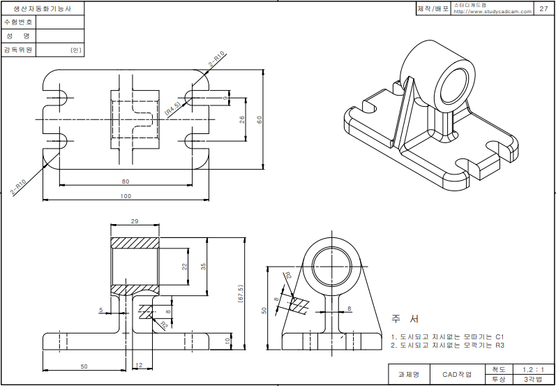
윗면을 초기 데이텀(기준)으로 잡고 아래와 같이 스케치를 한다.
직선 홈을 이용해서 스케치한다.

직선 홈 부분의 선들을 정리해준다.

대칭 복사를 하기 위해 나머지 부분을 삭제해준다.

파란색 선을 고정시킨다.
고정시키다 보면 노란색으로 변하면서
'초과 정의' 오류가 하단에 뜨는데
'초과 정의'를 눌러서 오류해결에 대한 솔리드웍스의 도움을 받으면 된다.
(이 과정은 꼭 안해도 된다)




선이 검은색으로 변했다. 작업시 치수가 변경되지는 않을 것이다.
이 스케치를 요소 대칭복사를 한다.



대칭복사를 했는데 파란색 부분이 남아있다면
중간에 있는 수직, 수평 보조선들이 고정되어 있지 않아서이다.
이 부분도 고정시켜 놓아야 한다.

돌출보스를 10만큼, 방향은 위쪽으로 준다.

'우측면'에서 스케치 작업을 해본다.
'우측면'의 작업면이 작으면 확대를 해준다.


수평선을 바닥에서 50만큼 떨어진 곳에 긋고
중앙에 원 두개를 스케치한다.
중심선에서 4mm 위치에 수직선을 그린다.
수직선을 그릴때 원하고 딱 맞게 그리면 오류가 생긴다.
원들이 고정이 되어 있지 않은 상태에서 직선과 원이 만나게 되면
원이 위로 튀어 오르는 현상이 생길 수 있다.
아래와 같이 작업하고 튀어나온 부분은 잘라내기 한다.

바닥 형상과 원에 tan 구속조건으로 선을 긋는다.

원 안쪽의 선들을 삭제하고 등각 보기를 해보니 부족한 부분이 있다.
폐곡선이 되도록 가로로 선을 그어주어야 한다.

수직면 돌출 작업을 한다.
두께는 8로 하고 방향은 중간평면으로 한다.

중간의 스케치는 계속 보이기를 해준다.
중간에 튀어나오는 부분은 16로 한다.(겹치는부분 4 + 12)

이번에는 위쪽 원통을 돌출시킨다.

전체적인 형상이 잡혀졌다.
보이기를 했던 중간의 스케치는 숨기기를 해주고
원통형상부터 모따기를 하고 나머지 필렛작업을 해준다.

필렛 작업을 해야 하는데 클릭해야 할 곳이 많다.
이럴 때 면을 아래와 같이 클릭하고 작업을 해보자

마우스 우클릭 - 필렛 클릭을 누르고 확인(v)을 누른다.

그러면 오류화면이 뜬다.
FeatureXpert(F) 버튼을 과감하게 눌러준다.

FeatureXpert가 오류를 간략해제를 하고 마무리 한다는 멘트가 뜬다.

아래와 같이 필렛이 적용된 모습이 된다.

나머지 부분도 필렛 작업을 한다.

도면과는 아래부분이 살~짝 다르다.

솔리드웍스 작업 파일
'솔리드웍스 > 실습(생자기능사CAD_45문제)' 카테고리의 다른 글
| 생산자동화기능사 CAD작업(25번) 모델링 (0) | 2020.05.11 |
|---|---|
| 생산자동화기능사 CAD작업(26번) 모델링 (0) | 2020.05.11 |
| 생산자동화기능사 CAD작업(28번) 모델링 (0) | 2020.05.11 |
| 생산자동화기능사 CAD작업(29번) 모델링 (0) | 2020.05.11 |
| 생산자동화기능사 CAD작업(30번) 모델링 (0) | 2020.05.11 |