반응형


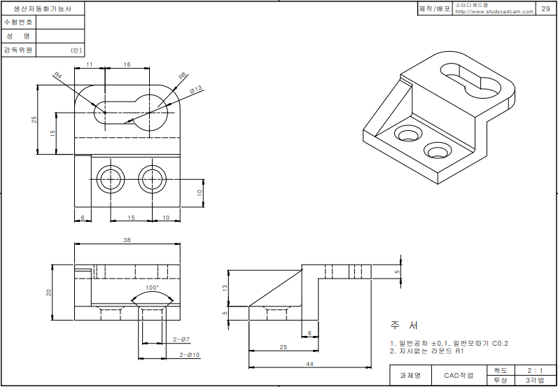
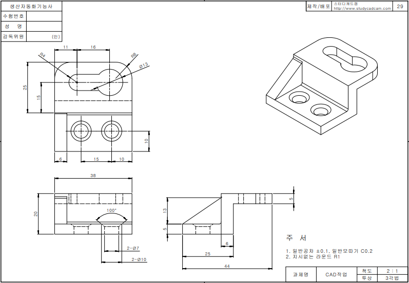
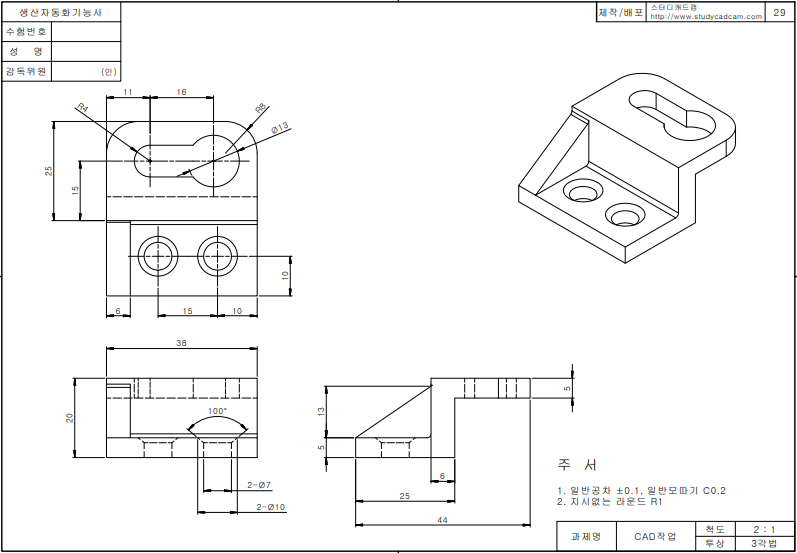
윗면을 데이텀 기준면으로 잡고 스케치한다.
위와 같은 형상은 아래쪽 형상, 연결하는 수직 형상, 윗쪽 형상을 단계별로 하는게 편할 것 같다.
아래쪽은 사각 형상을 만든 후 카운터 싱킹할 위치를 잡는다.

카운터 싱킹 작업을 할 점을 찍어 놓는다.
점은 보조선을 짤라내기 한 후에 찍는다.

스케치 작업이 끝나면 돌출보스를 5만큼 준다.

수직 형상 작업을 하기 위해
반대쪽 면을 잡고 스케치를 한다.

아래와 같이 수직형상이 될 사각형을 스케치한다.

스케치 작업 종료 후 돌출보스를 6만큼 준다.

수직형상이 완료되면 윗면 형상 작업을 한다.
수직형상의 윗면을 잡고 사각형 형상을 그린다.

중앙에 보조선을 위치시키고 직선홈으로 아래와 같이 배치한다.
다른 방법도 있겠지만 직선홈으로 하는게 편할 듯 하다.

직선홈 오른쪽에 지름 13인 원을 그린 후 필요없는 선은 잘라내기 한다.
후에 스케치 필렛(R8) 작업을 해준다.

현재까지 완성한 모델링이다.

보강대 작업을 한다.
형체의 왼쪽으로 와서 아래와 같이 삼각형을 그려준다.
1~3번 순서대로 그려준다.

보강대 스케치를 6만큼 돌출 시켜준다.

아래면에 구멍가공마법사로 카운터 싱크 작업을 해보자.


마지막으로 필렛 1을 준다

완성된 모델링

솔리드웍스 작업파일
'솔리드웍스 > 실습(생자기능사CAD_45문제)' 카테고리의 다른 글
| 생산자동화기능사 CAD작업(27번) 모델링 (0) | 2020.05.11 |
|---|---|
| 생산자동화기능사 CAD작업(28번) 모델링 (0) | 2020.05.11 |
| 생산자동화기능사 CAD작업(30번) 모델링 (0) | 2020.05.11 |
| 생산자동화기능사 CAD작업(31번) 모델링 (0) | 2020.05.11 |
| 생산자동화기능사 CAD작업(32번) 모델링 (0) | 2020.05.11 |