반응형

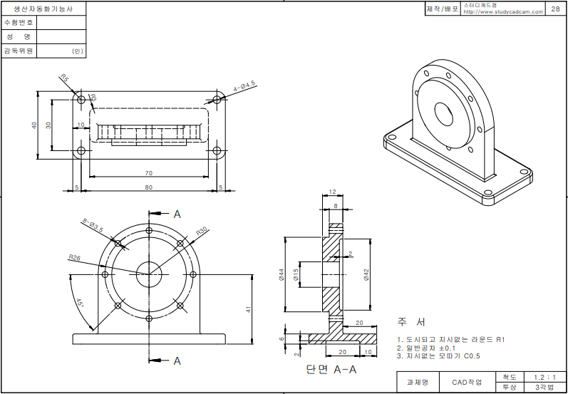
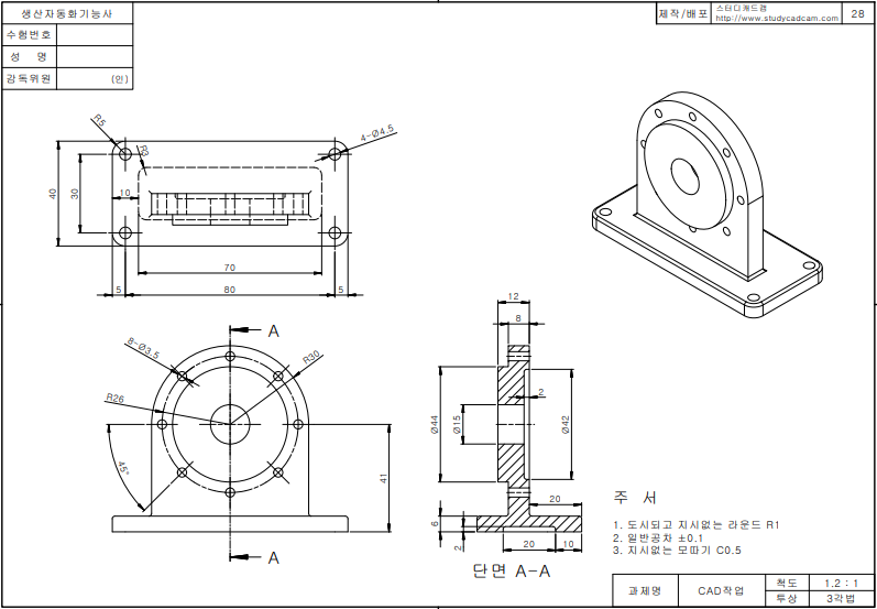
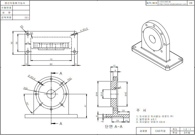
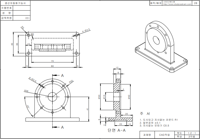
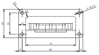
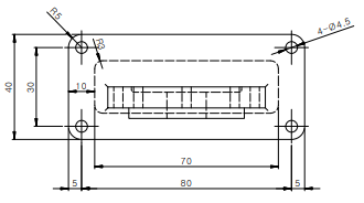
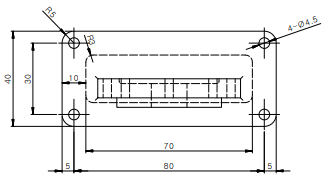
이 모델링은 2020년 1회 생산자동화기능사 시험에 출제되었다.
평면도 부분은 문제에서 빠졌다.
정면도와 우측면도 등각투상도만 문제로 주어졌다.

시간이 없는 관계로 이 후에 작업해본다.
'솔리드웍스 > 실습(생자기능사CAD_45문제)' 카테고리의 다른 글
| 생산자동화기능사 CAD작업(26번) 모델링 (0) | 2020.05.11 |
|---|---|
| 생산자동화기능사 CAD작업(27번) 모델링 (0) | 2020.05.11 |
| 생산자동화기능사 CAD작업(29번) 모델링 (0) | 2020.05.11 |
| 생산자동화기능사 CAD작업(30번) 모델링 (0) | 2020.05.11 |
| 생산자동화기능사 CAD작업(31번) 모델링 (0) | 2020.05.11 |