

우측면도에서 아래와 같이 스케치 작업을 한다.
대칭복사를 하여 위아래 동일한 모양을 만든다.

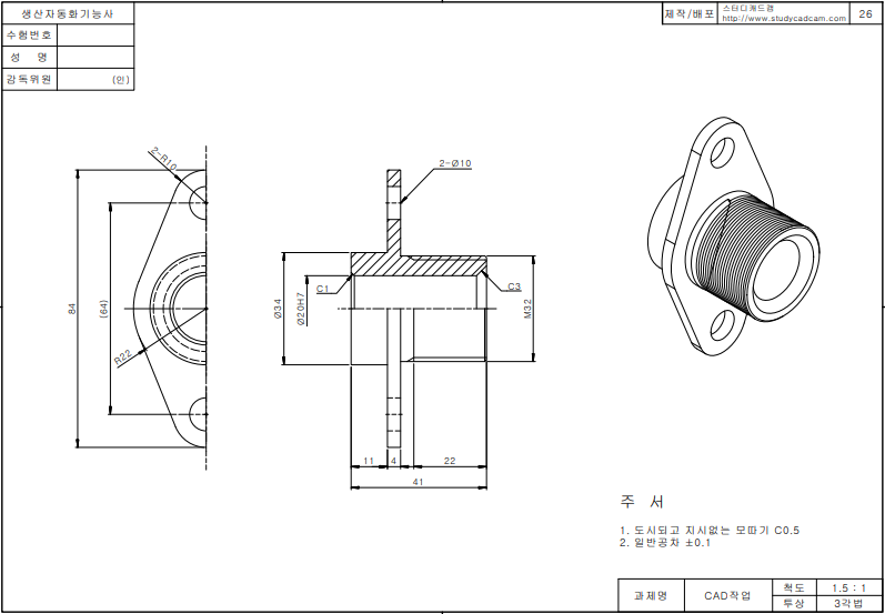
돌출보스 4mm를 준다.

중간에서 왼쪽으로 지름 34인 원을 스케치하고 돌출,
중간에서 오른쪽으로 지름 32인 원을 스케치하고 돌출하였다.

지름 20인 원을 스케치하고 좌우 전체를 관통시킨다.

모따기를 왼쪽은 C1로 오른쪽은 C3으로 한다.

스윕컷을 하기 위해 나사를 만들어준다.
우측면의 원을 클릭 스케치로 들어간다.

요소변환을 눌러주면 검은색 원이 같은 자리에 생긴다.
원이 굵게 보인다.

요소변환 적용 전

요소변환 적용 후
스케치 종료 후 피처 - 곡선 - 나선형 곡선을 클릭하면 아래의 형상이 나온다.

피치를 1mm, 반대방향으로 회전을 22회, 시작각도 180도로 한다.

위의 작업이 끝나면 나사선을 파낼수 있는 경로설정이 되었다.
그 다음은 실제 파내는 면적을 나타내는 '프로파일'(원)을 스케치해야 한다.
이 프로파일(원)이 경로를 직각으로 움직이기 때문에
경로의 끝에 기준면을 직각으로 세워 프로파일 작업을 한다.
'참조형상-기준면' 클릭 - 나선 클릭(스윕곡선) - 나선의 끝점 클릭을 하면 기준면이 생성된다.

기준면에서 스케치로 들어가 (확대를 하고) 선의 끝점 근처에 원을 그린다.

그리고 원의 줌심과 경로선(끝점 아님)을 클릭하고 '관통' 구속조건을 부가한다.


끝선과 원 중심이 일치

원의 직경은 피치가 1이므로 0.99로 입력한다.
스케치 종료 후 피처 - 스윕-컷을 아래와 같이 적용시킨다.


파란 나사선이 보기 싫으면 디자인 트리에서 숨기기를 해준다.

완성 모델링

솔리드웍스 작업파일
'솔리드웍스 > 실습(생자기능사CAD_45문제)' 카테고리의 다른 글
| 생산자동화기능사 CAD작업(24번) 모델링 (0) | 2020.05.11 |
|---|---|
| 생산자동화기능사 CAD작업(25번) 모델링 (0) | 2020.05.11 |
| 생산자동화기능사 CAD작업(27번) 모델링 (0) | 2020.05.11 |
| 생산자동화기능사 CAD작업(28번) 모델링 (0) | 2020.05.11 |
| 생산자동화기능사 CAD작업(29번) 모델링 (0) | 2020.05.11 |