반응형


다른 방법으로 모델링 하는 방법은 아래를 참고한다.
https://okcoding.tistory.com/449
생산자동화기능사 CAD작업(18번) 모델링
이 모델링을 응용해서 2020년 1회 생산자동화기능사 시험에 출제되었다. 설치 후에 디자인 트리에 '정면, 우측면, 윗면'이 영어로 되어 있으면 수정을 할 수 있다. 뒷면 돌출된 부분을 작업한다. ��
okcoding.tistory.com
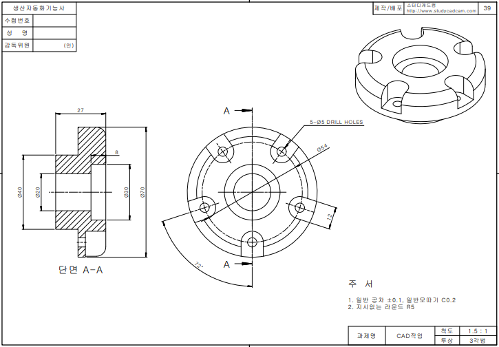
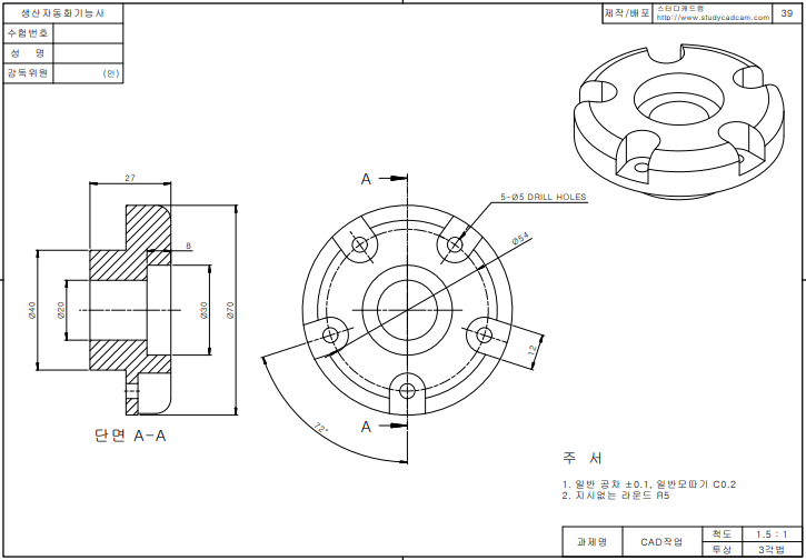
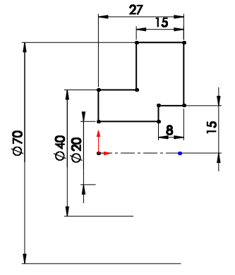
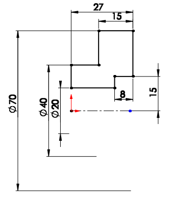
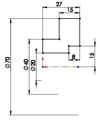
정면에서 회전체의 단면 모습을 스케치 한다.
치수가 없는 부분은 임의대로 넣었다.

스케치를 회전 보스 작업을 해준다.

오른쪽 면으로 가서 중심선을 긋고 아래쪽에 원을 그린다.

스케치된 원을 돌출 컷 - 관통 해준다.

다음은 '돌출 컷-블라인드' 작업을 할 스케치를 한다.
치수 오류 지름12로 해야 함

스케치 종료 후 '돌출 컷-블라인드' 작업을 한다.

원형 패턴 작업시 패턴 할 요소선택을 잘 해야 한다.
구멍이 뚫린 면과 돌출컷-블라인드로 파인 부분 모두를 잡고
회전의 방향 선택시 중심에 있는 원의 면을 선택해 준다.
갯수는 5개 각도는 360도로 한다.

마지막으로 필렛을 5로 해준다.

'솔리드웍스 > 실습(생자기능사CAD_45문제)' 카테고리의 다른 글
| 생산자동화기능사 CAD작업(37번) 모델링 (0) | 2020.05.11 |
|---|---|
| 생산자동화기능사 CAD작업(38번) 모델링 (0) | 2020.05.11 |
| 생산자동화기능사 CAD작업(40번) 모델링 (0) | 2020.05.10 |
| 생산자동화기능사 CAD작업(41번) 모델링 (0) | 2020.05.09 |
| 생산자동화기능사 CAD작업(42번) 모델링 (0) | 2020.05.07 |