

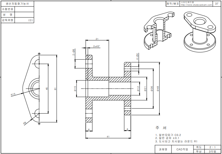
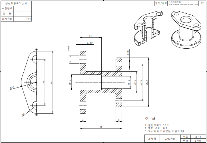
모델링의 시작점을 중앙을 기준으로 보았다.
좌 우의 관통홀 직경이 다른 형상이다.
그래서 중간 지점에서 모델링을 시작한다.

시작위치를 윗면으로 하고 아래와 같이 스케치한다.
아래쪽은 원형 형상으로 하고
위쪽 형상은 도면의 좌측 뷰에 나온 형상으로 잡는다.

스케치 종료 후 위쪽 방향으로 돌출작업을 한다.
길이는 21만큼 한다.

아래쪽 돌출보스 작업을 한다.
이전에 작업한 스케치가 보이지 않으면 스케치 보이기를 해준다.

아래쪽으로 21만큼 돌출시켜준다.
돌출되는 원의 경계를 잘 봐야 한다.

작업하기가 쉬운 아래쪽 원부터 작업해본다.
모델링을 도면과 비슷하게 놓아본다.
'도면유형'을 '은선표시'로 잠깐 해 보았다.

오른쪽의 원 형상이 될 부분을 클릭해서 아래와 같이 스케치한다.
보조선 부분에는 구멍 4개가 위치하게 된다.

스케치 종료를 하지 않은 상태에서
돌출을 위한 중심원 작업을 한다.
바깥쪽 원을 클릭하고 요소변환을 눌러 원을 복사(?)한다.

스케치 종료 후 돌출보스를 6만큼 해준다.
아래의 그림을 보면 돌출되는 부분은
방금 전 클릭한 원 안쪽을 제외한 부분이다.

다시 아래면을 클릭-스케치를 한다.
중심선을 긋고 구멍을 뚫을 원을 그린다.
스케치 종료 후 구멍을 뚫는다.


돌출컷 된 홀을 원형패턴 작업을 해본다.
돌출컷 될 부분을 아래와 같이 선택을 하고
원형 패턴을 누르면 작업이 용이하다.



작업 완료 후에 스케치는 숨기기 해준다.

현재까지 작업한 모형이다.
이제는 왼쪽 형상을 작업한다.

왼쪽 면으로 가서 형상의 외곽선을 스케치한다.
먼저 위쪽 원형형상의 외곽선을 작업한다.
중심선을 긋고 지름이 16인 원을 그린다.

원의 끝과 중심과의 거리는 '61/2 - 8'mm로 잡는다.
결과는 '45/2'와 같다.
그려진 원을 대칭 복사를 한다.
그리고 중심에 지름 30인 원을 그린다.


이제 스케치의 외형작업을 한다.
** 방향이 비틀어져 있으면 Ctrl + 5번을 눌러 작업을 한다.
외곽선을 그리고 원과 tan 구속조건으로 붙여 준다.

선 제거 후의 모습이다.
스케치를 돌출하기 전에 중간의 원부분을 제외해야 한다.
중간의 돌출안되는 부분을 클릭해서 요소변환을 해준다.


스케치 종료 후 돌출을 6mm만큼 해준다.

Ctrl+5번을 눌러 작업할 면을 바로 놓고
면을 클릭하고 스케치 편집으로 들어간다.
중심선이 보이지 않으면 디자인 트리에 중심선이 있는 스케치를 보이기 한다.

상 하로 원을 두개 그리고 돌출 컷을 해준다.

작업완료 후 스케치는 숨기기하고 모따기를 2만큼 해준다.

바닥 원 모양에 필렛1을 주고 모델링을 완성한다.

'솔리드웍스 > 실습(생자기능사CAD_45문제)' 카테고리의 다른 글
| 생산자동화기능사 CAD작업(35번) 모델링 (0) | 2020.05.11 |
|---|---|
| 생산자동화기능사 CAD작업(36번) 모델링 (0) | 2020.05.11 |
| 생산자동화기능사 CAD작업(38번) 모델링 (0) | 2020.05.11 |
| 생산자동화기능사 CAD작업(39번) 모델링 (0) | 2020.05.10 |
| 생산자동화기능사 CAD작업(40번) 모델링 (0) | 2020.05.10 |