반응형


작업의 시작면을 정면으로 해서 스케치를 시작한다.

사각형을 두 개 그려서 붙여서 아래 모양을 만든다.
그냥 선으로 만들어도 된다.

스케치 종료 후 돌출보스를 해준다.

돌출 후 형상의 윗면으로 가서 스케치를 한다.
관통될 구멍 형상을 위해 가로로 보조선을 긋고 28 정도 떨어진 위치에
두 개의 원을 그린다.
안쪽원은 관통을 시킬 것이고 바깥쪽 원은 돌출 컷을 한다.

안쪽 원을 선택하고 관통을 시켰다.

작업이 종료되면 스케치가 사라진다.
디자인 트리에서 스케치를 찾아 보이기를 해준다.

돌출 컷을 10만큼 준다.
아래 그림은 선택이 잘 못되어져 있다. 바깥쪽원을 선택하고 돌출 컷을 해야 한다.

돌출 컷을 한 후에 '은선보기'를 해본다.

이번에는 반대쪽으로 돌출 컷을 하기 위해 형상의 아래쪽에서 스케치 작업을 한다.
윗면과 똑같은 크기(지름 35)의 원을 그린다.

돌출 컷을 10만큼 해준다.

위 아래에서 돌출 컷을 해준 후 은선보기를 해보았다.

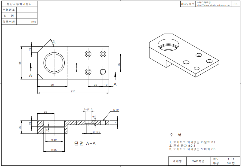
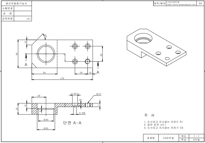
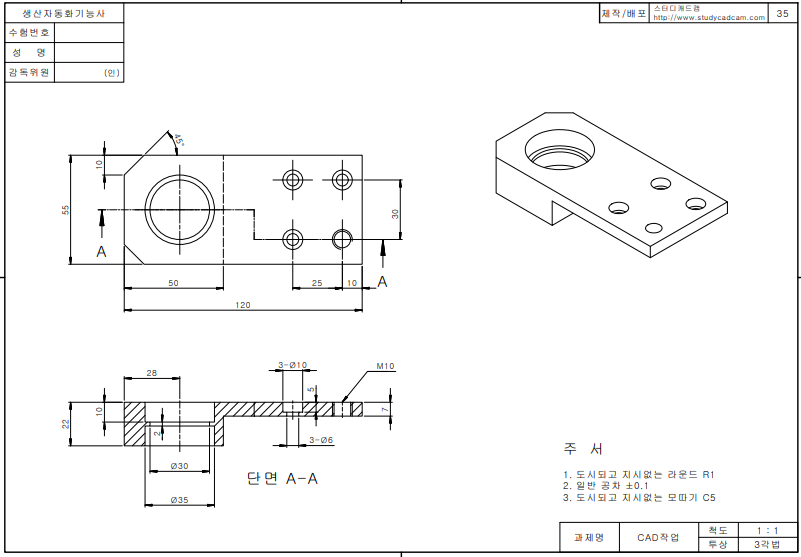
현재까지 작업한 형상이다.

윗면에서 탭구멍(M10) 1개, 카운터 보어 홀을 3개 작업한다.

전체적인 형상이 완료되면 필렛, 모깍기 등의 작업을 한다.
아래는 모깍기 10을 주고 모델링을 완성한다.

완성된 모델링

솔리드웍스 작업파일
'솔리드웍스 > 실습(생자기능사CAD_45문제)' 카테고리의 다른 글
| 생산자동화기능사 CAD작업(33번) 모델링 (0) | 2020.05.11 |
|---|---|
| 생산자동화기능사 CAD작업(34번) 모델링 (0) | 2020.05.11 |
| 생산자동화기능사 CAD작업(36번) 모델링 (0) | 2020.05.11 |
| 생산자동화기능사 CAD작업(37번) 모델링 (0) | 2020.05.11 |
| 생산자동화기능사 CAD작업(38번) 모델링 (0) | 2020.05.11 |