

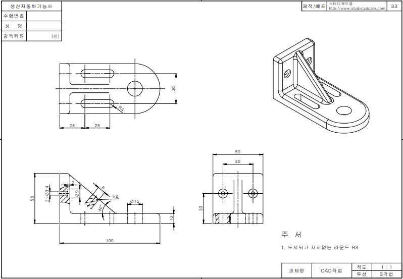
정면을 데이텀으로 잡고 아래와 같이 스케치한다.

스케치 종료 후 돌출보스를 방향은 중간평면, 깊이는 50mm로 한다.

작업을 하다보면 화살표 위치의 필렛 처리가 쉽지 않다.

정확한 방법인지는 모르겠으나 아래처럼 하면 비슷하게 구현이 된다.
먼저 상단의 세 모서리를 필렛처리한다.

중간에 보강대를 스케치해야 하므로 '정면'을 이용하자.
'정면'을 보이기로 한다.

아래와 같이 삼각형을 스케치한다.
왼쪽 위의 꼭지점의 위치에 주의하자.

스케치 종료 후 돌출-보스를 깊이 8만큼 준다.
작업이 끝나면 '정면'은 숨기기 한다.

아래 선택된 부분은 필렛이 잘 안되는 부분이다.
아래와 같이 3모서리를 잡고 필렛을 시켜보자.

오류가 뜨는데 FeatureXpert를 선택해서 오류 수정을 도움받자.

그렇게 되면 아래와 같이 필렛이 적용이 되었다.
아직은 도면과는 비슷하지 않다.

필렛을 주는 순서가 있는데
현재 파란색 부분이 필렛이 되어 있다.
이 파란색 부분보다 빨간색 부분을 먼저 해야 한다.
그래야 나머지 부분이 필렛 적용이 용이하다.
일단은 기존대로 진행한다.

아래처럼 선을 잡고 '탄젠시 선택'을 눌러준다.

선택이 아래처럼 손쉽게 되었다.
일일이 선을 클릭할 시간이 없다. ^^

필렛을 적용해보자
필렛버튼을 클릭했을 때 아래처럼 보이면
정상적으로 필렛이 적용된다는 뜻이다.

아래처럼 적용이 되었다. 원본 도면과 비슷(?)해진 것 같다.
나머지 필렛은 다른 작업 후에 하기로 한다.

수직형상의 면에 스케치 작업을 한다.
중심수직선을 긋고 점을 치수로 구속해서 찍는다.
그리고 대칭복사를 해준다.

스케치 종료 후 '구멍가공마법사'를 이용해 카운터 보어를 적용한다.
'사용자정의'로 아래처럼 치수를 적용한다.


카운터 보어 작업이 끝나면 바닥면에 직선홈 스케치를 한다.
수평중심선을 긋고 직선홈을 치수로 구속시킨다.
이후에 대칭 복사를 해준다.

대칭 복사 후에 직선홈 사이의 간격을 30으로 구속(적용)시킨다.

스케치 종료 후 '돌출 컷 - 관통'을 시켜준다.

이제 오른쪽 부분을 필렛 처리를 해준다.
필렛은 25mm로 한다.

필렛 처리 후에 중앙에 지름 15인 원을 그리고 '돌출컷-관통'을 해준다.

기본적인 형상작업이 끝났다.
이제 나머지 필렛처리를 해준다.
아래 화살표로 지시된 선을 '마우스 우클릭 - 루프선택'을 한다.

선택되지 않은 부분은 Ctrl + 선택을 해주자.

선택이 된 상태에서 필렛을 눌러주면 아래처럼 미리보기가 된다.
미리보기 화면이 보이므로 필렛처리는 잘 될 것이다.

완성된 모델링이다.
원본과 비슷(?)하게 나왔다.
이 후에 좀 더 정확한 방법이 있으면 수정해야겠다.

솔리드웍스 작업파일
'솔리드웍스 > 실습(생자기능사CAD_45문제)' 카테고리의 다른 글
| 생산자동화기능사 CAD작업(31번) 모델링 (0) | 2020.05.11 |
|---|---|
| 생산자동화기능사 CAD작업(32번) 모델링 (0) | 2020.05.11 |
| 생산자동화기능사 CAD작업(34번) 모델링 (0) | 2020.05.11 |
| 생산자동화기능사 CAD작업(35번) 모델링 (0) | 2020.05.11 |
| 생산자동화기능사 CAD작업(36번) 모델링 (0) | 2020.05.11 |