반응형

=== 작업중 ===
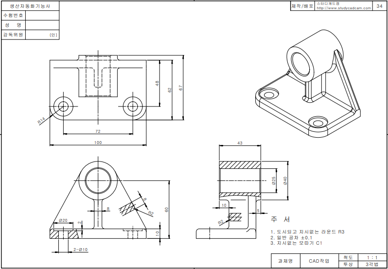
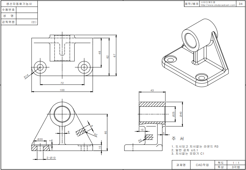
제일 그리기 쉬운 부분은 정면인듯하다.
초기 데이텀(기준면)은 앞면으로 하고 스케치한다.

















원본도면과 가장 비슷하게 나오게 '필렛'을 적용시켰다.

솔리드웍스 작업파일
'솔리드웍스 > 실습(생자기능사CAD_45문제)' 카테고리의 다른 글
| 생산자동화기능사 CAD작업(32번) 모델링 (0) | 2020.05.11 |
|---|---|
| 생산자동화기능사 CAD작업(33번) 모델링 (0) | 2020.05.11 |
| 생산자동화기능사 CAD작업(35번) 모델링 (0) | 2020.05.11 |
| 생산자동화기능사 CAD작업(36번) 모델링 (0) | 2020.05.11 |
| 생산자동화기능사 CAD작업(37번) 모델링 (0) | 2020.05.11 |