반응형


초기 작업 기준(데이텀)을 윗면으로 잡고 스케치를 한다.
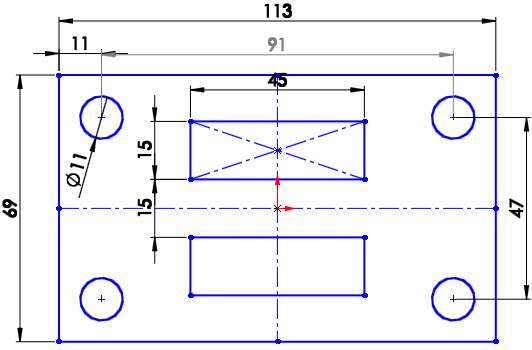
중심선을 세로로 긋고 원을 왼쪽에 스케치하고 가로로 대칭복사하여 치수로 구속한다.
중심선을 가로로 긋고 대칭복사를 하고 간격을 47만큼 준다.

상단에 좌우가 대칭 치수이므로 중심 사각형으로 스케치한다.
대칭 복사를 해주고 간격을 15만큼 떨어지게 한다.

스케치 종료 후 돌출보스를 아래쪽으로 15만큼 준다.

중앙에 사각형 부분도 돌출을 해준다.
아래 방향으로는 15만큼, 위쪽 방향으로는 54만큼 돌출시켜준다.
위쪽 치수는 도면에 없어서 임의대로 부여했다.

현재까지의 모델링이다.

아래 바닥 형상의 윗면에서 30만큼 떨어진 곳에
지름 23인 원을 스케치 한다.

스케치를 종료하고 '돌출컷 - 관통'으로 원형 형상으로 뚫어준다.

나머지 상단은 모따기 5로 하고
아래 바닥 형상은 모따기 2를 해준다.


완성된 모델링

솔리드웍스 작업파일
'솔리드웍스 > 실습(생자기능사CAD_45문제)' 카테고리의 다른 글
| 생산자동화기능사 CAD작업(30번) 모델링 (0) | 2020.05.11 |
|---|---|
| 생산자동화기능사 CAD작업(31번) 모델링 (0) | 2020.05.11 |
| 생산자동화기능사 CAD작업(33번) 모델링 (0) | 2020.05.11 |
| 생산자동화기능사 CAD작업(34번) 모델링 (0) | 2020.05.11 |
| 생산자동화기능사 CAD작업(35번) 모델링 (0) | 2020.05.11 |