

정면에서 스케치를 시작한다.
회전이 되는 부분을 대략적으로 스케치하고 치수작업을 한다.
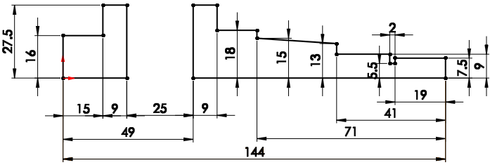
치수 작업은 가장 긴 부분(144mm)과 중간(49, 71mm)부분을 기입하고
나머지 작은 치수를 넣도록 하자.


치수로 구속을 모두 시켜줘서 검은색으로 보인다.
위의 2mm 구간은 중심선과 평행 구속조건을 주었다.

가로로 중심선을 넣고 스케치 종료를 한다.
회전보스로 회전시킨다.

원통형상의 중간에 스케치를 하고 회전보스를 해 주어야 한다.
등각보기를 하고 디자인 트리의 '정면'을 클릭하니 아래의 모습이다.
정면에서 회전을 시킬 형상을 스케치 해본다.

Ctrl + 1번을 눌러 수평으로 보이게 하고
수평으로 중심선이 나타나도록 스케치를 보이기 한다.

중심선 위쪽으로 10mm 떨어진 곳에 보조선을 가로로 긋고 아래와 같이 스케치를 해준다.
스케치는 폐곡선 형태가 되야 회전을 손쉽게 할 수 있다.
스케치 종료 후에 보조선을 기준으로 회전을 시켜준다.

회전보스 작업을 해 준다.

회전 후의 모습이다.
지금까지 썼던 스케치1은 숨기기 한다.

키 홈 작업을 위해 작업면을 '윗면'을 선택하고 스케치를 해본다.

키 홈 형상을 스케치한다.
지금 스케치 형상은 원통의 중앙에 자리하고 있다.


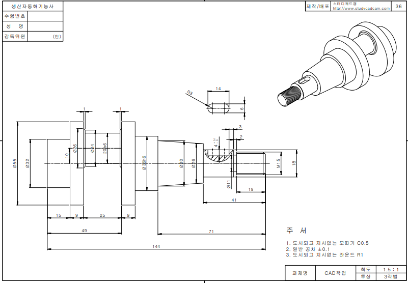
도면을 보면 키홈의 깊이가 4mm이고 높이가 9이므로
중심선에서 5mm위쪽에서 돌출컷을 해주면 될 것 같다.

Ctrl + 5, Ctrl + 7 을 눌러 확인해 본다.


현재까지 작업한 모델링
모따기 작업을 해준다.
수평 원통 부분의 모따기를 1로 해준다.

그리고 오른쪽 끝부분의 모따기를 0.5로 해준다.

다음은 앞부분에 나사선 작업을 해준어야 한다.
나사선의 첫 시작이 되는 부분의 원을 선택해야 한다.
아래와 같이 작업할 위치의 원을 선택하고 '요소변환' 작업을 해준다.
그러면 새로운 스케치 원이 생성된다.

요소변환을 하면 원이 두껍게 보인다.

요소변환된 원을 클릭하고 피처-곡선-나선형곡선을 클릭한다.

왼쪽 디자인 트리에서
정의 기준을 '피치와 회전'으로
방향을 반대방향으로
피치는 1.0mm
회전은 나사선이 위치할 정도로 임의대로 주었다.
시작각도는 보이는 곳에 나사선의 끝이 보이게 임의대로 조절하였다.

이제 나사선을 파낼수 있는 경로설정이 되었다.
그 다음은 실제 파내는 면적을 나타내는 '프로파일'(원)을 스케치해야 한다.
이 프로파일(원)이 경로를 직각으로 움직이기 때문에
경로의 끝에 기준면을 직각으로 세워 프로파일 작업을 한다.
'참조형상-기준면' 클릭 - 방금 그린 나사선 클릭 - 나선의 끝점 클릭을 하면 기준면이 생성된다.

기준면에서 피치 1mm보다 작은 지름 0.98mm인 원을 스케치하는데
나사선의 끝점(현재 빨간화살표부분임) 근처에 그려준다.

원을 그리고 원의 중심과 나사선의 끝점을 클릭한다.

원의 중심과 나사선의 끝점이 선택하고
일치조건을 부여하면 아래와 같이 원과 나사선의 끝점이 만난다.
작업을 하다가 스케치가 움직인다면 나사선을 클릭하고 고정하고 위의 작업을 다시 해본다.
혹시 위와 같이 하였음에도 점과 원이 붙지 않으면 아래 게시물을 참고해보자.
https://okcoding.tistory.com/89?category=889501

스케치 종료 후 피처 - 스윕-컷을 아래와 같이 적용시킨다.


작업 후에는 나사선이 굵게 보인다.
완성된 모델링이다.


'솔리드웍스 > 실습(생자기능사CAD_45문제)' 카테고리의 다른 글
| 생산자동화기능사 CAD작업(34번) 모델링 (0) | 2020.05.11 |
|---|---|
| 생산자동화기능사 CAD작업(35번) 모델링 (0) | 2020.05.11 |
| 생산자동화기능사 CAD작업(37번) 모델링 (0) | 2020.05.11 |
| 생산자동화기능사 CAD작업(38번) 모델링 (0) | 2020.05.11 |
| 생산자동화기능사 CAD작업(39번) 모델링 (0) | 2020.05.10 |