반응형


정면에서 아래와 같이 스케치한다.

스케치 종료 후 돌출방향을 앞으로 하고 깊이를 16mm를 준다.

정면의 반대 편으로 가서 스케치를 한다.
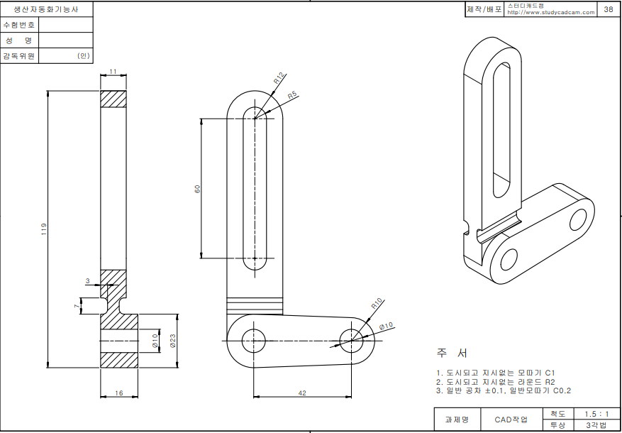
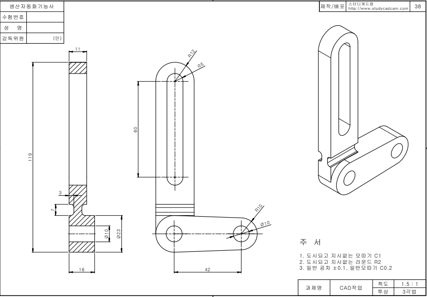
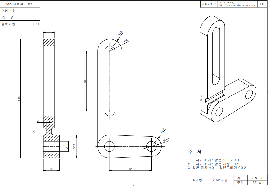
세로 길이는 전체길이(119)에서 원의 반지름(23/2)을 빼면 된다.
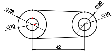
가로폭은 상단의 원 지름에 해당하므로 24를 준다.

스케치 종료 후
돌출-보스의 방향을 뒷쪽에서 앞쪽으로 하고 깊이를 11mm로 한다.

전체적인 형상을 다듬어본다.
일단 위쪽 모서리에 필렛 12mm를 준다.

왼쪽 아래에서 원형상으로 뚫리도록 돌출 컷을 시켜준다.
원을 선택하고 요소변환을 해주면 새로운 스케치 원이 생성된다.
스케치 종료 후 돌출컷을 해준다.

수직형상에서 아래와 같이 스케치 한 후 관통을 시켜준다.

지금까지 작업한 결과는 아래와 같다.

남은 부분은 수직형상과 수평형상이 만나는 부분에 돌출컷과 필렛을 주는 작업이 남았다.
왼쪽 옆에서 아래와 같이 스케치를 한다.
한쪽에 사각형을 그리고 치수를 입력한다.
세로 중앙에 보조선을 긋고 '요소대칭복사'를 해준다.

스케치 종료 후 돌출컷-관통을 해준다.


도시되고 지시없는 라운드는 필렛 2를 준다.

완성한 모델링은 아래와 같다.

'솔리드웍스 > 실습(생자기능사CAD_45문제)' 카테고리의 다른 글
| 생산자동화기능사 CAD작업(36번) 모델링 (0) | 2020.05.11 |
|---|---|
| 생산자동화기능사 CAD작업(37번) 모델링 (0) | 2020.05.11 |
| 생산자동화기능사 CAD작업(39번) 모델링 (0) | 2020.05.10 |
| 생산자동화기능사 CAD작업(40번) 모델링 (0) | 2020.05.10 |
| 생산자동화기능사 CAD작업(41번) 모델링 (0) | 2020.05.09 |