반응형


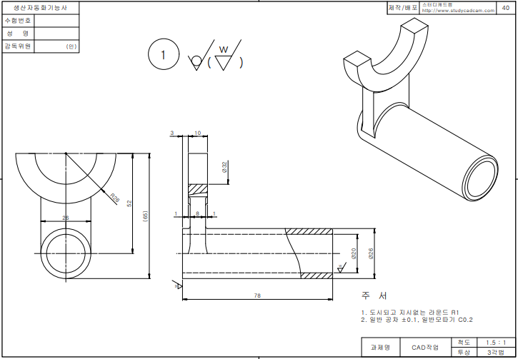
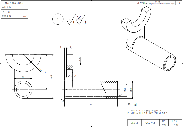
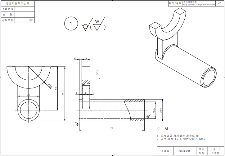
정면에서 아래와 같이 스케치 한다.

상단의 반달모양의 형상을 만들기 위해 원 두개를 그린다.
위쪽 원모양을 삭제하고 스케치 종료한다.
스케치 종료 후 돌출보스를 할때 방향1을 중간평면으로 주고
위의 반원은 10mm, 중간의 이음부분은 8mm로 한다.
돌출작업이 끝날 때까지 스케치는 계속 보이게 한다.
아래쪽 파이프 형상을 작업할때
스케치 평면이 안쪽 중앙(파란색 부분)에 있기 때문에 치수 계산을 유의한다.
짧은 쪽은 8, 긴쪽은 70을 주어 전체 78로 한다.

앞쪽의 원형 모서리에 필렛 1을 준다.

파이프 형상과 수직 이음 부분에 필렛을 앞뒤로 1씩 준다.

완성된 모델링이다. 어려운 부분?이 없어서
비교적 간단하게 완성하였다.

'솔리드웍스 > 실습(생자기능사CAD_45문제)' 카테고리의 다른 글
| 생산자동화기능사 CAD작업(38번) 모델링 (0) | 2020.05.11 |
|---|---|
| 생산자동화기능사 CAD작업(39번) 모델링 (0) | 2020.05.10 |
| 생산자동화기능사 CAD작업(41번) 모델링 (0) | 2020.05.09 |
| 생산자동화기능사 CAD작업(42번) 모델링 (0) | 2020.05.07 |
| 생산자동화기능사 CAD작업(43번) 모델링 (0) | 2020.04.23 |