

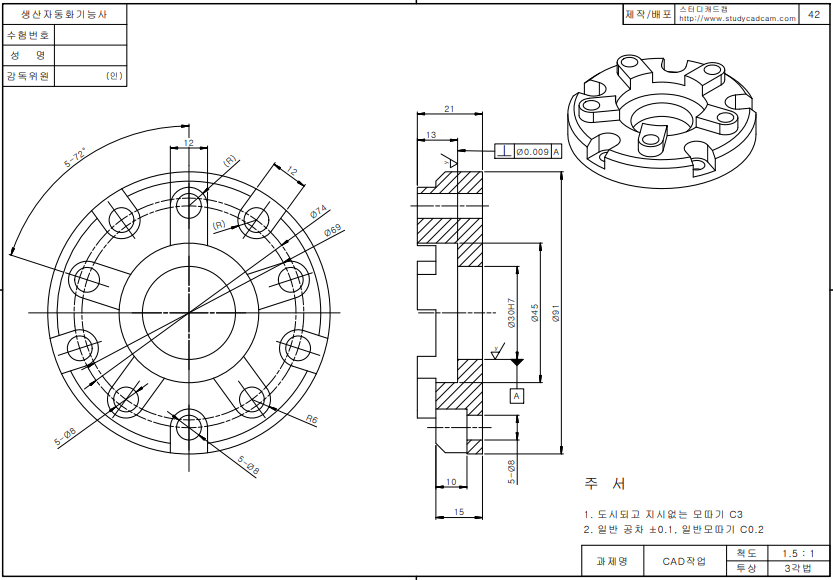
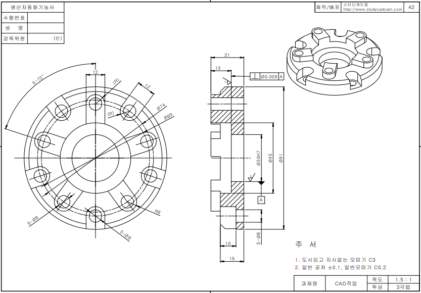
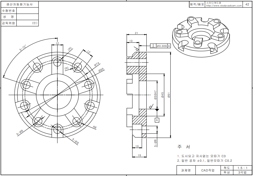
정면에서 아래와 같이 스케치한다.

스케치 종료 후 '피처-돌출' 작업을 한다.,
돌출은 안쪽 원을 '21-13'mm만큼 하고
외곽 원을 21mm만큼 돌출해준다.



돌출보스와 돌출컷의 기준이 되는 원 2개를 그려준다.

방금 그린 원 2개는 보조선으로 변경을 해준다.
안쪽 원을 기준으로 아래와 같이 돌출될 면을 스케치 한다.

중간에 필요없는 선은 삭제 후 스케치 종료를 한다.
돌출-보스를 '21-15'mm만큼 아래와 같이 해준다.

돌출된 면이 정면으로 보이게 위치시키고 원형패턴을 시켜준다.
각도가 72도이므로 5개를 그릴 수 있겠다 (72*5=360도)
아래처럼 돌출될 면을 영역이 지정되게 한 다음
'피처-원형패턴'을 적용시킨다.



앞면에서 편집으로 들어간다.
중앙의 보조선 원 두개를 보이게 한 후
'돌출컷'으로 들어갈 부분을 아래와 같이 스케치 한다.

스케치 종료 후 스케치한 모든 영역을 '돌출컷-블라인드'로 10mm만큼 파주고
이 후에 중앙에 '돌출컷'으로 관통한다.

'돌출컷' 한 부분을 '원형패턴'을 주기 위해 패턴할 부분을 선택한다.
이 때 안쪽의 구멍부분의 면까지 모두 선택해 주어야 한다.

회전의 기준이 되는 안쪽 면을 선택해서 원형패턴을 해준다.


마지막으로 모따기를 3만큼 해준다.

아래 파일은 솔리드웍스 2012 버전으로 작업을 하였다.
오류 수정
모델링 파일을 도면화하면 오류가 2개 발견되었다.
단면된 부분의 위쪽에 돌출된 부분에서 구멍이 끝까지 뚫려 있어야 하고
가로 폭이 27로 6정도가 두껍게 모델링 되었다.
틀린 부분을 찾아가 수정해 본다.

단면 뷰의 외곽쪽 클릭-파트 모델링으로 들어가서 수정한다.

두께 돌출 부분을 찾아서 피처 편집으로 들어간다.


전체적으로 두께가 얇아졌다 ^^;

정면으로 보니 돌출된 부분의 원에 구멍을 뚫지 않았다 ㅠㅠ

구멍 작업 할 곳을 선택하고 '요소 변환'을 시켜준다.
'요소 변환'을 해주면 기존의 스케치를 현재 면의 스케치로 복사(?)하는 개념인 것 같다.

요소변환을 해주면 외곽선이 겹쳐 보이듯이 진하게 보인다.


도면 변환 후 단면 뷰를 보면 두께와 구멍이 잘 관통된 모습으로 보인다.

아래쪽의 도면과 다른 선들은 숨기기로 정리해 주면 된다.
완성 파일은 솔리드웍스 2018 버전.
'솔리드웍스 > 실습(생자기능사CAD_45문제)' 카테고리의 다른 글
| 생산자동화기능사 CAD작업(40번) 모델링 (0) | 2020.05.10 |
|---|---|
| 생산자동화기능사 CAD작업(41번) 모델링 (0) | 2020.05.09 |
| 생산자동화기능사 CAD작업(43번) 모델링 (0) | 2020.04.23 |
| 생산자동화기능사 CAD작업(44번) 모델링 (0) | 2020.04.23 |
| 생산자동화기능사 CAD작업(45번) 모델링 (0) | 2020.04.20 |