반응형

[모델링 과정]

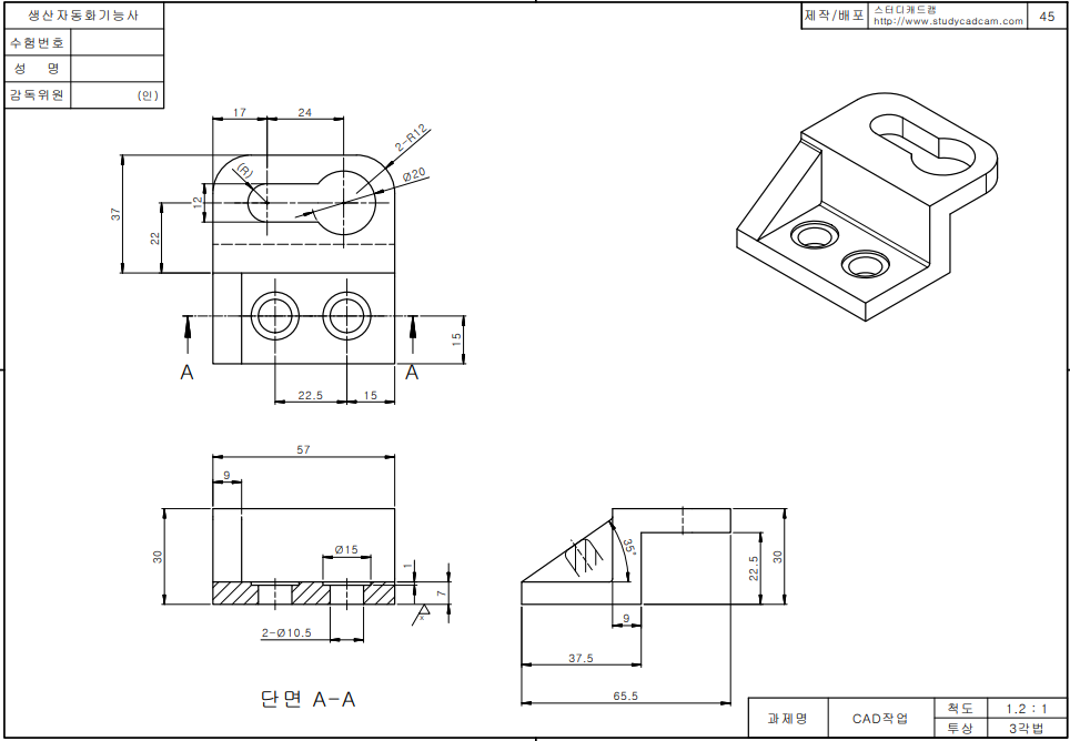
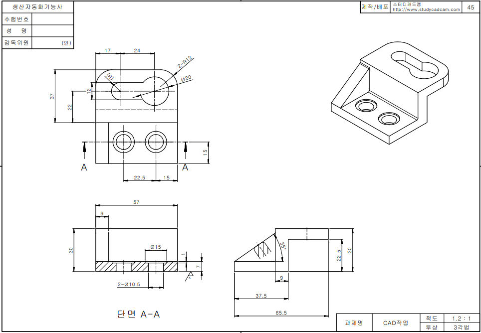
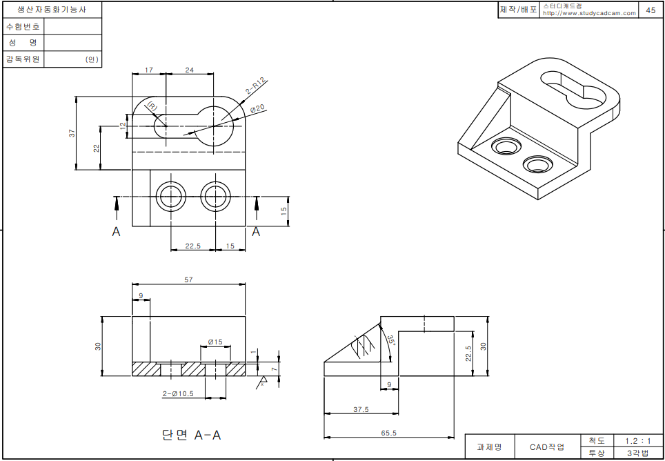
형상을 잘 알아볼 수 있는 곳이 정면도라고 했으니
정면도를 기준으로 만들어야 할까?
아니면 정,평,측면도의 공통부분을 먼저 작업할까?
윗면을 선택하고 스케치를 해본다.

30만큼 돌출보스를 해준다.

그리고 정면 아래쪽과 뒷면 윗쪽에서 형상을 뽑아본다.


앞으로 돌출된 면 위에서 아래와 같이 스케치한다.


위쪽으로 돌출되어 있는 곳을 아래와 같이 스케치한다.

'요소 잘라내기'를 하고 돌출컷을 해준다.

필렛을 12mm로 처리 해준다.

왼쪽면에서 아래와 같이 스케치한다.

돌출을 안쪽으로 9만큼 준다.

마지막으로 필렛을 1만큼 주고 완성시킨다.

[모델링 파일]
'솔리드웍스 > 실습(생자기능사CAD_45문제)' 카테고리의 다른 글
| 생산자동화기능사 CAD작업(41번) 모델링 (0) | 2020.05.09 |
|---|---|
| 생산자동화기능사 CAD작업(42번) 모델링 (0) | 2020.05.07 |
| 생산자동화기능사 CAD작업(43번) 모델링 (0) | 2020.04.23 |
| 생산자동화기능사 CAD작업(44번) 모델링 (0) | 2020.04.23 |
| 솔리드웍스 도면파일의 오토캐드 레이어와 연동하는 방법 -맵핑Mapping (0) | 2020.03.26 |