

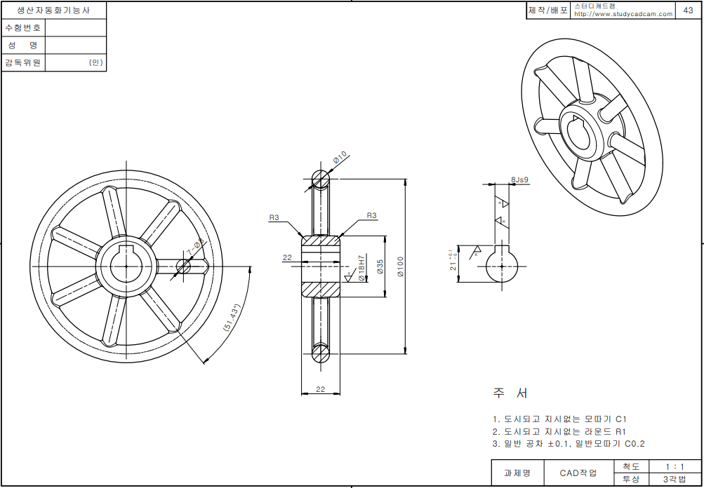
윗면에서 속이 빈 원통형상을 스케치한다.

돌출-보스를 20만큼 준다.

원통 중심에서 외곽으로 100만큼 떨어진 곳에
점을 스케치하고
링 형상이 될 원을 스케치한다.

스케치 된 원에 지름이 10인 원을 그리고
스윕보스 작업을 할 예정이다.
'참조형상-기준면' 클릭 후 제1참조를 원을 선택한다.

이전에 만들었던 점을 클릭하고

왼쪽 디자인트리의 '직각'을 눌러준다.

이렇게 하면 외곽원과 직각인 면이 생성된다.
이 면에 링 모양의 두께가 되는 원을 스케치한다.

링의 두께가 될 원의 스케치가 끝나면 스윕보스 작업을 한다.
스케치 프로파일을 선택하고 경로(외곽 원)을 선택한다.


스윕보스 작업이 끝나면 기준면으로 사용한 '평면3'을 숨기기 한다.

중간 원통형상과 외곽의 링을 연결할 로프트 작업을 한다.
도면을 참고하여 중심에서 오른쪽으로 보조선을 긋고
중심에 직선과 직각방향인 원을 그린다(지름10).
중간의 원은 형상을 단면보기해서 그리면 된다.
단면 보기에서 보조선과 수직인 기준면(평면4)를 그리고
기준면에 지름 10인 원을 스케치한다.


원 스케치가 끝나면 원을 돌출-보스 작업을 해준다.

보스-돌출시 시작 면을 클릭(안쪽원:녹색)해준다.

방향을 '다음까지'로 선택하면
원통이 만나는 다음 면까지 돌출된다.

로프트 형상이 완성되면 원형패턴을 적용한다.
패턴수 7개를 360도에 적용한다.

이번에는 형체의 중심에 키 홈 작업을 한다.
아래와 같이 스케치하고 돌출컷을 해준다.


작업을 완료하고 보니 윗면에서 작업을 시작했다. ㅠㅠ
도면 작업시 뷰를 잘 꺼내면 된다.

마지막으로 로프트 작업한 부분의 양끝 부분에 필렛 1을 부여하고
중심의 원통의 앞뒤 모서리에 필렛 3을 부여한다.

'솔리드웍스 > 실습(생자기능사CAD_45문제)' 카테고리의 다른 글
| 생산자동화기능사 CAD작업(41번) 모델링 (0) | 2020.05.09 |
|---|---|
| 생산자동화기능사 CAD작업(42번) 모델링 (0) | 2020.05.07 |
| 생산자동화기능사 CAD작업(44번) 모델링 (0) | 2020.04.23 |
| 생산자동화기능사 CAD작업(45번) 모델링 (0) | 2020.04.20 |
| 솔리드웍스 도면파일의 오토캐드 레이어와 연동하는 방법 -맵핑Mapping (0) | 2020.03.26 |