

형상이 잘 나타날 수 있는 '정면'에서
아래와 같이 스케치 작업을 합니다.
오른쪽의 치수 50의 위치가 오류가 있습니다.
이후 작업에서 오류가 있는 곳을 수정합니다. (추천)
(지금 바로 수정해서 작업해도 됩니다)

스케치 완료 후 돌출 보스를 30mm만큼 준다.

기본형상이 만들어진 후
형상의 위에 면에서 아래와 같이 스케치 작업을 합니다.
'카운터 보어' 구멍을 내기 위해 4곳에 점을 찍어 놓습니다.

'구멍 가공 마법사'를 이용해 점이 찍힌 4곳에 '카운터 보어 홀'을 가공합니다.

중간에 복잡(?)한 형상은 이후에 하고
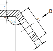
오른쪽에 아래와 같이 스케치를 합니다.
직선 홈 2개를 아래의 치수로 위치시키고 대칭복사를 합니다.

작업을 하다가 '치수 오류'가 난 곳이 발견되었습니다.
도면에서 오른쪽 50mm부분이 잘 못되어 있음.

원 도면
'보스 돌출1 - 스케치1'에서 스케치 편집으로 들어가서 수정을 해 줍니다.

외곽쪽의 치수 50을 제거하고 안쪽으로 치수 50을 설정합니다.



치수 수정 후 필렛을 10만큼 줍니다.

다시 형상의 윗에 있는 면으로 가서
돌출 컷, 돌출 보스 작업을 해 줍니다.
중요 : 돌출 보스와 돌출 컷이 동시에 있는 형상은
돌출 보스 할 스케치와 돌출 컷을 할 스케치를 따로 그려서 적용한다고 합니다.
돌출 보스를 스케치를 하고 돌출 한다. 그리고
돌출 된 면에 컷을 할 스케치를 하고 돌출 컷을 한다.
여러 사람이 협업해서 작업시 수정할 경우 혼선의 우려가 있으므로
돌출 보스와 돌출 컷을 분리해서 작업을 합니다.
아래는 돌출 컷을 먼저하고
돌출 보스를 할 스케치를 찾아서 돌출하는 작업





원의 모서리나 원의 면을 선택하고 돌출컷을 누르면
스케치 화면으로 넘어가서 돌출컷이 안된다.
그래서 원을 요소변환하여 새로운 원을 만들고
돌출 컷을 해 보았다.

요소 변환을 하면 같은 원(형상)이 겹치기 때문에 두껍게 보인다.
그 스케치 형상을 잡고 돌출 컷을 해주면 된다.




'솔리드웍스 > 실습(생자기능사CAD_45문제)' 카테고리의 다른 글
| 생산자동화기능사 CAD작업(41번) 모델링 (0) | 2020.05.09 |
|---|---|
| 생산자동화기능사 CAD작업(42번) 모델링 (0) | 2020.05.07 |
| 생산자동화기능사 CAD작업(43번) 모델링 (0) | 2020.04.23 |
| 생산자동화기능사 CAD작업(45번) 모델링 (0) | 2020.04.20 |
| 솔리드웍스 도면파일의 오토캐드 레이어와 연동하는 방법 -맵핑Mapping (0) | 2020.03.26 |