반응형


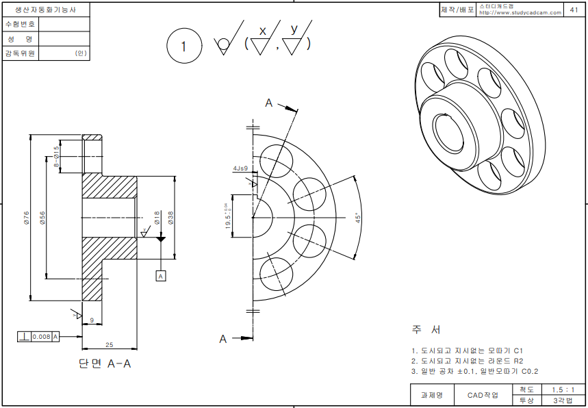
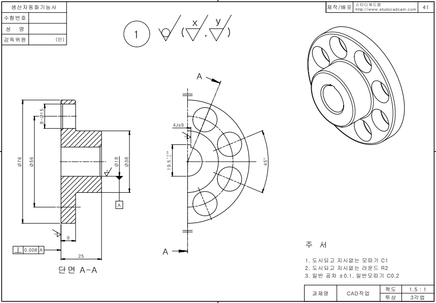
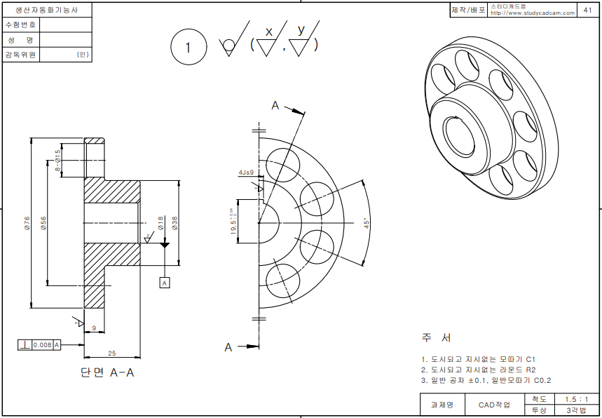
정면에서 형상이 만들어지는 원들을 스케치한다.

스케치 종료후 돌출-보스를 9mm만큼 준다. 방향을 뒤쪽방향으로 한다.

중심선을 긋고 지름 15인 원을 그린다.
원을 원형패턴을 22.5도 갯수는 2개로 한다.
보조선을 긋과 각도를 확인해 보면 22.5도이다.
확인이 끝나면 중앙의 원은 삭제한다.

원 둘레로 8개의 구멍을 뚫는 작업을 한다.
원을 8개를 그리고 구멍을 뚫는 방법으로
원형 패턴으로 각도는 360도 갯수는 8개로 하는 방법이 있다.
하지만 이 방법은 번거롭다.

구멍 하나를 뚫고 8개를 원형패턴을 시켜보자

그 다음은 중간의 원모양을 돌출시킨다.
돌출-보스를 '25-9'만큼 준다.

중심 원에 키 홈이 될 곳을 스케치한 후 돌출컷을 시켜준다.

돌출 컷을 하고 모따기하면 아래와 같은 형상이된다.

원하는 모양이 아니다
모따기를 먼저하고 난 후 키 홈을 내준다.


키홈이 원하는 모양으로 나온 것 같다.

앞면에 모깍기를 아래와 같이 해준다.

뒷면의 원모양에 모깍기 1을 준다.

완성된 모델링

'솔리드웍스 > 실습(생자기능사CAD_45문제)' 카테고리의 다른 글
| 생산자동화기능사 CAD작업(39번) 모델링 (0) | 2020.05.10 |
|---|---|
| 생산자동화기능사 CAD작업(40번) 모델링 (0) | 2020.05.10 |
| 생산자동화기능사 CAD작업(42번) 모델링 (0) | 2020.05.07 |
| 생산자동화기능사 CAD작업(43번) 모델링 (0) | 2020.04.23 |
| 생산자동화기능사 CAD작업(44번) 모델링 (0) | 2020.04.23 |