1. 요구사항
가~마. 생략...
바. 서비스 유닛의 공급압력은 5MPa가(오차 +-50KPa) 되도록 한다.
2. 기본제어동작
1) 공압 구성작업에서 실린더 A는 유도형 센서나 용량형 센서 또는 전기 리드 센서를 사용하고 실린더 B는 전기 리밋 스위치를 사용하여 구성하여야 한다.
2) 초기상태에서 리셋스위치(PB2)를 ON-OFF한 후 PB1 스위치를 ON-OFF하면 실린더 A가 후진하고 실린더 A가 후진 완료하면 실린더 B가 후진하고 실린더 B가 후진완료하면 실린더 A가 전진하고 실린더 A가 전진 완료하면 B가 전진하고 실린더 B가 전진 완료하면 동작을 멈추고 정지한다.
PB2 PB1 -> A- B- A+ B+
3. 응용제어동작
1) 타이머를 사용하여 다음과 같이 동작되도록 해야 한다.
① 실린더 A가 후진 완료 후 실린더 B가 후진하고 실린더 A가 전진 완료 후 3초 후에 실린더 B가 전진완료하고 정지합니다.
A- B- A+ T3s B+
2) 현재의 PB1 스위치, 리셋 스위치 외에 연속시작 스위치(반드시 회로를 구성하고 잠금장치 스위치는 사용불가)와 카운터를 사용하여 연속 사이클(반복 자동행정) 회로를 구성하여 다음과 같이 동작되도록 합니다.
① 연속 시작 스위치를 누르면 연속 사이클(반복 자동행정)로 계속 동작합니다.
② 연속동작 중에 비상정지 스위치를 누르면 실린더 A와 실린더 B 모두 전진하여 정지합니다.
③ 연속 사이클 횟수를 3회로 설정하고 그 사이클이 완료된 후 정지하여야 합니다.
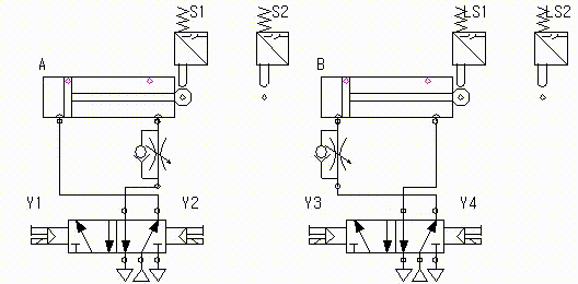
3) 실린더 A의 전진속도, 실린더 B의 후진속도를 조절하기 위한 meter-out 회로를 구성하고 조정합니다.
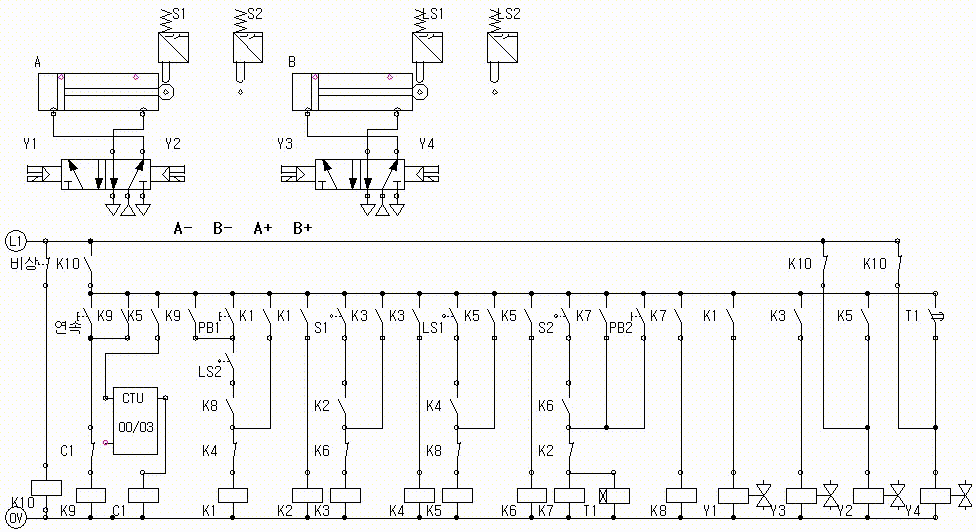
4. 도 면
가. 위치도 나. 변위-단계선도

다. 공압 회로도

라. 전기 회로도

[ 해결하기 ]
릴레이 코일 8개
양솔 2개
a접점과 b접점에 의한 스테퍼 회로이다.
릴레이가 8개인데 이 중 4개는 필요가 없다.
현재 작업동작에는 관계가 없고 다른 요소의 작업에 관여하기 위해 만들어 놓은 듯한다.
릴레이는 4개로 줄일 수 있다.
기본제어동작
초기상태에서 리셋스위치(PB2)를 ON-OFF한 후 PB1 스위치를 ON-OFF하면 실린더 A가 후진하고 실린더 A가 후진 완료하면 실린더 B가 후진하고 실린더 B가 후진완료하면 실린더 A가 전진하고 실린더 A가 전진 완료하면 B가 전진하고 실린더 B가 전진 완료하면 동작을 멈추고 정지한다.
PB2 PB1 -> A- B- A+ B+

응용제어동작
1) 실린더 A가 후진 완료 후 실린더 B가 후진하고 실린더 A가 전진 완료 후 3초 후에 실린더 B가 전진완료하고 정지합니다.
A- B- A+ T3s B+

응용제어동작
2) 현재의 PB1 스위치, 리셋 스위치 외에 연속시작 스위치(반드시 회로를 구성하고 잠금장치 스위치는 사용불가)와 카운터를 사용하여 연속 사이클(반복 자동행정) 회로를 구성하여 다음과 같이 동작되도록 합니다.
① 연속 시작 스위치를 누르면 연속 사이클(반복 자동행정)로 계속 동작합니다.
② 연속동작 중에 비상정지 스위치를 누르면 실린더 A와 실린더 B 모두 전진하여 정지합니다.
③ 연속 사이클 횟수를 3회로 설정하고 그 사이클이 완료된 후 정지하여야 합니다.


응용제어동작
3) 실린더 A의 전진속도, 실린더 B의 후진속도를 조절하기 위한 meter-out 회로를 구성하고 조정합니다.

5. 답안
가. 기본 전기회로도

나. 응용 전기회로도

다. 응용 공압회로도

'공유압 > 설비보전기사' 카테고리의 다른 글
| 전기공압 13 (설비보전기사) (4) | 2020.07.23 |
|---|---|
| 전기유압 12 (설비보전기사) (0) | 2020.07.23 |
| 전기유압 11 (설비보전기사) (0) | 2020.07.22 |
| 전기공압 11 (설비보전기사) (0) | 2020.07.21 |
| 전기유압 10 (설비보전기사) (0) | 2020.07.21 |