1. 요구사항
가~마. 생략...
바. 서비스 유닛의 공급압력은 5MPa가(오차 +-50KPa) 되도록 한다.
2. 기본제어동작
1) 공압 구성작업에서 실린더 A는 유도형 센서나 용량형 센서 또는 전기 리드 센서를 이용하고 실린더 B는 전기 리밋 스위치를 사용하여 구성하여야 한다.
2) 초기상태에서 PB1 스위치를 ON-OFF하면 변위-단계선도와 같이 실린더 A가 전진하고 실린더 A가 전진완료하면 실린더 B가 전진한 후 실린더 A가 후진하고 실린더 A가 후진 완료되면 실린더 B가 후진한다.
PB1 -> A+ B+ A- B-
3. 응용제어동작
1) 연속 스위치 PB2 및 연속 정지 스위치 PB3를 추가하여 다음과 같이 동작하도록 한다.
① 연속 스위치를 선택하면 기본제어동작이 연속 행정으로 되어야 한다.
2) 비상 스위치 PB4를 추가하여 다음과 같이 동작하도록 한다.
① PB4를 누르면 실린더 A는 전진하고 실린더 B는 후진되어야 한다.
3) 실린더 A의 전후진속도와 실린더 B의 전후진속도가 같도록 배기공기 교축(meter-uout) 방법에 의해 조정한다.
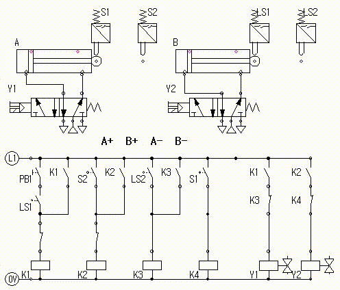
4. 도 면
가. 위치도 나. 변위-단계선도

다. 공압 회로도

라. 전기 회로도


[ 해결하기 ]
편솔 2개, 릴레이 4개
PB1 -> A+ B+ A- B-
릴레이 2개는 전진에 릴레이 2개는 후진에 쓰인다.
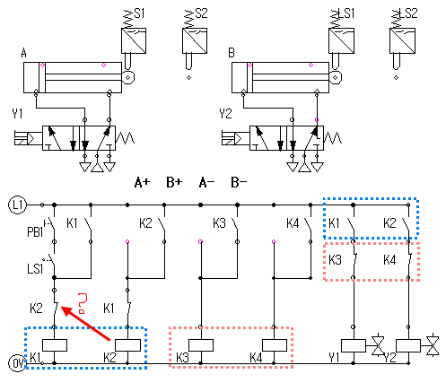
이 문제는 동작원리에 대해 생각하기 보다는 제시한 오류도면을 참고하여 틀린곳을 찾는 게 더 좋은 방법인 것 같다.
오류도면에서 눈에 띄는 부분을 체크해 보았다.

먼저 릴레이의 배치와 센서, 리밋스위치의 배치를 봐야 한다.
실린더 A가 먼저 움직이므로 처음에 오는 리밋 스위치는 LS3가 될 것이다.
그림에서 푸른색 점선은 전진(A+ B+)에 관계되고 A-와 B-는 후진에 해당한다.
동작 순서가 PB1 -> A+ B+ A- B-인 것을 참고하여 리밋스위치를 배치하면
LS1(초기상태 ON) -> S2 -> LS2 -> S1 -> LS1(동작 종료) 이다.
문제 도면에서 S1은 LS2로 LS1은 S1으로 수정해야 한다.
연두색 부분은 자기유지를 끊어주는 역할을 한다. 처음단계 K2 b접점은 올 수 없다.
실린더 A가 전진하고 B가 전진해야 하는데 K1의 b접점이 끊고 있기 때문에 K2 b접점으로 끊어줄 수 없다.
처음단계에서 b접점은 K3나 K4의 b접점이 와야 할 듯 하다.
두번째 K1의 b접점도 K3나 K4의 b접점이 와야 한다.
그런데 K4는 초기상태에 여자가 되어 있는 코일이다.
K3 b접점을 처음에 두고 두번째는 K4 b접점을 배치한다.

현재 k3와 K4이 b접점이 2번 사용되었는데 오른쪽의 솔레노이드 밸브를 끊어주는 접점은 없어도 동작이 되지만
자기유지를 끊어주는 b접점은 반드시 있어야 한다.
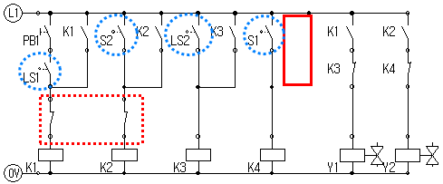
아래의 영상을 보면 이해가 된다.
실린더 A는 전진완료를 하지 못하고 실린더 B는 후진을 완료하지 못한다.
기본제어동작
초기상태에서 PB1 스위치를 ON-OFF하면 변위-단계선도와 같이 실린더 A가 전진하고 실린더 A가 전진완료하면 실린더 B가 전진한 후 실린더 A가 후진하고 실린더 A가 후진 완료되면 실린더 B가 후진한다.

아래 내용은 너무 어렵게 생각해서 풀어본 과정이다.
편솔이기 때문에 아래와 같이 회로를 구성할 수 있을 것이다.

위 그림에서 K2 b 접점은 올 수 없다. 왜냐하면 실린더 A가 전진하고 K2가 여자되면
실린더 B가 전진하면서 동시에 실린더 A가 후진하게 된다. 그래서 K1, K2가 아닌 릴레이의 b접점이 와야 할 듯하다.
일단 하단의 접점은 지정하지 않았다. 그리고 동작순서에 따라 센서, 리밋스위치의 접점을 배치하였다.
초기상태에서 여자되는 K4는 자기유지를 해제한다. 자기유지를 해서 K4가 계속 여자되어 있으면
B실린더의 전진(K2 여자)하지 못하게 된다.

아래와 같이 동작을 테스트 해본다.
문제에서 제시하는 동작은 잘 수행이 되나 동작 완료 후에 다시 PB1을 누르면 동작하지 않는다.
전원공급이 계속되어 릴레이들이 여자되고 있기 때문이다.
첫 접점을 K3 b로 해서 끊어주어야 하겠다. 릴레이 K4는 초기상태에 여자되어 있기 때문에 쓸 수 없다.
첫 신호를 끊어주면 모든 신호가 끊어지면 좋을 것이다. 하지만 각 단계가 a접점으로 연결되어 있지 않기 때문에 추가적인 작업이 더 필요하다.
연결고리를 만들어주자.

응용제어동작
1) 연속 스위치 PB2 및 연속 정지 스위치 PB3를 추가하여 다음과 같이 동작하도록 한다.
① 연속 스위치를 선택하면 기본제어동작이 연속 행정으로 되어야 한다.


응용제어동작
2) 비상 스위치 PB4를 추가하여 다음과 같이 동작하도록 한다.
① PB4를 누르면 실린더 A는 전진하고 실린더 B는 후진되어야 한다.


https://www.youtube.com/watch?v=WZH3cztaZt4
https://www.youtube.com/watch?v=WZH3cztaZt4
© 2020 Google LLC 회사명: Google LLC CEO: Sundar Pichai 주소: 1600 Amphitheatre Parkway, Mountain View, CA 94043, USA. 전화: 080-822-1450 (무료)
www.youtube.com
응용제어동작
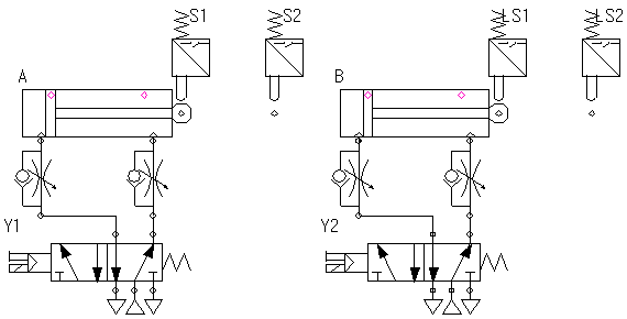
3) 실린더 A의 전후진속도와 실린더 B의 전후진속도가 같도록 배기공기 교축(meter-uout) 방법에 의해 조정한다.

5. 답 안
가. 기본 전기회로도

나. 응용 전기회로도

다. 응용 공압회로도

'공유압 > 설비보전기사' 카테고리의 다른 글
| 전기공압 12 (설비보전기사) (5) | 2020.07.22 |
|---|---|
| 전기유압 11 (설비보전기사) (0) | 2020.07.22 |
| 전기유압 10 (설비보전기사) (0) | 2020.07.21 |
| 전기공압 10 (설비보전기사) (0) | 2020.07.20 |
| 전기유압 9 (설비보전기사) (0) | 2020.07.20 |
