1. 요구사항
가~마. ~~~ 생략 ~~~
바. 유압 공급압력은 4MPa가(오차 +-50KPa) 되도록 한다.
2. 기본제어동작
1) 유압 구성작업에서 센서는 모두 전기 리밋 스위치를 사용하여 구성한다.
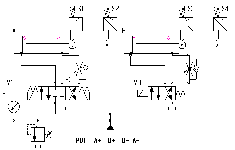
2) 초기상태에서 시작 스위치(PB1)를 ON-OFF하면 실린더 A가 전진하고 실린더 A가 전진 완료 후, 실린더 B가 전진 및 후진 완료하고 실린더 A가 후진한다.
A+ B+ B- A-
3) 응용제어동작
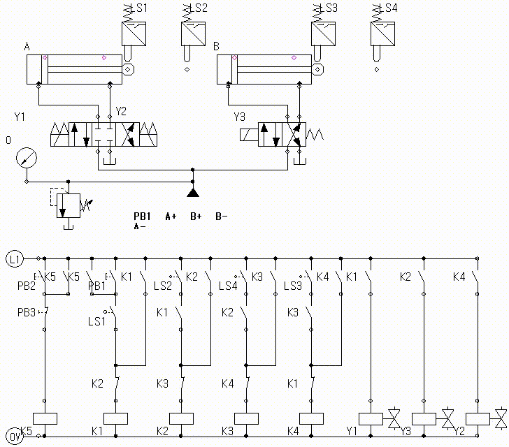
1) 누름버튼 스위치를 추가하여 다음과 같이 동작한다.
① 누름 버튼 스위치(PB2)를 누르면 기본제어동작이 연속동작 하여야 한다.
② 누름 버튼 스위치(PB3)를 누르면 행정이 완료된 후 정지하여야 한다.
2) 타이머를 사용하여 실린더 B가 전진완료하면 3초 후에 후진하도록 회로를 구성한다.
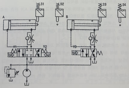
3) 실린더 A, B의 전진속도를 meter-out 방법에 의해 조정할 수 있게 유압 회로도를 구성한다.
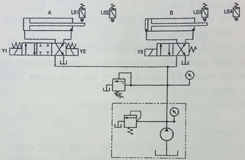
4. 도 면
가. 유압 회로도

나. 전기 회로도

[ 해결하기 ]
양솔1개 편솔1개. 릴레이 4개 사용
LS1을 첫 동작을 위한 조건으로 한다.
동작의 순서(A+ B+ A- B-)에 맞게 LS1 LS2 LS4 LS3의 순서대로 배치한다.
아래는 스테퍼방식의 회로도이다.
b접점(붉은색 화살표)으로 이전 릴레이를 끊어주고 a접점(파란색 화살표)으로 다음동작으로 연결시키는 이 방식은
오른쪽 솔레노이드밸브를 동작시키는 라인(연두색 박스)에 b접점이 필요가 없는 듯하다.

기본제어동작
1) 유압 구성작업에서 센서는 모두 전기 리밋 스위치를 사용하여 구성한다.
2) 초기상태에서 시작 스위치(PB1)를 ON-OFF하면 실린더 A가 전진하고 실린더 A가 전진 완료 후, 실린더 B가 전진 및 후진 완료하고 실린더 A가 후진한다.
A+ B+ B- A-
이 회로도는 동작이 종료되면 K4가 여자되고 Y2 솔레노이드 밸브에 후진신호가 계속 발생하고 있다.

응용제어동작
1) 누름버튼 스위치를 추가하여 다음과 같이 동작한다.
① 누름 버튼 스위치(PB2)를 누르면 기본제어동작이 연속동작 하여야 한다.
② 누름 버튼 스위치(PB3)를 누르면 행정이 완료된 후 정지하여야 한다.
응용제어동작
2) 타이머를 사용하여 실린더 B가 전진완료하면 3초 후에 후진하도록 회로를 구성한다.

응용제어동작
3) 실린더 A, B의 전진속도를 meter-out 방법에 의해 조정할 수 있게 유압 회로도를 구성한다.

5. 답 안
가. 기본 전기회로도

나. 응용 전기회로도

다. 응용 유압회로도

'공유압 > 설비보전기사' 카테고리의 다른 글
| 전기유압 12 (설비보전기사) (0) | 2020.07.23 |
|---|---|
| 전기공압 12 (설비보전기사) (5) | 2020.07.22 |
| 전기공압 11 (설비보전기사) (0) | 2020.07.21 |
| 전기유압 10 (설비보전기사) (0) | 2020.07.21 |
| 전기공압 10 (설비보전기사) (0) | 2020.07.20 |
