1. 요구사항
가~마. ~~~ 생략 ~~~
바. 유압 공급압력은 0.4MPa가(오차 +-50KPa) 되도록 한다.
2. 기본제어동작
1) 초기상태에서 시작 스위치(PB1)를 ON-OFF하면 실린더 A가 전진하고 실린더 A가 전진 완료하면 실린더 B가 전진하고, 실린더 B가 전진완료하면 실린더 A와 실린더 B가 후진한다.
A+ B+ (A- B-)
3. 응용제어동작
1) 비상정지 스위치 및 기타 부품을 추가하여 다음과 같이 동작되도록 한다.
① 기본제어동작 상태에서 비상정지 스위치(PB2)를 한 번 누르면(ON) 동작이 즉시 정지되어야 한다.
② 비상정지 스위치(PB2)를 해제하면 초기화된 후 기본제어 동작이 되어야 한다.
③ 타이머를 사용하여 실린더 A가 전진완료 후 5초 후에 실린더 B가 전진하도록 회로를 추가한다.
2) 실린더 A, B의 전진속도를 meter-in 방법에 의해 조정할 수 있게 유압 회로도를 변경한다.
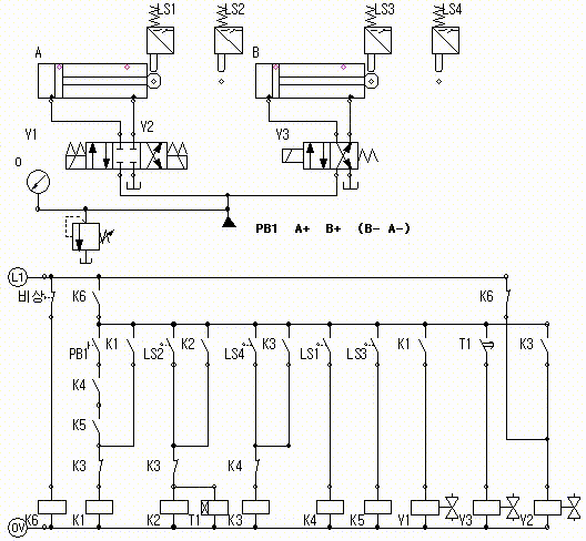
4. 도 면
가. 유압 회로도

나. 전기 회로도

[ 해결하기 ]
릴레이 5개 솔레노이드밸브 양솔1, 편솔1
릴레이 5개 중에 초기상태를 나타내는 릴레이는 2개(K4, K5).
이 초기화 릴레이 접점은 버튼(PB1)을 누르는 시점과 동작의 마지막에 관여한다.
실린더 동작에 관여하는 릴레이는 3개임(K1, K2, K3)
기본제어동작
1) 초기상태에서 시작 스위치(PB1)를 ON-OFF하면 실린더 A가 전진하고 실린더 A가 전진 완료하면 실린더 B가 전진하고, 실린더 B가 전진완료하면 실린더 A와 실린더 B가 후진한다.
PB1 -> A+ B+ (A- B-)
기본적인 형태는 아래와 같다

실린더의 동작 순서에 따른 리밋스위치 접점은
PB1 -> A+ B+ (A- B-)이므로 LS2, LS4, LS1 &LS3 의 순서가 된다.
스테퍼방식으로 다음 단계의 신호가 앞 단계의 신호를 끊어주는 b접점들도 배치를 해보았다.
그런데 스테퍼 방식일때 붉은 색 부분에 a접점이 오는데 지금은 써야할까?
일단 이렇게 해서 시뮬레이션을 해본다.


동작은 잘 되고 있다. 다만 동작이 끝나고 K3라인에 전원이 공급되고 있다. 물론 PB1을 눌러 동작을 시작할때 K1이 여자되어 끊어지기는 하지만 실린더 동작의 완료 시점에는 초기상태와 같이 되는 것이 좋을 듯 하다.
K3 코일을 끊어주는 K1 b접점을 K4 b접점으로 대체한다.
그리고 답안을 보면 실린더A, B의 전진을 끊어주는 b접점은 K3 b접점을 사용하였다.
K2 b접점을 사용해도 되나 답안을 따른다.
실린더A, B의 전진을 동시에 끊어주는 K3 b접점이 문제와 더 잘 부합하는 답인 것 같다.

답안을 참고하여 기본제어 동작을 수정하였다.

응용제어동작
1) 비상정지 스위치 및 기타 부품을 추가하여 다음과 같이 동작되도록 한다.
① 기본제어동작 상태에서 비상정지 스위치(PB2)를 한 번 누르면(ON) 동작이 즉시 정지되어야 한다.
② 비상정지 스위치(PB2)를 해제하면 초기화된 후 기본제어 동작이 되어야 한다.
③ 타이머를 사용하여 실린더 A가 전진완료 후 5초 후에 실린더 B가 전진하도록 회로를 추가한다.
*** 시뮬레이션에서는 타이머 시간을 3초로 조정
아래쪽에 답안은 틀린 듯 하다. 비상스위치를 누를때 기존의 회로는 전원공급이 중단되기 때문에
모든 a 접점은 끊어진다. 하지만 마지막 부분의 회로도에서는 K5 a 접점이 와있다.
최소한 K5 b접점이 와야 한다.


응용제어동작
2) 실린더 A, B의 전진속도를 meter-in 방법에 의해 조정할 수 있게 유압 회로도를 변경한다.

5. 답 안
가. 기본 전기회로도

나. 응용 전기회로도 (답안 틀림)

다. 응용 유압회로도

'공유압 > 설비보전기사' 카테고리의 다른 글
| 전기유압 11 (설비보전기사) (0) | 2020.07.22 |
|---|---|
| 전기공압 11 (설비보전기사) (0) | 2020.07.21 |
| 전기공압 10 (설비보전기사) (0) | 2020.07.20 |
| 전기유압 9 (설비보전기사) (0) | 2020.07.20 |
| 전기공압 9 (설비보전기사) (0) | 2020.07.20 |