1. 요구사항
가~마. ~~~ 생략 ~~~
바. 유압 공급압력은 0.4MPa가(오차 +-50KPa) 되도록 한다.
2. 기본제어동작
1) 초기상태에서 PB2스위치를 ON-OFF한 후 시작스위치 PB1을 ON-OFF하면 실린더 A가 전, 후진을 완료하고 난 후 실린더 B가 전, 후진을 완료한다.
3. 응용제어동작
1) 압력스위치와 타이머를 추가하여 다음과 같이 동작하도록 한다.
① 실린더 A가 전진 완료 후 전진측 공급압력이 3MPa(30kgf/cm2) 이상 되어야 실린더 A가 후진되도록 압력 스위치를 사용하여 회로를 구성한다.
② 타이머를 사용하여 B실린더가 전진완료 후 3초 뒤에 후진하도록 회로를 구성한다.
2) 실린더 A와 실린더 B의 전진속도를 meter-in 방법에 의해 조정할 수 있게 유압회로를 구성한다.
4. 도 면
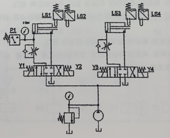
가. 유압 회로도

나. 전기 회로도

[ 해결하기 ]
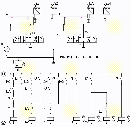
릴레이 코일 3개, 솔레노이드 밸브 4개(양솔 2개)가 배치된 회로도이다.
그러면 하나의 코일이 2개의 솔레노이드 밸브에 신호를 주는 구조로 되어 있어야 하겠다.
작동순서는 PB2 PB1 A+ A- B+ B- 이기 때문에 서로 다른 운동방향인 A- B+를 하나의 코일에 묶어주면 된다.
일단 코일과 솔레노이드 밸브를 아래쪽에 배치하고
릴레이 a접점은 솔 밸브와 연결을 시켜준다.
K2릴레이 a접점에는 2개의 솔밸브(A- B+)를 연결시켜준다.
그리고 실린더의 위치를 결정하는 리밋스위치를 아래와 같이 배치한다.
작동순서는 LS2 -> LS1 -> LS4 -> LS3와 같다. (LS1을 주의깊게 보자)
또 주의 할 점은 오른쪽에는 전진을 끊어주는 b접점이 없다.
이 접점들은 릴레이 바로 위에 위치해 준다.
이렇게 하면 한 다음단계가 이전 단계를 바로 끊어주는 역할을 한다.

이어서 스테퍼 방식으로 지금단계의 릴레이 a 접점으로 다음단계를 살려주고
다음단계의 릴레이 b접점으로 이전단계를 끊어준다.

마지막으로 동작 시작시 안전을 위한 버튼(PB2)에 의해 붙는 접점(K3)을 배치하고 배선을 마무리한다.

기본제어동작
1) 초기상태에서 PB2스위치를 ON-OFF한 후 시작스위치 PB1을 ON-OFF하면 실린더 A가 전, 후진을 완료하고 난 후 실린더 B가 전, 후진을 완료한다.

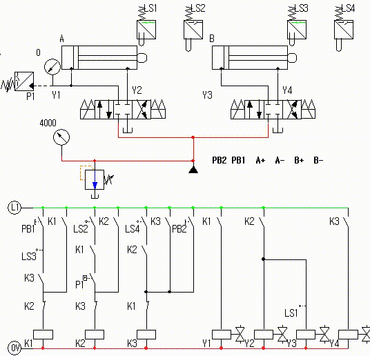
응용제어동작
1) 압력스위치와 타이머를 추가하여 다음과 같이 동작하도록 한다.
① 실린더 A가 전진 완료 후 전진측 공급압력이 3MPa(30kgf/cm2) 이상 되어야 실린더 A가 후진되도록 압력 스위치를 사용하여 회로를 구성한다.
② 타이머를 사용하여 B실린더가 전진완료 후 3초 뒤에 후진하도록 회로를 구성한다.
(시뮬레이션에서는 시간을 2초로 조정)
응용제어동작 1 - ①


응용제어동작 1 - ②
타이머의 지연시간이 40이면 2초로 계산된다.

응용제어동작
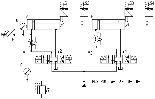
2) 실린더 A와 실린더 B의 전진속도를 meter-in 방법에 의해 조정할 수 있게 유압회로를 구성한다.

5. 답 안
가. 기본 전기회로도

나. 응용 전기회로도

다. 응용 유압회로도

'공유압 > 설비보전기사' 카테고리의 다른 글
| 전기유압 10 (설비보전기사) (0) | 2020.07.21 |
|---|---|
| 전기공압 10 (설비보전기사) (0) | 2020.07.20 |
| 전기공압 9 (설비보전기사) (0) | 2020.07.20 |
| 전기유압 8 (설비보전기사) (0) | 2020.07.20 |
| 전기공압 8 (설비보전기사) (1) | 2020.07.19 |