1. 요구사항
가~마. 생략...
바. 서비스 유닛의 공급압력은 5MPa가(오차 +-50KPa) 되도록 한다.
2. 기본제어동작
1) 공압 구성작업에서 실린더 A는 유도형 센서나 용량형 센서 또는 전기 리드 센서를 사용하고 실린더 B는 전기 리밋 스위치를 사용하여 구성하여야 한다.
2) 초기상태에서 PB2 스위치를 ON-OFF한 후 PB1 스위치를 ON-OFF하면 변위-단계선도와 같이 실린더 A가 전진하고 실린더 A가 전진완료하면 실린더 B가 전진 후 후진한다.
3. 응용제어동작
1) 연속 스위치를 추가하여 다음과 같이 동작하도록 한다.
① 연속 스위치를 선택하면 기본제어동작이 연속 행정으로 되어야 한다.
2) 전기 카운트와 램프를 추가하여 다음과 같이 동작하도록 한다.
① 연속 작업이 시작되면 변위-단계선도와 같은 사이클을 5회 반복한 후 정지하여야 한다.
② 연속작업 완료와 동시에 램프가 점등 되어야 한다.
3) A실린더의 전후진 속도와 B실린더의 전후진 속도를 조절할 수 있도록 배기공기 교축(meter-out) 회로를 추가한다.
4. 도 면
가. 위치도 나. 변위-단계선도

다. 공압 회로도

라. 전기 회로도

[ 해결하기 ]
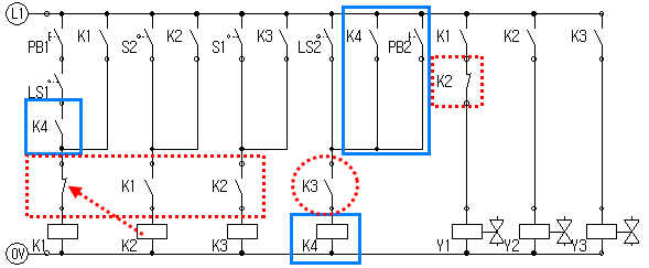
릴레이 코일이 4개 솔레노이드 밸브가 3개.
동작순서가 A+ A- B+ B-이고 A가 편솔이기 때문에
출력을 A+ (A- B+) B- 이렇게 3개로 묶지 않아도 될 것 같다.
A실린더 전진(A+)을 A-로 끊어주면 된다.
실린더의 위치를 나타내는 스위치의 순서는 S2 -> S1 -> LS2 -> LS1으로 되기 때문에
최초 PB1 밑에 LS1을 배치하고 차례대로 배치한다.
PB2를 눌러 K4를 자기유지시키고 K4 a접점으로 동작시작 지점을 연결시켜주면 된다.
하지만 아래에서 보는바와 같이 K3 a접점이 와있다. 이 자리는 b접점이 와야 한다.
이 부분은 일단 b접점으로 놓고 첫번째 동작인 PB1 아래에 K4 a접점을 배치했다.
Y1 솔레노이드를 끊어주는 것을 일단 K2 b접점으로 수정을 해 보았다.
아래쪽 점선 사각형 부분은 스테퍼 방식으로 설계가 되어 있는 듯하다.
제시된 회로를 보면 b접점으로 이전 동작을 끊어주는 회로가 되어야 할 것 같다.

K3 a접점을 b접점으로 수정하고 첫번째 점선 사각형 부분의 b접점을 K2 a접점으로 변경해보자.
두번째 세번째의 K1, K2 a접점은 K3, K4 b접점이 되고
마지막 b접점은 K1 b접점이 될 것이다.

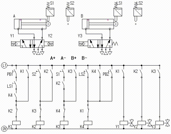
아래 그림은 회로를 구성하고 PB2를 눌러 주었을 때 상황이다.
이전단계 릴레이를 다음단계 릴레이 b접점으로 끊어주는 스테퍼 형식의 구성이다.
이런 구성에서는 솔레노이드를 끊어주는 b 접점은 없어도 된다. (파란색 부분)
그리고 초기상태에 실린더 헤드와 센서가 맞닿은 부분은 그냥 두면 안된다.
신호가 발생하기 때문에 실린더가 예상치 못한 순간에 동작이 된다.
그런 오작을 방지하기 위해 a 접점을 두었다.
이 a 접점은 이전 동작의 릴레이 a접점으로 하면 되는데 실린더 동작의 순서를 제어하는 역할을 한다.
그리고 초기의 LS1은 PB1의 a 접점으로 동작 순서를 제어한다.

기본제어동작
초기상태에서 PB2 스위치를 ON-OFF한 후 PB1 스위치를 ON-OFF하면 변위-단계선도와 같이 실린더 A가 전진하고 실린더 A가 전진완료하면 실린더 B가 전진 후 후진한다.
PB2 PB1 A+ A- B+ B-

모범 답안에는 S2 밑에 K1 a접점이 LS2 밑에는 K3 a접점이 있고, Y1 솔레노이드를 끊어주는 K2 b접점이 있는데
모두 없어도 동작에는 영향이 없다. 일단 이 상태로 진행을 한다.
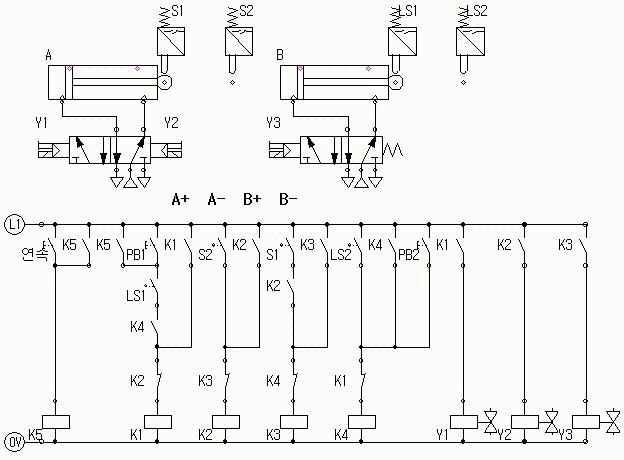
응용제어동작
1) 연속 스위치를 추가하여 다음과 같이 동작하도록 한다.
① 연속 스위치를 선택하면 기본제어동작이 연속 행정으로 되어야 한다.

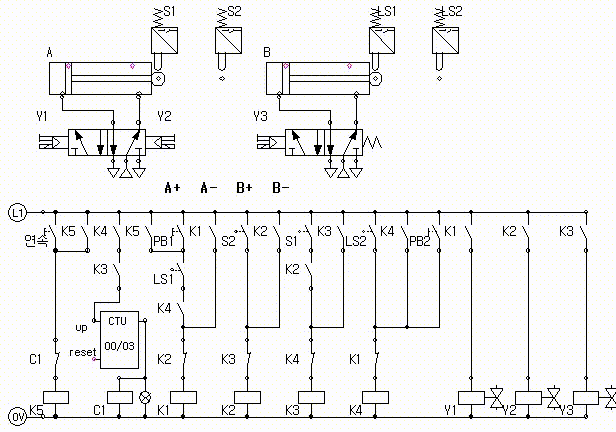
응용제어동작
2) 전기 카운트와 램프를 추가하여 다음과 같이 동작하도록 한다.
① 연속 작업이 시작되면 변위-단계선도와 같은 사이클을 5회 반복한 후 정지하여야 한다.
② 연속작업 완료와 동시에 램프가 점등 되어야 한다.
*** 시뮬레이션에서는 3회로 조정함

처음에 뜨는 에러메시지는 카운터의 reset 부분(붉은색)이 연결되지 않아서 뜬다. 작동에는 관계 없다.
그리고 카운터 위의 K3 a접점은 프로그램 카운터의 버그때문에 넣어준 것이다. 실제 결선시는 필요없다.

응용제어동작
3) A실린더의 전후진 속도와 B실린더의 전후진 속도를 조절할 수 있도록 배기공기 교축(meter-out) 회로를 추가한다.

5. 답 안
가. 기본 전기회로도

나. 응용 전기회로도

다. 응용 공압회로도

'공유압 > 설비보전기사' 카테고리의 다른 글
| 전기공압 11 (설비보전기사) (0) | 2020.07.21 |
|---|---|
| 전기유압 10 (설비보전기사) (0) | 2020.07.21 |
| 전기유압 9 (설비보전기사) (0) | 2020.07.20 |
| 전기공압 9 (설비보전기사) (0) | 2020.07.20 |
| 전기유압 8 (설비보전기사) (0) | 2020.07.20 |