1. 요구사항
가~마. ~~~ 생략 ~~~
바. 유압 공급압력은 0.4MPa가(오차 +-50KPa) 되도록 한다.
2. 기본제어동작
1) 초기상태에서 시작 스위치(PB1)를 ON-OFF하면
실린더 A가 전진하고 실린더 A가 전진완료 후 실린더 B가 전진하고 실린더 B가 전진완료 후 실린더 B가 후진하고 실린더 B가 후진완료 후 실린더 A가 후진하고 실린더 A가 후진 완료하면 동작을 멈추고 정지되어야 한다.
A+ B+ B- A-
3. 응용제어동작
1) 시작스위치(PB1) 외에 스위치(PB2), 비상정지 스위치(PB3) 및 기타 부품을 추가하여 다음과 같이 동작되도록 한다.
① 후입력 우선회로를 구성하고 실린더 A가 전진 중에 스위치(PB2)를 누르면 실린더 A는 즉시 후진하고 실린더 B는 정지하여야 한다.
② 기본제어동작 상태에서 비상정지 스위치(PB3)를 한 번 누르면 동작이 즉시 정지되어야 한다.
③ 비상정지 스위치(PB3)를 해제하면 기본제어동작이 되어야 한다.
2) 실린더 A의 Rod측에 Pilot조작 Check Valve를 이용 Locking회로를 구성하고, 실린더 B의 전진속도를 meter-out 방법에 의해 조정할 수 있게 유압회로를 변경하고 전진속도는 5초가 되도록 조정한다.
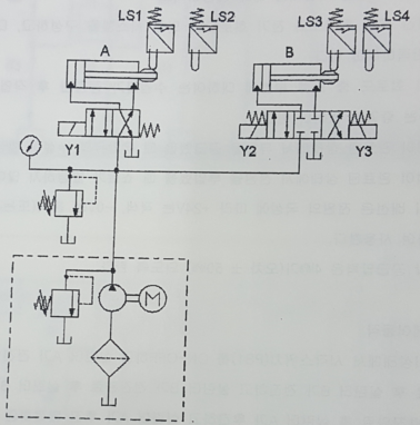
4. 도 면
가. 유압 회로도

나 전기 회로도 (오류 회로)

[ 해결하기 ]
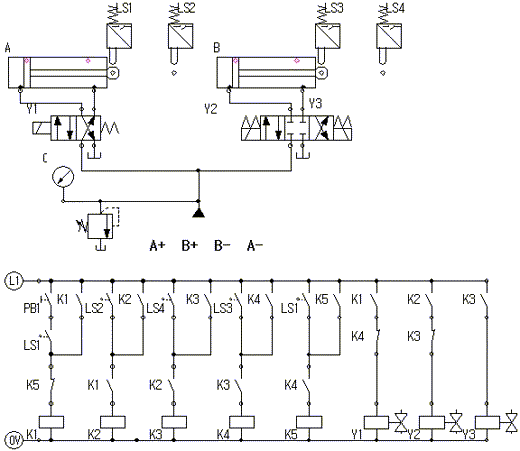
기본제어동작
1) 초기상태에서 시작 스위치(PB1)를 ON-OFF하면
실린더 A가 전진하고 실린더 A가 전진완료 후 실린더 B가 전진하고 실린더 B가 전진완료 후 실린더 B가 후진하고 실린더 B가 후진완료 후 실린더 A가 후진하고 실린더 A가 후진 완료하면 동작을 멈추고 정지되어야 한다.
A+ B+ B- A-

응용제어동작
1) 시작스위치(PB1) 외에 스위치(PB2), 비상정지 스위치(PB3) 및 기타 부품을 추가하여 다음과 같이 동작되도록 한다.
① 후입력 우선회로를 구성하고 실린더 A가 전진 중에 스위치(PB2)를 누르면 실린더 A는 즉시 후진하고 실린더 B는 정지하여야 한다.
② 기본제어동작 상태에서 비상정지 스위치(PB3)를 한 번 누르면 동작이 즉시 정지되어야 한다.
③ 비상정지 스위치(PB3)를 해제하면 기본제어동작이 되어야 한다.
*** 참고 : 인터록회로의 후입력 우선회로
응용동작 1- ①

응용동작 1-② ③

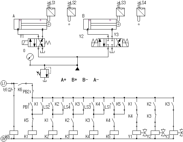
내가 풀어본 답

응용제어동작
2) 실린더 A의 Rod측에 Pilot조작 Check Valve를 이용 Locking회로를 구성하고, 실린더 B의 전진속도를 meter-out 방법에 의해 조정할 수 있게 유압회로를 변경하고 전진속도는 5초가 되도록 조정한다.
*** 로킹회로(Locking circuit) : 실린더 행정 중 임의위치의 행정단에서 실린더를 고정시킬 때 플런저 이동을 방지하는 회로
*** 유압회로의 종류 : https://m.blog.naver.com/metalzon79/221799028756

*** 참고 : 인터록 선입력 우선회로 구성

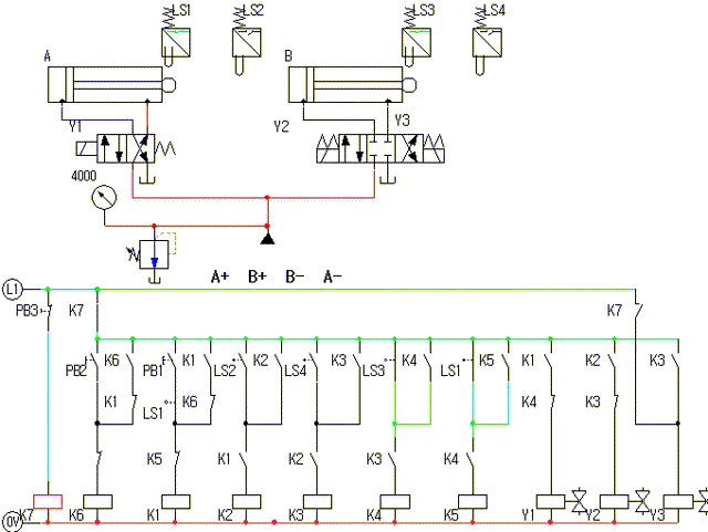
5. 답 안
가. 기본 전기회로도

나. 응용 전기회로도

다. 응용 유압회로도

'공유압 > 설비보전기사' 카테고리의 다른 글
| 전기유압 9 (설비보전기사) (0) | 2020.07.20 |
|---|---|
| 전기공압 9 (설비보전기사) (0) | 2020.07.20 |
| 전기공압 8 (설비보전기사) (1) | 2020.07.19 |
| 전기유압 7 (설비보전기사) (1) | 2020.07.18 |
| 전기공압 7 (설비보전기사) (0) | 2020.07.17 |