1. 요구사항
가~마. 생략...
바. 서비스 유닛의 공급압력은 5MPa가(오차 +-50KPa) 되도록 한다.
2. 기본제어 동작
1) 초기상태에서 PB1 스위치를 ON-OFF 하면 변위-단계선도와 같이 실린더 A가 전진하고 실린더 A가 전진완료하면 실린더 B가 전후진 완료 후 실린더 A가 후진 한다.
3. 응용제어동작
1) 전기타이머를 추가하여 다음과 같이 동작하도록 한다.
① A 실린더가 전진완료 후 5초 후에 B실린더가 전진하도록 회로를 추가한다.
2) 연속스위치와 비상스위치를 추가하여 다음과 같이 동작하도록 한다.
① 연속 스위치를 선택하면 기본제어동작이 연속 행정으로 되어야 한다.
② 연속 작업에서 비상 스위치가 동작되면 모든 실린더는 후진되어야 한다.
③ 비상스위치를 해제하면 초기상태로 되어야 한다.
3) A실린더의 전후진 속도와 B실린더의 전후진 속도를 조절할 수 있도록 배기공기 교축(meter-out)회로를 추가한다.
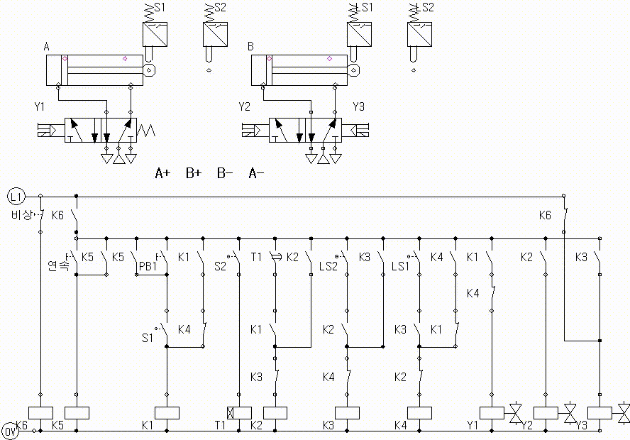
4. 도면
가. 위치도 나. 변위-단계선도

다. 공압 회로도

라. 전기 회로도

[ 해결하기 ]
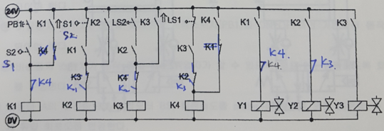
기본제어 동작
1) 초기상태에서 PB1 스위치를 ON-OFF 하면 변위-단계선도와 같이 실린더 A가 전진하고 실린더 A가 전진완료하면 실린더 B가 전후진 완료 후 실린더 A가 후진 한다
A+ B+ B- A-
답안을 참고하기 전에 풀어보았다.
동작은 잘되었으나 마지막 신호(릴레이 K4)가 살아있어서 동작완료 후 푸시버튼을 누르면 재동작이 안된다.
마지막 신호(릴레이 K4)를 어떤 신호로 끊어주어야 할까?

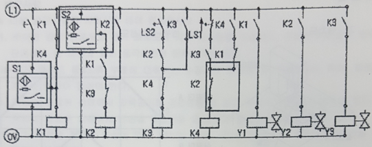
마지막 신호를 끊어주도록 회로를 다시 구성해 보았다.
릴레이 K1의 a접점을 사용하였다. 그리고 답안을 참고해 보았다.

답안을 참고하여 분석을 해 보았다.
Y1의 신호를 끊어주는 K4 b접점이 두개가 있는데 하나만 있어도 동작이 된다. 하나를 삭제한다.
마지막 신호인 K4를 끊어주는 접점은 앞단계들과 통일성을 유지하기 위해 사용하지 않은 K1 b, K2 b접점을 사용하면 될 것 같다. K1 b접점을 사용해본다. K1 a접점은삭제한다.
연두색이나 파란색 부분은 처음 동작할때 여자된 K1릴레이의 b접점으로 끊어주는 역할을 한다.
두 곳 중에 하나만 써도 동작은 된다.

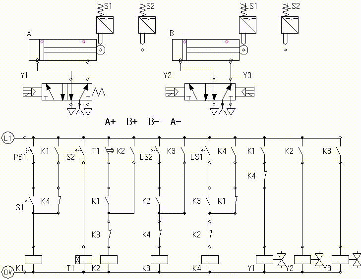
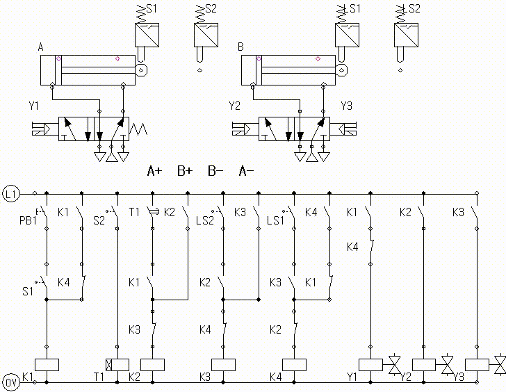
답안을 참고하여 회로도를 완성함.
K4 b접점은 아래에 위치해도 된다.
그리고 마지막 신호의 K2 b접점은 없어도 동작은 된다.

기본동작 답안

응용제어동작
1) 전기타이머를 추가하여 다음과 같이 동작하도록 한다.
① A 실린더가 전진완료 후 5초 후에 B실린더가 전진하도록 회로를 추가한다.

응용제어동작
2) 연속스위치와 비상스위치를 추가하여 다음과 같이 동작하도록 한다.
① 연속 스위치를 선택하면 기본제어동작이 연속 행정으로 되어야 한다.
② 연속 작업에서 비상 스위치가 동작되면 모든 실린더는 후진되어야 한다.
③ 비상스위치를 해제하면 초기상태로 되어야 한다.
*** 시간은 2초로 시뮬레이션 함 ***

응용제어동작
3) A실린더의 전후진 속도와 B실린더의 전후진 속도를 조절할 수 있도록 배기공기 교축(meter-out)회로를 추가한다.

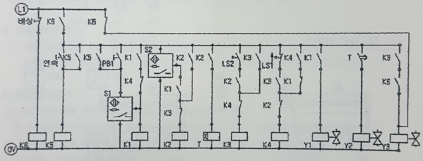
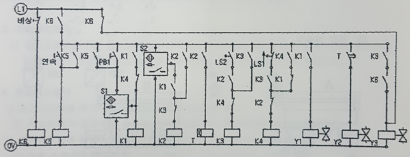
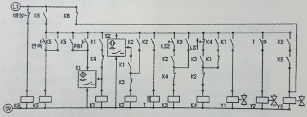
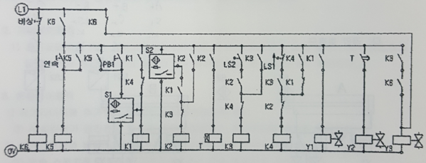
5. 답 안
가. 기본 전기회로도

나. 응용 전기회로도

다. 응용 공압회로도

'공유압 > 설비보전기사' 카테고리의 다른 글
| 전기공압 8 (설비보전기사) (1) | 2020.07.19 |
|---|---|
| 전기유압 7 (설비보전기사) (1) | 2020.07.18 |
| 전기유압 6 (설비보전기사) (0) | 2020.07.17 |
| 재미삼아 만든 설비보전동영상 낱말 퀴즈 (0) | 2020.07.16 |
| 전기공압 6 (설비보전기사) (1) | 2020.07.16 |