1. 요구사항
가~마. ~~~ 생략 ~~~
바. 유압 공급압력은 0.4MPa가(오차 +-50KPa) 되도록 한다.
2. 기본제어 동작
1) 초기상태에서 시작 스위치(PB1)를 ON-OFF하면 유압모터 A가 회전하며 동시에 실린더 B가 후진하고 실린더 B가 후진완료 후 전진한다. 실린더 B가 전진완료와 동시에 유압모터 B는 정지한다.
3. 응용제어동작
1) 조작 스위치를 추가하여 다음과 같이 동작되도록 한다.
① 조작 스위치(PB2)를 누르면 기본제어동작이 연속동작 하여야 한다.
② 조작 스위치(PB3)를 누르면 행정이 완료된 후 정지하여야 한다.
2) 유압모터의 출구측에 릴리프밸브를 설치하여 유압회로도를 변경한다.
3) 유압모터의 출구측 압력이 2MPa(20kgf/cm2)이 되도록 조정 한다.
4. 도 면
가. 변위-단계선도

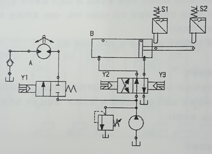
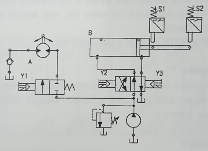
나. 유압 회로도

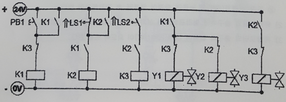
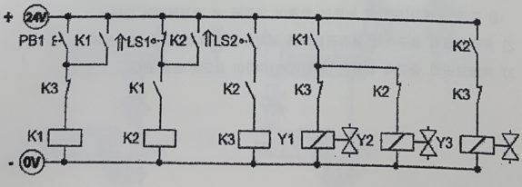
다. 전기 회로도

[ 해결하기 ]
기본제어 동작
1) 초기상태에서 시작 스위치(PB1)를 ON-OFF하면 유압모터 A가 회전하며 동시에 실린더 B가 후진하고 실린더 B가 후진완료 후 전진한다. 실린더 B가 전진완료와 동시에 유압모터 B는 정지한다.

응용제어동작
1) 조작 스위치를 추가하여 다음과 같이 동작되도록 한다.
① 조작 스위치(PB2)를 누르면 기본제어동작이 연속동작 하여야 한다.
② 조작 스위치(PB3)를 누르면 행정이 완료된 후 정지하여야 한다.

응용제어동작
2) 유압모터의 출구측에 릴리프밸브를 설치하여 유압회로도를 변경한다.

5. 답안
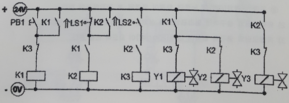
가. 기본 전기회로도

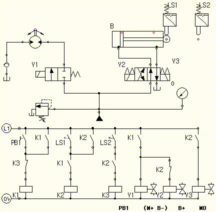
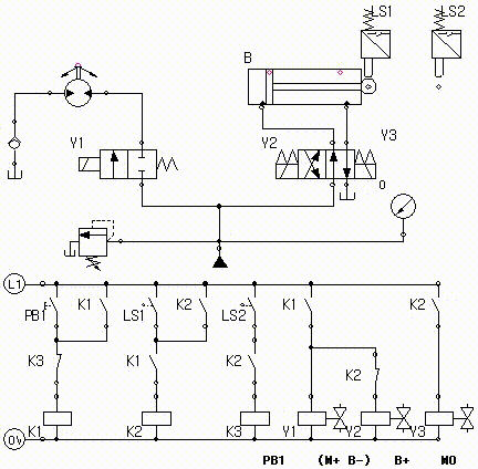
나. 응용 전기회로도

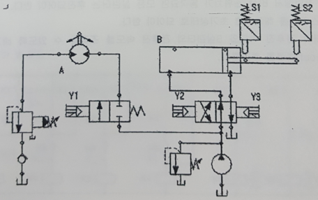
다. 응용 유압회로도

'공유압 > 설비보전기사' 카테고리의 다른 글
| 전기유압 7 (설비보전기사) (1) | 2020.07.18 |
|---|---|
| 전기공압 7 (설비보전기사) (0) | 2020.07.17 |
| 재미삼아 만든 설비보전동영상 낱말 퀴즈 (0) | 2020.07.16 |
| 전기공압 6 (설비보전기사) (1) | 2020.07.16 |
| 전기유압 5 (설비보전기사) (0) | 2020.07.13 |