1. 요구사항
가~마. 생략...
바. 서비스 유닛의 공급압력은 5MPa가(오차 +-50KPa) 되도록 한다.
2. 기본제어 동작
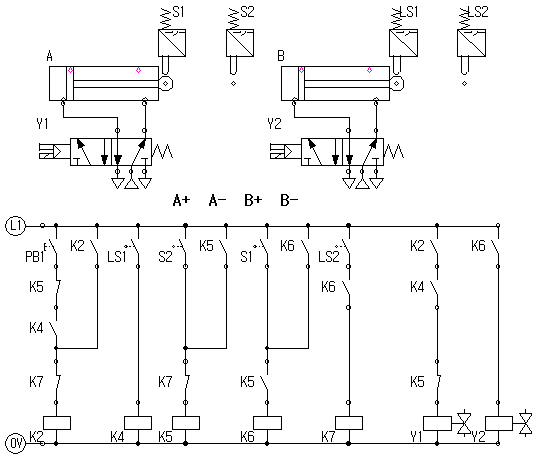
1) 공압 구성작업에서 실린더 A는 유도형 센서나 용량형 센서 또는 전기 리드 센서를 사용하고 실린더 B는 전기 리밋 스위치를 사용하여 구성하여야 한다.
2) 초기상태에서 시작 스위치(PB1)를 ON-OFF 하면 변위-단계선도와 같이 실린더 A가 전진 및 후진을 완료하고 실린더 B도 전진 및 후진 동작을 완료한다.
3. 응용제어동작
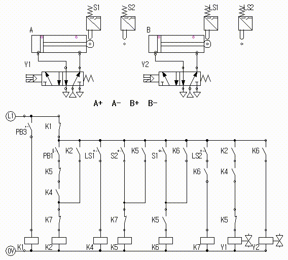
1) 비상 스위치(푸시버튼 잠금형)를 추가하여 다음과 같이 동작이 되도록 한다.
① 실린더 A, B가 전진 및 후진동작을 하더라도 비상 정지신호가 있을 때에는 모두 후진을 완료한 후 정지한다.
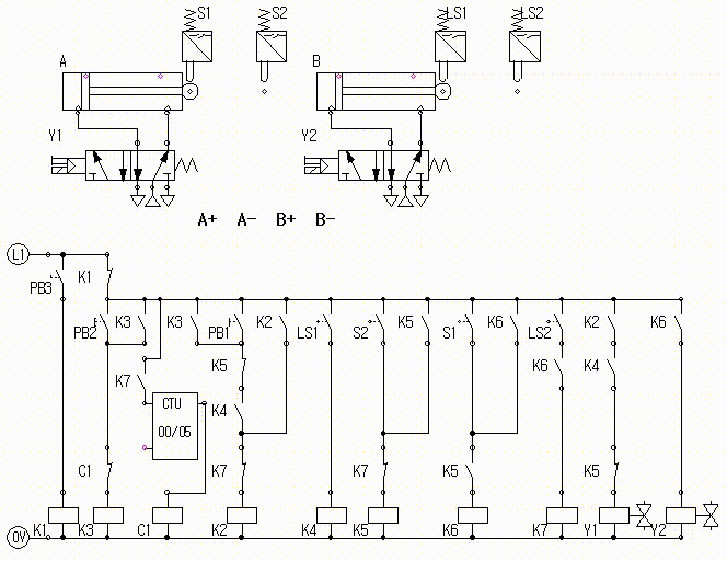
2) 기본제어 동작이 5회 연속으로 이루어진 후 정지하도록 카운터를 제어한다.
3) 5회 연속 사이클 완료 후 재작업을 하기 위해 리셋 스위치를 추가하여 다음과 같은 동작이 되도록 한다.
① 5회 연속 사이클 완료한 후 리셋 스위치를 ON-OFF하여야 재작업이 이루어지도록 한다.
4) 실린더 A, B에 일방향 유량제어밸브를 meter-out 속도제어로 추가 설치하여 실린더 A의 전진속도는 2초, 실린더 B의 후진속도는 3초가 소요 되도록 조절한다.
4. 도면
가. 위치도 나. 변위-단계선도

다. 공압회로도

라. 전기회로도

[ 해결하기 ]
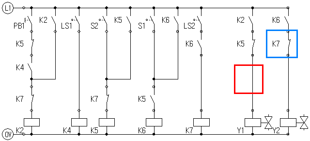
기본제어 동작
1) 초기상태에서 시작 스위치(PB1)를 ON-OFF 하면 변위-단계선도와 같이 실린더 A가 전진 및 후진을 완료하고 실린더 B도 전진 및 후진 동작을 완료한다.


응용제어동작
1) 비상 스위치(푸시버튼 잠금형)를 추가하여 다음과 같이 동작이 되도록 한다.
① 실린더 A, B가 전진 및 후진동작을 하더라도 비상 정지신호가 있을 때에는 모두 후진을 완료한 후 정지한다.


응용제어동작
2) 기본제어 동작이 5회 연속으로 이루어진 후 정지하도록 카운터를 제어한다.

응용제어동작
3) 5회 연속 사이클 완료 후 재작업을 하기 위해 리셋 스위치를 추가하여 다음과 같은 동작이 되도록 한다.
① 5회 연속 사이클 완료한 후 리셋 스위치를 ON-OFF하여야 재작업이 이루어지도록 한다.
내가 푼 답안


[ 모범 답안 ]

응용제어동작
4) 실린더 A, B에 일방향 유량제어밸브를 meter-out 속도제어로 추가 설치하여 실린더 A의 전진속도는 2초, 실린더 B의 후진속도는 3초가 소요 되도록 조절한다.
***시뮬레이션에서는 A: 4초, B: 6초로 조정

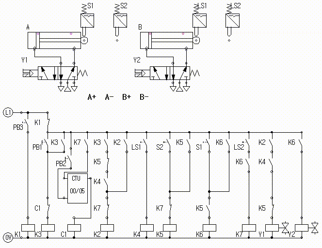
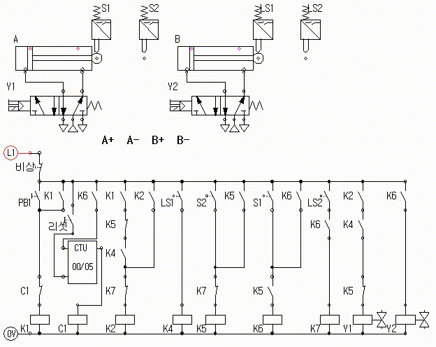
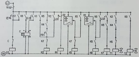
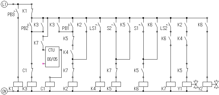
5. 답 안
가. 기본 전기회로도

나. 응용 전기회로도

다. 응용 공압회로도

'공유압 > 설비보전기사' 카테고리의 다른 글
| 전기유압 6 (설비보전기사) (0) | 2020.07.17 | 
|---|---|
| 재미삼아 만든 설비보전동영상 낱말 퀴즈 (0) | 2020.07.16 | 
| 전기유압 5 (설비보전기사) (0) | 2020.07.13 | 
| 전기공압 5 (설비보전기사) (2) | 2020.07.13 | 
| 전기유압 4 (설비보전기사) (0) | 2020.07.12 | 
