1. 요구사항
가~마. 생략...
바. 서비스 유닛의 공급압력은 5MPa가(오차 +-50KPa) 되도록 한다.
2. 기본제어 동작
1) 공압 구성작업에서 실린더 A는 유도형 센서나 용량형 센서 또는 전기 리드 센서를 사용하고 실린더 B는 전기 리밋 스위치를 사용하여 구성하여야 한다.
2) 초기상태에서 PB2 스위치를 ON-OFF한 후 PB1 스위치를 ON-OFF하면 변위-단계선도와 같이 실린더 A가 전후진한 후 실린더 B도 전진 및 후진 동작을 완료한다.
3. 응용제어동작
1) 연속 스위치를 추가하여 다음과 같이 동작이 되도록 한다.
① 연속 스위치를 선택하면 기본제어동작이 연속 행정으로 되어야 한다.
2) 비상 스위치와 램프를 추가하여 다음과 같이 동작하도록 한다.
① 연속 작업에서 비상 스위치가 동작되면 모든 실린더는 후진하며 램프가 점등되어야 한다.
② 비상스위치를 해제하면 램프가 소등된다.
3) 실린더 A의 전후진속도와 실린더 의 전후진속도가 같도록 배기공기 교축(meter-out) 방법에 의해 조정한다.
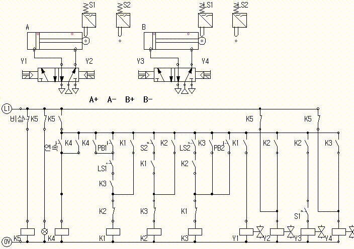
3. 도 면
가. 위치도 나. 변위-단계선도

그룹을 나누면 2번 4번으로 나눌 수 있다. 3개의 그룹이 된다.

다. 공압 회로도

라. 전기 회로도

[ 해결 하기 ]
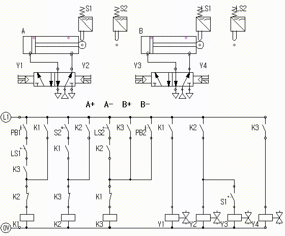
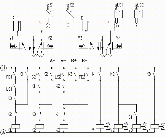
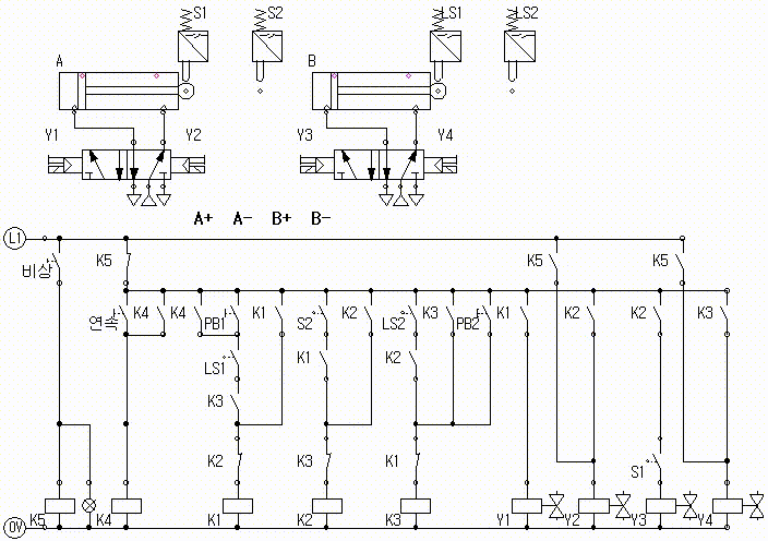
기본제어 동작
초기상태에서 PB2 스위치를 ON-OFF한 후 PB1 스위치를 ON-OFF하면 변위-단계선도와 같이 실린더 A가 전후진한 후 실린더 B도 전진 및 후진 동작을 완료한다.
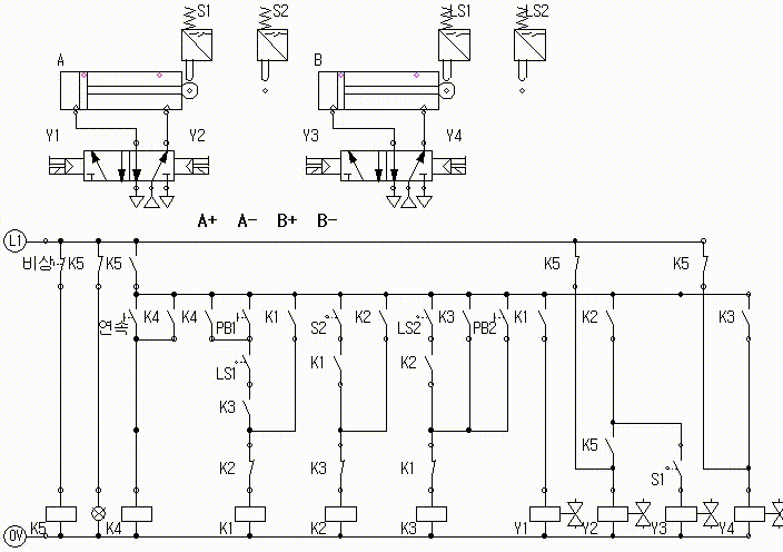
문제에 주어진 도면을 보지 않고 전기회로도를 작성해 보았다.
스테퍼 방식으로 앞단에서 여자된 릴레이의 a접점은 다음 동작의 조건으로 배치하고(파란색 화살표 부분)
다음 동작에서 여자된 릴레이 b접점은 앞단을 끊어주는 역할을 하게된다.(붉은색 화살표 부분)
그래서 아래 그림에서 솔레노이드의 전원을 끊어주는 K2, K3 b접점은 없어도 된다.
이미 전 단계에서 끊어주고 있기 때문이다.

관련된 사항을 수정하고 기본제어동작을 완성하였다.
실린더의 움직임을 천천히 하고동작 시켜본다.
릴레이 여자와 솔레노이드 동작을 주의깊게 본다.
***동작 중에 A가 후진완료(A-)하면 S1의 접점이 붙어 Y3솔레노이드를 동작시킨다.

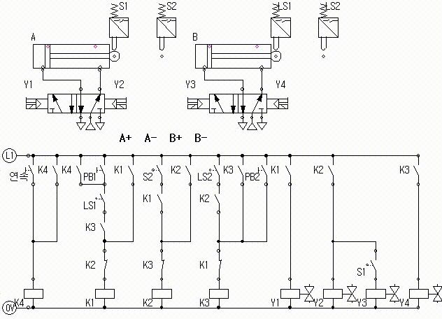
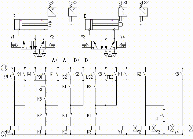
응용제어동작
1) 연속 스위치를 추가하여 다음과 같이 동작이 되도록 한다.
① 연속 스위치를 선택하면 기본제어동작이 연속 행정으로 되어야 한다.

응용제어동작
2) 비상 스위치와 램프를 추가하여 다음과 같이 동작하도록 한다.
① 연속 작업에서 비상 스위치가 동작되면 모든 실린더는 후진하며 램프가 점등되어야 한다.
② 비상스위치를 해제하면 램프가 소등된다.

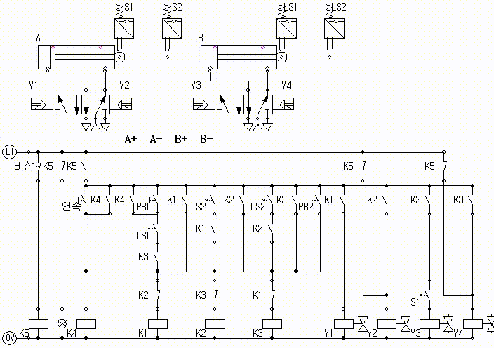
그런데 답안의 도면은 약간 다르다. 그 도면대로 시뮬레이션을 해본다.
비상정지 버튼은 b접점이 기본으로 되어 있으므로 아래와 같이 토글b접점으로 수정하고
릴레이 K5의 a접점과 b접점의 위치를 바꾸어준다.

위의 도면에서 오른쪽 부분의 회로도를 약간 수정해본다.
K2 릴레이로 Y2와 Y3를 순차적으로 동작시키는 회로에서 K2릴레이의 a접점을 따로 주었다.
이것을 오른쪽처럼 하나의 라인으로 처리하고 신호의 중복이 발생하지 않도록 중간에 K5 a 접점을 추가하였다.
두가지 모두 동작은 같다.




응용제어동작
3) 실린더 A의 전후진속도와 실린더 의 전후진속도가 같도록 배기공기 교축(meter-out) 방법에 의해 조정한다.
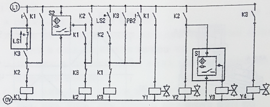
5. 답 안
가. 기본 전기회로도

나. 응용 전기회로도

다. 응용 공압회로도

'공유압 > 설비보전기사' 카테고리의 다른 글
| 전기공압 6 (설비보전기사) (1) | 2020.07.16 |
|---|---|
| 전기유압 5 (설비보전기사) (0) | 2020.07.13 |
| 전기유압 4 (설비보전기사) (0) | 2020.07.12 |
| 전기공압 4(설비보전기사) (3) | 2020.07.10 |
| 전기유압 3 (설비보전기사) (0) | 2020.07.10 |