1. 요구사항
가. 주어진 공압 회로도와 전기 회로도에 의해 시스템을 구성하고, 구성된 시스템은 변위-단계선도 및 다음과 같은 동작조건을 만족하여야 한다.
나. 전기 회로도 중 오류 부분에 대하여는 수검자가 정정한 후 작업하여야 하며, 릴레이 개수는 증감이 없어야 한다.
다. 작업이 완료된 상태에서 압축공기를 공급했을 때 공기 누설이 발생하지 않아야 한다.
라. 작업이 완료된 상태에서 전원을 투입했을 때 쇼트가 발생하지 않아야 한다.
마. 전기 배선은 전원의 극성에 따라 +24V는 적색, -0V는 청색(또는 흑색)의 리드선을 구별하여 사용한다.
바. 서비스 유닛의 공급압력은 0.5MPa가(오차 +-50KPa) 되도록 한다.
2. 기본제어 동작
1) 공압 구성작업에서 실린더 A는 유도형 센서나 용량형 센서 또는 전기 리드 센서를 사용하고 실린더 B는 전기 리밋 스위치를 사용하여 구성하여야 한다.
2) 초기상태에서 PB1 스위치를 ON-OFF 하면 변위-단계선도와 같이 실린더 A가 전진하고 실린더 A가 전진 완료하면 실린더 B가 전진 후 후진하고 실린더 A가 후진하는 동작을 연속으로 반복한다.
3) 정지스위치(PB2)를 ON-OFF하면 진행 중인 사이클을 종료한 후 정지한다.
3. 응용제어동작
1) 비상 스위치를 누르면 다음과 같이 동작한다.
① 실린더 A가 전진동작 완료 후 실린더 B가 후진한다.
(단, 실린더 A가 후진완료 상태이거나 후진 중이면 실린더 A가 전진 완료 후 실린더 B가 후진하여야 하며, 실린더 A가 전진상태이면 실린더 B는 후진한다.)
② 램프가 점등되어야 한다.
2) 비상스위치를 해제하면 다음과 같이 동작한다.
① 실린더 A가 후진한다.
② 램프가 소등되어야 한다.
3) 실린더 A의 전진속도는 2초, 실린더 B의 후진속도는 3초가 되도록 배기공기 교축(meter-out) 방법에 의해 조정된다.
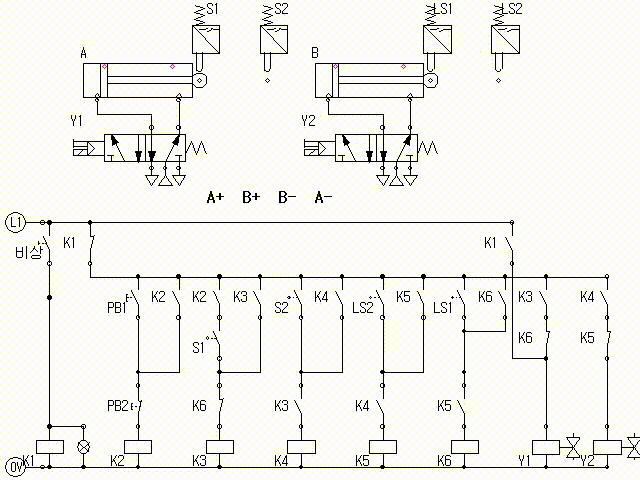
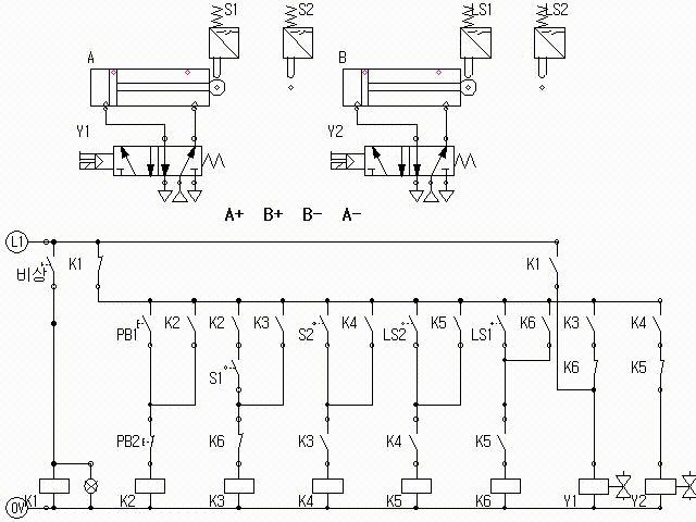
4. 도면
가. 위치도 나. 변위-단계선도

다. 공압 회로도

라. 전기 회로도

[ 해결하기 ]
기본제어동작 :
- 초기상태에서 PB1 스위치를 ON-OFF 하면 변위-단계선도와 같이 실린더 A가 전진하고 실린더 A가 전진 완료하면 실린더 B가 전진 후 후진하고 실린더 A가 후진하는 동작을 연속으로 반복한다.
PB1 A+ B+ B- A-
- 정지스위치(PB2)를 ON-OFF하면 진행 중인 사이클을 종료한 후 정지한다.


붉은색 부분은 연속동작에 관여한다.
K2릴레이를 소자하지 않는 이상 계속 여자되어 있게된다.
실린더 후진동작에 관여하는 접점은 파란색 부분이다.
1사이클 종료에 관여하는 접점은 연두색 부분의 K6 b접점이다.

응용제어동작
1) 비상 스위치를 누르면 다음과 같이 동작한다.
① 실린더 A가 전진동작 완료 후 실린더 B가 후진한다.
(단, 실린더 A가 후진완료 상태이거나 후진 중이면
실린더 A가 전진 완료 후 실린더 B가 후진하여야 하며,
실린더 A가 전진상태이면 실린더 B는 후진한다.)
② 램프가 점등되어야 한다.
회로 구성 실패함

제시된 문제를 만족하는 회로를 설계해보았다.

PH-Lap 작업파일
그런데 위와 같이 하면 비상정지 버튼을 해제했을 때 실린더 A가 후진하고 모든 동작이 멈추어야 하나
하지만 위의 회로에서는 해제를 하면 계속 진행한다. 일시정지 버튼을 누른 역할만 하고 있다.
회로를 다시 수정해야 한다.
일단 비상정지 버튼은 토글 버튼으로 변경하고 자기유지를 위한 접점은 삭제하였다.
그리고 문제를 잘 못 이해를 하고 있었다.
A실린더가 후진 중일 때 비상정지 버튼을 누르면 후진이 완료하고 전진하는 것으로 이해했으나
문제에서는 실린더 A가 후진 중일때 비상버튼을 누르면 후진을 멈추고 곧바로 전진을 한다. 실린더 A가 전진완료된 상태였을때 실린더 B는 후진상태여야 한다는 것이다.
이렇게 해서 수정된 회로도는 아래와 같이 작동한다.

응용제어동작
2) 비상스위치를 해제하면 다음과 같이 동작한다.
① 실린더 A가 후진한다.
② 램프가 소등되어야 한다.

응용제어동작
3) 실린더 A의 전진속도는 2초, 실린더 B의 후진속도는 3초가 되도록 배기공기 교축(meter-out) 방법에 의해 조정된다.
(시뮬레이션 특성상 A의 전진속도는 3초, 실린더 B의 후진속도는 4초로 조정하였다)

PH-Lap 작업파일
5. 답안
가. 기본 전기회로도

나. 응용 전기회로도

다. 응용 공압회로도

'공유압 > 설비보전기사' 카테고리의 다른 글
| 전기공압 5 (설비보전기사) (2) | 2020.07.13 |
|---|---|
| 전기유압 4 (설비보전기사) (0) | 2020.07.12 |
| 전기유압 3 (설비보전기사) (0) | 2020.07.10 |
| 전기공압 3(설비보전기사) (0) | 2020.07.08 |
| 전기유압 2 (설비보전기사) (0) | 2020.07.07 |