1. 요구사항
가~마. ~~~ 생략 ~~~
바. 유압 공급압력은 0.4MPa가(오차 +-50KPa) 되도록 한다.
2. 기본제어 동작
1) 초기상태에서 시작 스위치(PB1)를 ON-OFF하면 실린더 A가 전진하고 실린더 A가 전진완료 후 실린더 B가 전진하고 실린더 B가 전진완료 후 실린더 A가 후진하고 실린더 A가 후진완료 후 실린더 B가 후진한다.
A+ B+ A- B-
3. 응용제어동작
1) 비상정지 스위치 및 기타 부품을 추가하여 다음과 같이 동작되도록 한다.
① 기본제어동작 상태에서 비상정지 스위치(PB2)를 한번 누르면 (ON) 동작이 즉지 정지되어야 한다.
② 비상정지 스위치(PB2)를 해제하면 초기상태로 복귀하여 시작스위치(PB1)를 ON-OFF하면 기본제어 동작이 되어야 한다.
2) 비상정지 스위치가 동작 중일 때는 작업자가 알 수 있도록 램프가 점등되어야 한다.
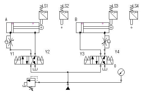
3) 실린더 A의 전진속도를 meter-in 방법에 의해 조정할 수 있게 유압회로도를 변경 조정하고, 실린더 B의 전진속도를 meter-out 방법에 의해 조정할 수 있게 유압회로도를 변경 조정한다.
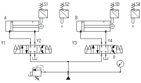
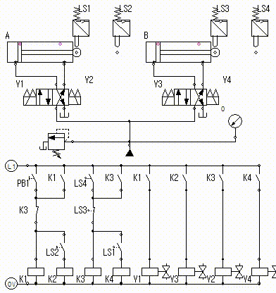
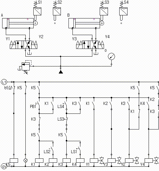
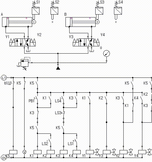
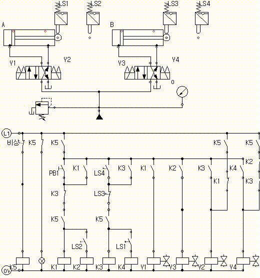
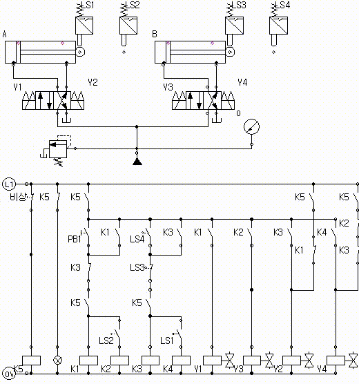
4. 도면
가) 변위-단계 선도

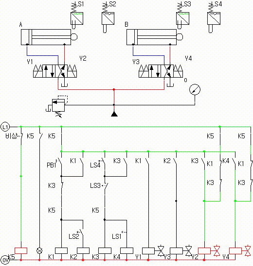
나. 유압 회로도


다. 전기 회로도

[ 해결 하기 ]
변위 단계 선도 파악하기
PB1 LS2 LS4 LS1 LS3

실린더A는 1번 3번 릴레이에 의해 전/후진을 하고
실린더B는 2번 4번 릴레이에 의해 전/후진을 한다.
*** 아래 설명은 보지 않아도 됨 (시작)
3번에 수직선을 그어 두 그룹으로 나눈다.
1개의 릴레이로 가능한데 문제에서는 4개로 되어 있다.
릴레이의 a , b접점 아래로 '변위-단계 선도'의 왼쪽 오른쪽 부분을 배치시키면 된다.
1개의 릴레이에서 4개의 릴레이로 만드는 방법은
'LS1(a) - K3릴레이'와 같은 회로를 3개를 만들어 넣어주면 된다
앞쪽에 있는 '리밋-릴레이' 회로는 아래처럼 뒤쪽 솔레노이드쪽에 와도 된다.

*** 위 설명은 보지 않아도 됨 (끝)
기본제어 동작
1) 초기상태에서 시작 스위치(PB1)를 ON-OFF하면 실린더 A가 전진하고 실린더 A가 전진완료 후 실린더 B가 전진하고 실린더 B가 전진완료 후 실린더 A가 후진하고 실린더 A가 후진완료 후 실린더 B가 후진한다.
A+ B+ A- B-

응용제어동작
1) 비상정지 스위치 및 기타 부품을 추가하여 다음과 같이 동작되도록 한다.
① 기본제어동작 상태에서 비상정지 스위치(PB2)를 한번 누르면 (ON) 동작이 즉지 정지되어야 한다.
② 비상정지 스위치(PB2)를 해제하면 초기상태로 복귀하여 시작스위치(PB1)를 ON-OFF하면 기본제어 동작이 되어야 한다.
2) 비상정지 스위치가 동작 중일 때는 작업자가 알 수 있도록 램프가 점등되어야 한다.
내가 푼 답안

모범 답안

응용제어동작
3) 실린더 A의 전진속도를 meter-in 방법에 의해 조정할 수 있게 유압회로도를 변경 조정하고, 실린더 B의 전진속도를 meter-out 방법에 의해 조정할 수 있게 유압회로도를 변경 조정한다.

5. 답 안



'공유압 > 설비보전기사' 카테고리의 다른 글
| 재미삼아 만든 설비보전동영상 낱말 퀴즈 (0) | 2020.07.16 |
|---|---|
| 전기공압 6 (설비보전기사) (1) | 2020.07.16 |
| 전기공압 5 (설비보전기사) (2) | 2020.07.13 |
| 전기유압 4 (설비보전기사) (0) | 2020.07.12 |
| 전기공압 4(설비보전기사) (3) | 2020.07.10 |