1. 요구사항
가~마. ~~~ 생략 ~~~
바. 유압 공급압력은 4MPa가(오차 ±50KPa) 되도록 한다.
2. 기본제어 동작
1) 초기상태에서 시작 스위치(PB1)를 ON-OFF하면 실린더 A가 전진하고 실린더 A가 전진완료 후 실린더 B가 전진하며 실린더 B가 전진완료 후 실린더 A가 후진하고 실린더 A가 후진완료 후 실린더 B가 후진한다.
PB1 -> A+ B+ A- B-
3. 응용제어동작
1) 조작 스위치를 추가하여 다음과 같이 동작되도록 한다.
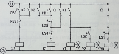
① 조작 스위치(PB2)를 누르면 기본제어 동작이 연속동작 하여야 한다.
② 조작 스위치(PB3)를 누르면 행정이 완료된 후 정지하여야 한다.
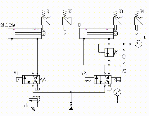
2) 실린더 B의 로드측이 하중에 의하여 종속된 상태로 낙하하지 않도록 카운터밸런스 밸브를 부착한다. 카운터 밸런스 밸브의 압력은 3 MPa(30kgf/㎠)로 설정하고, 압력계를 설치하여 확인한다.
4. 도면
가) 변위-단계선도

A - 1 (4)
B - 2, 3
주어진 도면이 케스케이드 회로로 되어 있기 때문에 '변위-단계선도'의 3번 라인에 수직으로 선을 그어서 2그룹으로 나눌 수 있다. 케스케이드회로에서 그룹이란 하나의 큰 동작을 말한다.
예를 들면 릴레이 K1의 a접점과 b접점을 각 각 배치하고 두 접점들 밑으로 다른 동작을 귀속시키는 경우가 있을 것이다.
기본개념은 아래와 같은 형태이다.


한 그룹에는 실린더 A나 B의 동작이 한 번씩만 들어간다.
(A+ B+) + (A- B-) (가능)
(A+ B+ A-) + (B-) (불가능)
카운터밸런스 회로구성
https://www.youtube.com/watch?v=5WZXb0eNJso&t=15s
https://www.youtube.com/watch?v=3zZszkl5nXg&t=6s
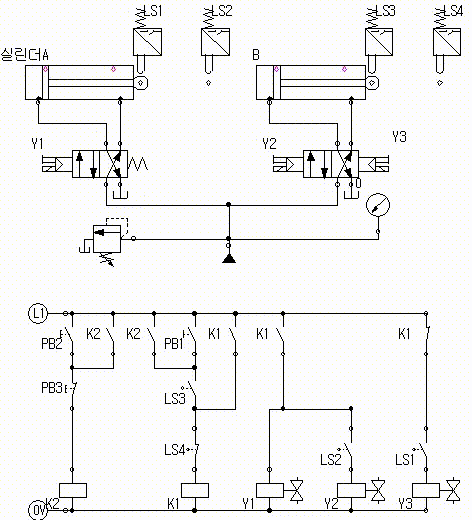
나) 유압 회로도

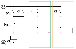
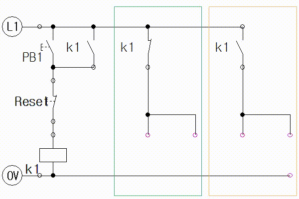
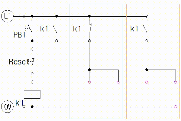
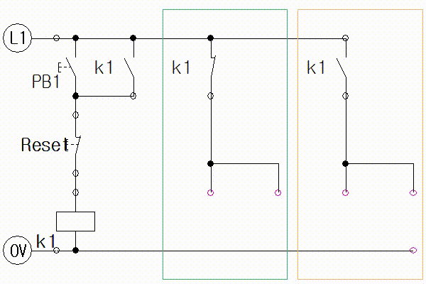
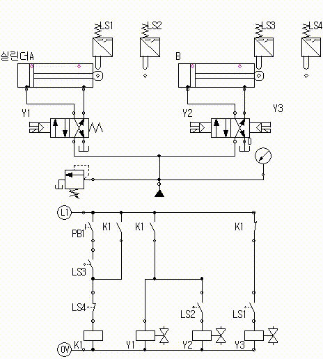
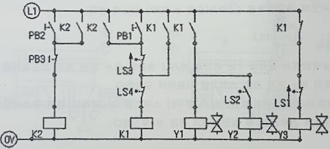
나) 전기 회로도 (오류도면)
PB1 -> A+B+ A- B-

[ 해결 하기 ]
기본제어 동작 :
초기상태에서 시작 스위치(PB1)를 ON-OFF하면 실린더 A가 전진하고 실린더 A가 전진완료 후 실린더 B가 전진하며 실린더 B가 전진완료 후 실린더 A가 후진하고 실린더 A가 후진완료 후 실린더 B가 후진한다.
PB1 -> A+ B+ A- B-

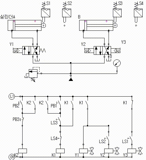
응용제어동작 (1) : 조작 스위치를 추가하여 다음과 같이 동작되도록 한다.
① 조작 스위치(PB2)를 누르면 기본제어 동작이 연속동작 하여야 한다.
② 조작 스위치(PB3)를 누르면 행정이 완료된 후 정지하여야 한다.

응용제어동작 (2) :
실린더 B의 로드측이 하중에 의하여 종속된 상태로 낙하하지 않도록 카운터밸런스 밸브를 부착한다. 카운터 밸런스 밸브의 압력은 3 MPa(30kgf/㎠)로 설정하고, 압력계를 설치하여 확인한다.

5. 답 안
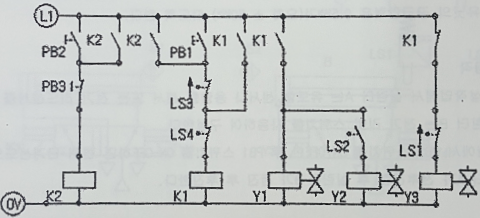
가. 기본전기회로도

나. 응용 전기회로도

다. 응용 유압회로도

'공유압 > 설비보전기사' 카테고리의 다른 글
| 전기유압 5 (설비보전기사) (0) | 2020.07.13 |
|---|---|
| 전기공압 5 (설비보전기사) (2) | 2020.07.13 |
| 전기공압 4(설비보전기사) (3) | 2020.07.10 |
| 전기유압 3 (설비보전기사) (0) | 2020.07.10 |
| 전기공압 3(설비보전기사) (0) | 2020.07.08 |