1. 요구사항
가. 주어진 공압 회로도와 전기 회로도에 의해 시스템을 구성하고, 구성된 시스템은 변위-단계선도 및 다음과 같은 동작조건을 만족하여야 한다.
나. 전기 회로도 중 오류 부분에 대하여는 수검자가 정정한 후 작업하여야 하며, 릴레이 개수는 증감이 없어야 한다.
다. 작업이 완료된 상태에서 압축공기를 공급했을 때 공기 누설이 발생하지 않아야 한다.
라. 작업이 완료된 상태에서 전원을 투입했을 때 쇼트가 발생하지 않아야 한다.
마. 전기 배선은 전원의 극성에 따라 +24V는 적색, -0V는 청색(또는 흑색)의 리드선을 구별하여 사용한다.
바. 서비스 유닛의 공급압력은 0.5MPa가(오차 ±50KPa) 되도록 한다.
2. 기본제어 동작
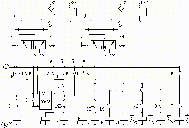
1) 공압 구성작업에서 실린더 A는 유도형 센서나 용량형 센서 또는 전기 리드 센서를 사용하고 실린더 B는 전기 리밋 스위치를 사용하여 구성하여야 한다.
2) 초기상태에서 PB1 스위치를 누르면(ON)
실린더 A가 전진하고 실린더 A가 전진완료하면 실린더 B가 전진하고 실린더 B가 전진완료하면 실린더 B가 후진하고 실린더 B가 후진완료하면 실린더 A가 후진하고 실린더 A가 후진완료하면 동작을 멈추고 정지한다.
3. 응용제어동작
1) 기존 회로에 타이머를 사용하여 다음과 같이 동작되도록 한다.
① 실린더 B가 전진 완료 후 3초 후에 후진하고 실린더 B가 후진 완료 후 실린더 A가 후진 완료하고 정지한다.
2) 현재의 시작 스위치(PB1) 외에 연속시작 스위치와 카운터를 사용하여 연속 사이클 회로(반드시 회로를 구성하고 잠금장치 스위치는 사용불가)를 구성하여 다음과 같이 동작되도록 한다.
① 연속시작 스위치를 누르면 연속 사이클로 계속 동작 한다.
② 연속 사이클 횟수를 3회로 설정하고 그 사이클이 완료된 후 정지하여야 한다.
3) 실린더 A, B의 전진 속도는 5초가 되도록 배기교축(meter-out)회로를 구성하여 조정한다.
4) 실린더 A의 후진속도를 조절하기 위한 meter-out회로를 구성한다.
4. 도면
가. 위치도 나. 변위-단계선도

다. 공압 회로도

이 회로는 케스케이드 회로이다.

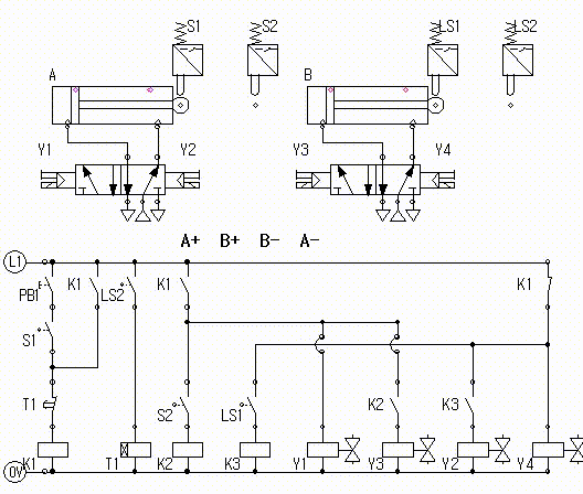
라. 전기 회로도 (오류 회로도)


[ 해결하기 ]
위의 회로도는 릴레이 K1의 a접점과 b접점을 이용해서 동작을 시키게 된다.
센서1(S1)은 동작의 시작에 관여하고 자기유지를 위해 필요한 접점이다.
리밋스위치2(LS2)는 릴레이 K1의 a접점과 b접점에 연결된 동작을 제어하게 된다.
기본제어 동작 :
초기상태에서 PB1 스위치를 누르면(ON) 실린더 A가 전진하고
실린더 A가 전진완료하면 실린더 B가 전진하고
실린더 B가 전진완료하면 실린더 B가 후진하고
실린더 B가 후진완료하면 실린더 A가 후진하고
실린더 A가 후진완료하면 동작을 멈추고 정지한다.
A+ B+ B- A- Stop
회로도가 복잡해 보이지만 전진(A+ B+)과 후진(A- B-)의 두 단계로 살펴보자
먼저 전진(A+ B+)동작을 알아본다. 회로도를 구성하면 아래와 같다.
전진에 관계된 요소는
릴레이 K1와 K1 a접점에 의한 실린더 A전진
센서 S2 a접점과 릴레이 K2와 K2 a접점에 의한 실린더 B전진
그리고 모든 전진을 끊어주는 리밋스위치LS2 a접점이다.
.

이번에는 실린더 후진제어 동작을 알아본다.
후진에 관계된 요소는
오른쪽 상단에 있는 K1 b접점에 의한 실린더 B후진
리밋스위치LS1 a접점, 릴레이 K3와 K3 a접점에 의한 실린더 A후진이다.

PH-Lap 작업파일
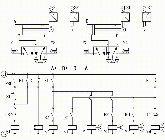
응용제어 동작 1 :
① 실린더 B가 전진 완료 후 3초 후에 후진하고 실린더 B가 후진 완료 후 실린더 A가 후진 완료하고 정지한다.

모범답안

PH-Lap 작업파일
응용제어 동작 2 :
현재의 시작 스위치(PB1) 외에 연속시작 스위치와 카운터를 사용하여 연속 사이클 회로(반드시 회로를 구성하고 잠금장치 스위치는 사용불가)를 구성하여 다음과 같이 동작되도록 한다.
① 연속시작 스위치를 누르면 연속 사이클로 계속 동작 한다.
② 연속 사이클 횟수를 5회로 설정하고 그 사이클이 완료된 후 정지하여야 한다.
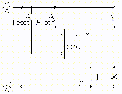
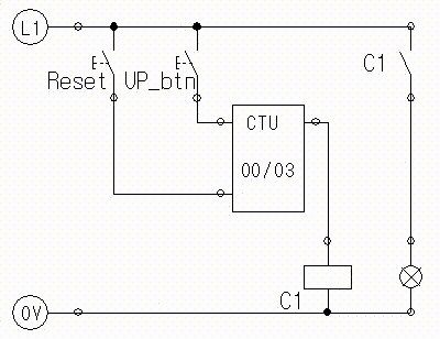
카운터 릴레이에 대해 알아보자.
PH-Lab에서 카운터는 아래와 같이 쓰인다.
CTU의 왼쪽 위는 카운트를 업시키는 접점과 연결되고
CTU의 왼쪽 아래는 카운트를 리셋 시키는 접점과 연결된다.
그리고 카운트가 설정치와 같아지면 카운터 릴레이 (C1)을 여자시키게 된다.
아래쪽 답안에 있는 카운터의 회로와는 조금 차이가 있을 수 있다.
정답에 있는 카운트는 리셋을 시키지 않고 설정한 값이 되면 연속회로를 끊어주는 역할을 하는 듯하다.

reset 버튼은 문제에 따라서 설치하지 않아도 된다.
아래 문제를 실제로 결선할 때 리셋을 하지 않아도 동작한다.
따라서 아래쪽 reset을 시켜주는 C1은 설치하지 않아도 된다.
다만 프로그램 특성성 끊어주어야 하기 때문에 접점을 붙여 주었다.

PH-Lap 작업파일
응용제어 동작 3~4 :
실린더 A, B의 전진 속도는 5초가 되도록 배기교축(meter-out)회로를 구성하여 조정한다.
실린더 A의 후진속도를 조절하기 위한 meter-out회로를 구성한다.

5. 답 안
가. 기본 전기회로도

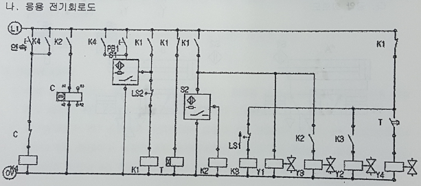
나. 응용 전기회로도

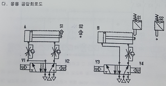
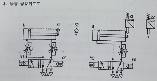
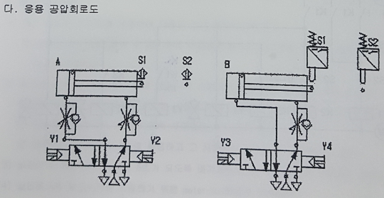
다. 응용 공압회로도

'공유압 > 설비보전기사' 카테고리의 다른 글
| 전기공압 4(설비보전기사) (3) | 2020.07.10 |
|---|---|
| 전기유압 3 (설비보전기사) (0) | 2020.07.10 |
| 전기유압 2 (설비보전기사) (0) | 2020.07.07 |
| 전기공압 2 (설비보전기사) (1) | 2020.07.06 |
| 전기유압 1 (설비보전기사) (0) | 2020.06.13 |