1. 요구사항
가. 주어진 유압 회로도와 전기 회로도에 의해 시스템을 구성하고, 다음과 같은 동작조건을 만족하여야 한다.
나. 전기 회로도 중 오류 부분에 대하여는 수검자가 정정한 후 작업하여야 하며, 릴레이 개수는 증감이 없어야 한다.
다. 작업이 완료된 상태에서 유압을 공급했을 때 유압유의 누설이 발생하지 않아야 한다.
라. 작업이 완료된 상태에서 전원을 투입했을 때 쇼트가 발생하지 않아야 한다.
마. 전기 배선은 전원의 극성에 따라 +24V는 적색, -0V는 청색(또는 흑색)의 리드선을 구별하여 사용한다.
바. 유압 공급압력은 4MPa가(오차 ±50KPa) 되도록 한다.
2. 기본제어 동작
1) 초기상태에서 시작 스위치(PB1)를 ON-OFF하면 실린더 A가 전진하고 실린더 A가 전진완료 후실린더 B가 전진 및 후진완료하고 실린더 A가 후진한다.
3. 응용제어동작
1) 조작 스의치를 추가하여 다음과 같이 동작되도록 한다.
① 조작 스위치(PB2)를 누르면 기본제어 동작이 연속동작 하여야 한다.
② 조작 스위치(PB3)를 누르면 행정이 완료된 후 정지하여야 한다.
2) 실린더 B측 압력라인(P)에 감압밸브를 설치하여 유압회로도를 변경하고, 감압밸브의 압력은 2 MPa(20kgf/㎠)이 되도록 조정 한다.
4. 도면
가) 유압 회로도


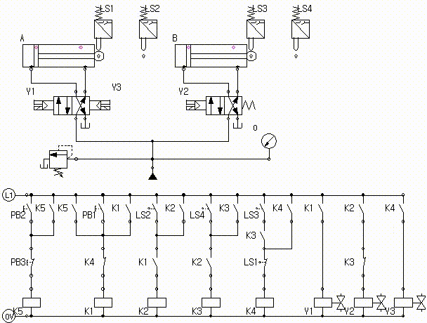
나) 전기 회로도 (오류도면)

A+ B+ B- A-
A+ B+ B- A-
변위단계선도를 그려놓는다.
[ 해결하기 ]
기본제어 동작 :
초기상태에서 시작 스위치(PB1)를 ON-OFF하면 실린더 A가 전진하고 실린더 A가 전진완료 후실린더 B가 전진 및 후진완료하고 실린더 A가 후진한다.
PH-Lab에서 전기회로도를 그리는 나만의 방법이다.
먼저 릴레이와 솔밸브를 배치하고
릴레이에는 자기유지 접점을 걸어주고 스테퍼 방식으로 이전 릴레이 접점(a or b)이 다음 단계에서 사용한다.
솔레노이드 밸브에는 기본적으로 a접점을 배치한다.

그리고 Shift를 누르고 아래의 요소를 선택하고 복사해서 붙여넣기를 하면 빠르게 회로도를 그릴 수 있다.

그런 다음 회로도에서 동작 순서대로 리밋 스위치나 접점을 배치한다.
동작 순서(A+ B+ B- A-)에서 A+ B+ B- 까지 구현해본다.


스토퍼 방식을 이루는 접점의 배치방식 중에 아래처럼 a접점이 위치에 있는 경우와

a접점(K3)이 아래 그림의 파란색 화살표 지점인 자기유지 안쪽으로 들어가고
릴레이 바로 위에는 b접점이 놓이게 된다.
이 b접점은 K4의 다음 단계에 해당하는 접점이 와야 한다. 다음 동작단계를 보면
K4가 여자되어서 b접점은 모든 접점을 끊어버리고 a접점은 실린더 A를 후진시켜서 LS1의 접점이 붙게 된다.
그래서 이 자리에는 LS1의 b접점이 오게 된다.


유압은 동작이 완료될때까지 끊어주면 안된다.
그래서 A 실린더가 후진 완료된 다음에 LS1으로 K4를 끊어주어야 한다.
LS1 : 동작이 완료되었다는 신호를 받아오는 놈.

PH-Lab 작업파일
마지막 동작을 보면
릴레이가 차례대로 여자되는 스테퍼 방식으로 진행된다.
릴레이 K4가 여자되는 시점에 앞단계의 릴레이는 모두 소자된다.
릴레이 K4가 여자되는 시점에 실린더 A는 후진을 한다.
후진완료후에 LS1접점이 붙어 K4까지 소자시킨다.
그래서 이 회로에서는 초기상태에 여자된 곳이 한 곳도 없다는 특징이 있다.
응용제어동작
① 조작 스위치(PB2)를 누르면 기본제어 동작이 연속동작 하여야 한다.
PB2 아래에는 연속동작을 끝어주기 위한 B접점을 배치하였다. 그냥 선으로 연결해도 된다. 

PH-Lab 작업파일
응용제어동작
② 조작 스위치(PB3)를 누르면 행정이 완료된 후 정지하여야 한다.
연속동작을 끊어주는 위치에 스위치(NC형)을 배치한다.

PH-Lab 작업파일
응용제어동작 3
실린더 B측 압력라인(P)에 감압밸브를 설치하여 유압회로도를 변경하고, 감압밸브의 압력은 2 MPa(20kgf/㎠)이 되도록 조정 한다.

PH-Lab 프로그램 작업파일
5. 답 안
가) 기본 전기회로도

나) 응용 전기회로도

다) 응용 유압회로도

'공유압 > 설비보전기사' 카테고리의 다른 글
| 전기유압 3 (설비보전기사) (0) | 2020.07.10 | 
|---|---|
| 전기공압 3(설비보전기사) (0) | 2020.07.08 | 
| 전기공압 2 (설비보전기사) (1) | 2020.07.06 | 
| 전기유압 1 (설비보전기사) (0) | 2020.06.13 | 
| 전기공압 1 (설비보전기사) (5) | 2020.06.13 |