1. 요구사항
가. 주어진 공압 회로도와 전기 회로도에 의해 시스템을 구성하고, 구성된 시스템은 변위-단계선도 및 다음과 같은 동작조건을 만족하여야 한다.
나. 전기 회로도 중 오류 부분에 대하여는 수검자가 정정한 후 작업하여야 하며, 릴레이 개수는 증감이 없어야 한다.
다. 작업이 완료된 상태에서 압축공기를 공급했을 때 공기 누설이 발생하지 않아야 한다.
라. 작업이 완료된 상태에서 전원을 투입했을 때 쇼트가 발생하지 않아야 한다.
마. 전기 배선은 전원의 극성에 따라 +24V는 적색, -0V는 청색(또는 흑색)의 리드선을 구별하여 사용한다.
바. 서비스 유닛의 공급압력은 0.5MPa가(오차 +-50KPa) 되도록 한다.
2. 기본제어 동작
1) 초기상태에서 시작 스위치(PB1)를 ON-OFF하면 변위-단계선도와 같이 실린더 A가 전진 운동하고 운동을 완료하면 실린더 B가 전진 운동한다.
2) 후진 운동은 실린더 B가 후진운동을 완료한 후 실린더 A가 후진한다.
3. 응용제어동작
1) 실린더 B는 전진운동을 완료하고 3초 후 후진운동 하여야 한다.
2) 실린더 A의 전진운동 속도와 실린더 B의 전진운동 속도를 모두 배기공기교축(meter-out) 방법으로 조절할 수 있어야 한다. 이 때 실린더 A의 후진운동 속도는 급속배기밸브를 설치하여 가능한 빠른 속도로 작동하여야 한다.
3) 초기상태에서 PB1 스위치를 ON-OFF하면 기본제어동작의 사이클을 연속으로 연속으로 반복하여 작업할 수 있어야 하며, 사이클의 정지는 사이클을 3회 반복한 후 정지하여야 한다. 시작 스위치(PB1)을 다시 ON-OFF하면 스위치를 누르는 것만으로 같은 작업이 반복되어야 한다. 단, 작업 중에는 이를 표시하는 램프가 점등될 수 있어야 한다.
4. 도 면
가. 위치도 나. 변위-단계선도

다. 공압 회로도

라. 전기 회로도 (틀린 회로도)

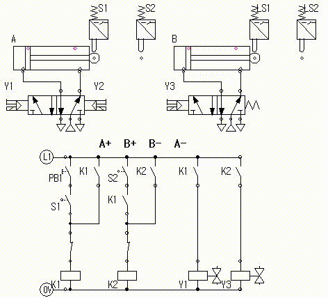
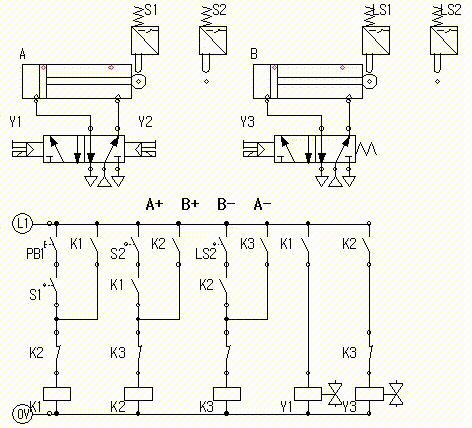
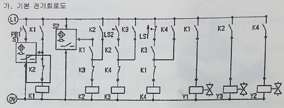
결론이 되는 설명부터 하자면
동작시 릴레이 접점은 다음동작에 관계된 릴레이를 여자시키는 역할을 하고 (붉은색 부분)
동시에 이전 동작의 릴레이를 소자시키는 역할을 스텝방식으로 한다. (파란색 부분)
*** Y3솔레노이드의 K3 b접점은 넣지 않아도 동작된다. ***
전진 동작부터 알아본다.
A+ B+
스테퍼회로 처럼 K1릴레이의 a접점이 다음 단계에서 쓰이고 있다.
같은 방식으로 K2릴레이의 a접점도 다음 단계에서 쓰일 것이다.
현재 전진 동작이 모두 완료되었으므로 후진 동작을 위한 접점이 필요하다.
그래서 b접점들을 아래와 같이 배치되었다.
첫번째 라인에는 k1은 올수 없고 k2~ 이후에 것이 올 수 있다.
일단 여기까지...

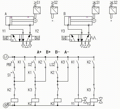
다음은 ' A+ B+ B- ' 동작을 알아본다.
스테퍼 방식으로 K2의 a접점이 이용될 것이다.
K2의 a접점을 이용해서 릴레이 K3가 여자된다.
릴레이 K3의 b접점은 편솔(Y3)의 신호를 끊어주어 실린더 B가 후진하도록 한다.
실린더 B가 후진하면 리밋스위치 LS1의 접점이 붙어서 신호가 발생할 것이다.
*** 마지막의 K3 b접점은 넣지 않아도 동작된다. ***

다음은 ' A+ B+ B- A- ' 동작을 알아본다.
실린더 B가 후진해서 리밋스위치 LS1의 접점이 붙어서 신호가 발생한다.
K3 a접점과 LS1의 접점이 붙어 릴레이 K4가 여자된다.
릴레이 K4의 a접점이 붙어 A실린더가 후진한다.
*** Y3솔레노이드의 K3 b접점은 넣지 않아도 동작된다. ***

위의 회로도에서 동작의 결과는 A+ B+ B- A-를 만족한다.
다만 다시 PB1을 누르면 실린더 A가 전진하지 않는다.
마지막 K4릴레이가 여자되어 실린더에 후진 신호를 보내고 있기 때문이다.
그래서 K4릴레이를 소자시키기 위해 PB1을 누를때 여자되는 K1릴레이 b접점을 배치한다.
여기까지 하면 단속동작이 완료된다.

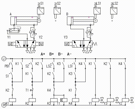
PH-Lab 작업파일 (기본)
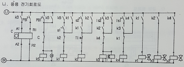
응용동작 1번 :
실린더 B는 전진운동을 완료하고 3초 후 후진운동 하여야 한다.
실린더 B는 전진운동을 완료하면 일단 LS2의 접점이 붙는다.
LS2의 접점이 붙는곳의 릴레이(K3)를 찾아서 타이머(T1)을 병렬로 연결한다.
그리고 타이머의 접점을 이용해서 제어를 해야 하는데 결론을 말하자면 K3가 하는 역할을 타이머가 이어 받는다고 생각하면 좋다.
왜냐하면 기존의 B실린더 후진 동작에 관여하고 있는 것이 K3 릴레이이기 때문에
K3 릴레이의 접점만 3초간 딜레이 시켜주면 되기 때문이다.
그래서 아래의 회로도에서 K3 접점들을 타이머 접점으로 교체를 해주거나 필요가 없을 때에 삭제를 해주면 된다.
K2 릴레이의 K3 b접점을 타이머 한시접점(NC)으로 교체해준다.
*** Y3솔레노이드의 K3 b접점은 넣지 않아도 동작되기 때문에 삭제를 해준다. ***


PH-Lab 작업파일 (타이머 3초) : A+ B+ T3s B- A-
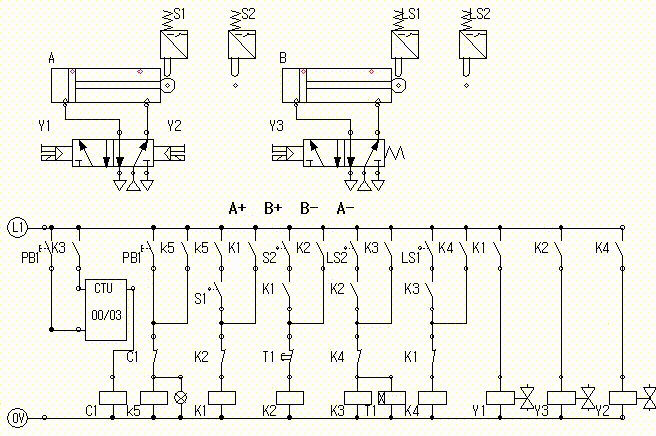
응용제어동작
2) 실린더 A의 전진운동 속도와 실린더 B의 전진운동 속도를 모두 배기공기교축(meter-out) 방법으로 조절할 수 있어야 한다. 이 때 실린더 A의 후진운동 속도는 급속배기밸브를 설치하여 가능한 빠른 속도로 작동하여야 한다.

PH-Lab 작업파일
응용제어동작
3) 초기상태에서 PB1 스위치를 ON-OFF하면 기본제어동작의 사이클을 연속으로 연속으로 반복하여 작업할 수 있어야 하며, 사이클의 정지는 사이클을 3회 반복한 후 정지하여야 한다. 시작 스위치(PB1)을 다시 ON-OFF하면 스위치를 누르는 것만으로 같은 작업이 반복되어야 한다. 단, 작업 중에는 이를 표시하는 램프가 점등될 수 있어야 한다.
*** 카운터 리셋은 PB1 버튼으로 대체함.
- 카운터를 이용하여 3회 왕복이 끝나면 동작이 정지하는 회로를 구성한다.
- 카운터에 연결된 PB1을 누르면 카운터가 리셋이 된다.
- 이 프로그램에서는 다시 재시작 하기 위해서는 왼쪽 PB1을 눌러 초기화하고
오른쪽 PB1을 모두 눌러야 한다.
실제 회로를 구성하게 되면 PB1은 시작과 카운터에 병렬로 연결되어 있게 된다.
그래서 PB1을 눌르면 카운터가 초기화되고 동작이 시작된다.
- 램프는 연속동작을 제어하는 K5에 병렬로 연결시켜 놓았다.

PH-Lab 작업파일
5. 답 안
가. 기본 전기회로도

나. 응용 전기회로도

다. 응용 공압회로도

'공유압 > 설비보전기사' 카테고리의 다른 글
| 전기공압 3(설비보전기사) (0) | 2020.07.08 | 
|---|---|
| 전기유압 2 (설비보전기사) (0) | 2020.07.07 | 
| 전기유압 1 (설비보전기사) (0) | 2020.06.13 | 
| 전기공압 1 (설비보전기사) (5) | 2020.06.13 | 
| [기계설비유지관리자격증] 설비보전기사 관련 기사, 게시물 (0) | 2020.06.06 | 
