1. 요구사항
가. 주어진 공압 회로도와 전기 회로도에 의해 시스템을 구성하고, 구성된 시스템은 변위-단계선도 및 다음과 같은 동작조건을 만족하여야 한다.
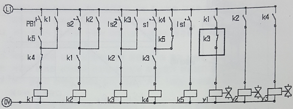
나. 전기 회로도 중 오류 부분에 대하여는 수검자가 정정한 후 작업하여야 하며, 릴레이 개수는 증감이 없어야 한다.
다. 작업이 완료된 상태에서 압축공기를 공급했을 때 공기 누설이 발생하지 않아야 한다.
라. 작업이 완료된 상태에서 전원을 투입했을 때 쇼트가 발생하지 않아야 한다.
마. 전기 배선은 전원의 극성에 따라 +24V는 적색, -0V는 청색(또는 흑색)의 리드선을 구별하여 사용한다.
바. 서비스 유닛의 공급압력은 0.5MPa가(오차 +-50KPa) 되도록 한다.
2. 기본제어 동작
1) 초기상태에서 PB1 스위치를 ON-OFF 하면 실린더 A가 전진하고 실린더 A가 전진 완료하면 실린더 B가 전진하고 실린더 B가 전진 완료하면 실린더 A가 후진하고 실린더 A가 후진 완료하면 실린더 B가 후진하고 실린더 B가 후진완료하면 동작을 멈추고 정지한다.
3. 응용제어동작
1) 타이머를 사용하여 다음과 같이 동작되도록 한다.
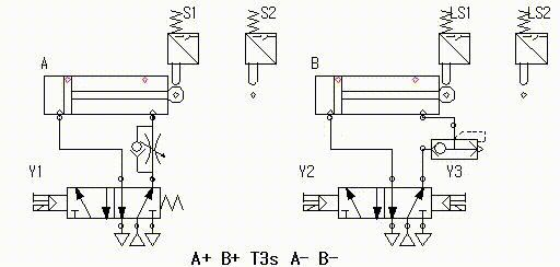
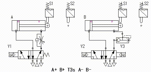
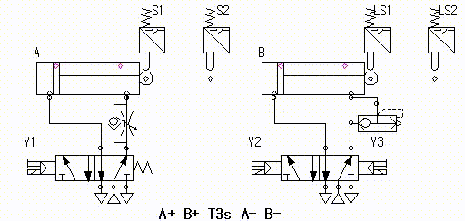
① 실린더 A가 전진 완료 후 실린더 B가 전진하여 실린더 B가 전진 완료 후 3초 후에 실린더 A가 후진하고 실린더 A가 후진 완료 후 실린더 B가 후진 완료하고 정지한다. (A+ B+ T3s A- B-)
2) 현재의 PB1 스위치 외에 연속시작 스위치와 정지 스위치 그리고 기타 부품을 사용하여 연속 사이클(반복 자동행정) 회로를 구성하여 다음과 같이 동작되도록 한다.
① 연속시작 스위치를 누르면 연속 사이클(반복 자동행정)로 계속 동작 한다.
② 정지 스위치를 누르면 연속 사이클(반복 자동행정)의 어떤 위치에서도 그 사이클이 완료된 후 정지하여야 한다.(연속, 정지 스위치는 주어진 어떤 형식의 스위치를 사용하여도 가능하다.)
3) 실린더 A의 전진 속도는 5초가 되도록 배기공기 교축(meter-out)회로를 구성하여 조정하고, 실린더 B의 전진속도를 가능한 빠르게 하기 위하여 급속배기밸브를 사용한다.
4. 도 면
가. 위치도 나. 변위-단계선도

다. 공압 회로도

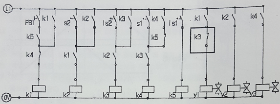
라. 전기 회로도 (오류 회로도)

지문에서 요구하는 동작은 네 단계(A+ B+ A- B-)로 구성된다.
아래 게시물 내용은 전체 동작을 단계로 나누어서 설명한다.
STEP 0. 전원을 ON을 한 상태
STEP 1. 실린더 A가 정지상태에서 전진완료까지.

STEP 0. S2가 접점이 붙음 (A의 전진완료로 인해)
STEP 2. 실린더 B가 정지에서 전진완료까지.

STEP 0. LS2가 접점이 붙음 (B의 전진완료로 인해)
STEP 3. 실린더 A가 전진완료에서 후진완료까지. (A-)

STEP 0. S1가 접점이 붙음 (A의 후진완료로 인해)
STEP 4. 실린더 B가 전진완료에서 후진완료까지. (B-)
기본제어 동작
1) 초기상태에서 PB1 스위치를 ON-OFF 하면 실린더 A가 전진하고 실린더 A가 전진 완료하면 실린더 B가 전진하고 실린더 B가 전진 완료하면 실린더 A가 후진하고 실린더 A가 후진 완료하면 실린더 B가 후진하고 실린더 B가 후진완료하면 동작을 멈추고 정지한다.

응용제어동작
1) 타이머를 사용하여 다음과 같이 동작되도록 한다.
① 실린더 A가 전진 완료 후 실린더 B가 전진하여 실린더 B가 전진 완료 후 3초 후에 실린더 A가 후진하고 실린더 A가 후진 완료 후 실린더 B가 후진 완료하고 정지한다. (A+ B+ T3s A- B-)

응용제어동작
2) 현재의 PB1 스위치 외에 연속시작 스위치와 정지 스위치 그리고 기타 부품을 사용하여 연속 사이클(반복 자동행정) 회로를 구성하여 다음과 같이 동작되도록 한다.
① 연속시작 스위치를 누르면 연속 사이클(반복 자동행정)로 계속 동작 한다.
② 정지 스위치를 누르면 연속 사이클(반복 자동행정)의 어떤 위치에서도 그 사이클이 완료된 후 정지하여야 한다.(연속, 정지 스위치는 주어진 어떤 형식의 스위치를 사용하여도 가능하다.)

응용제어동작
3) 실린더 A의 전진 속도는 5초가 되도록 배기공기 교축(meter-out)회로를 구성하여 조정하고, 실린더 B의 전진속도를 가능한 빠르게 하기 위하여 급속배기밸브를 사용한다.

5. 답 안
가) 기본 전기회로도

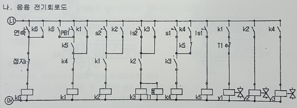
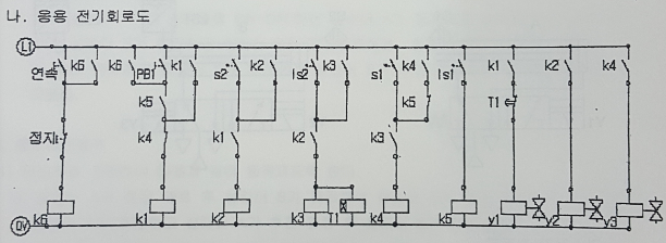
나) 응용 전기회로도

다) 응용 공압회로도

단속동작 (타이머 활용)
https://www.youtube.com/watch?v=uT3s-M6UKHw
연속동작 (타이머 활용+A전진속도 5초, B전진속도 빠르게)
https://www.youtube.com/watch?v=cpd6znAippg
'공유압 > 설비보전기사' 카테고리의 다른 글
| 전기공압 2 (설비보전기사) (1) | 2020.07.06 |
|---|---|
| 전기유압 1 (설비보전기사) (0) | 2020.06.13 |
| [기계설비유지관리자격증] 설비보전기사 관련 기사, 게시물 (0) | 2020.06.06 |
| 설비보전기사 기출문제 모음집 (동영상 필답형) 4-설비진단(소음) (0) | 2020.05.21 |
| 설비보전기사 기출문제 모음집 (동영상 필답형) 3-설비진단(진동) (0) | 2020.05.20 |