1. 요구사항
가. 주어진 유압 회로도와 전기 회로도에 의해 시스템을 구성하고, 다음과 같은 동작조건을 만족하여야 한다.
나. 전기 회로도 중 오류 부분에 대하여는 수검자가 정정한 후 작업하여야 하며, 릴레이 개수는 증감이 없어야 한다.
다. 작업이 완료된 상태에서 유압을 공급했을 때 유압유의 누설이 발생하지 않아야 한다.
라. 작업이 완료된 상태에서 전원을 투입했을 때 쇼트가 발생하지 않아야 한다.
마. 전기 배선은 전원의 극성에 따라 +24V는 적색, -0V는 청색(또는 흑색)의 리드선을 구별하여 사용한다.
바. 유압 공급압력은 4MPa가(오차 ±50KPa) 되도록 한다.
2. 기본제어 동작
1) 초기상태에서 시작 스위치(PB1)를 ON-OFF하면 실린더 A가 전진하고 실린더 A가 전진완료 LS2 리밋 스위치가 동작되면 실린더 A의 후진과 함께 유압모터 B가 동시에 회전하고 실린더 A가 후진완료 되면 유압모터 B도 정지되어야 한다.
3. 응용제어동작
1) 연속 선택 스위치(PB2)와 압력스위치(PS) 및 기타 부품을 추가하여 다음과 같이 동작되도록 한다.
① 연속 선택 스위치(PB2)를 한번 누르면 기본제어 동작이 연속(반복 자동행정)으로 동작 한다.
② 연속 선택 스위치(PB2)를 다시 누르면 모두 초기상태가 되어야 한다.
③ 실린더 A가 전진 완료 후 전진측 공급압력이 3 MPa(30kgf/㎠) 이상 되어야 실린더 A가 후진되고 유압모터 B가 회전하도록 압력스위치를 사용하여 회로를 구성한다.
2) 실린더 A의 후진속도가 7초가 되도록 meter-out회로를 구성하여 속도를 조정한다.
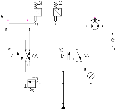
4. 도면
가) 유압 회로도


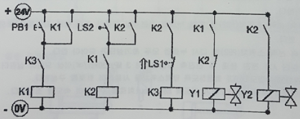
나) 전기 회로도 (오류도면)

5. 답 안
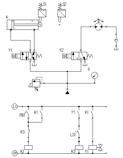
가) 기본 전기회로도
전원을 인가했을때는 LS1가 접점이 붙고 신호가 나온다.
LS1과 연결된 K3는 여자되지 않기 때문에(a접점이 있으므로) 첫번째 라인의 K3 a접점은 연결되지 않는다.
그렇게 때문에 PB1을 눌러도 반응을 하지 않는다.
K3 a접점을 b접점으로 변경해서 K3가 스타트시에는 필요치 않게 한다.
아마 마지막 회로를 끊는 역할을 할 것 같다.

문제 : 초기상태에서 시작 스위치(PB1)를 ON-OFF하면 실린더 A가 전진한다.
초기위치에 있는 LS1은 PB1을 누를때(동작 시작) 아니면 A-(동작 끝)에 관여를 할 것이다.
LS1이 동작시작에 관계가 되면
?? 표시 접점이 연결되었다고 보고 LS1이 접점이 붙어서 K3가 여자되면
K3 b접점이 떨어져 PB1을 누를 때 동작이 안된다.
LS1이 동작 끝에 관계가 있어야만 K3 b접점이 닫혀져서 PB1을 누를때 동작이 된다.

문제 : 실린더 A가 전진완료되어 LS2 리밋 스위치가 동작되면 실린더 A의 후진과 함께 유압모터 B가 동시에 회전
실린더 A가 전진하면 리밋스위치 LS2의 접점이 붙어 신호가 발생한다.
LS2의 접점 신호로 릴레이 K2가 여자된다.
K2 a접점 하나는 자기유지에 사용되고
K2 a접점 또 하나는 솔레노이드 Y2를 작동시킨다.
솔레노이드 Y2가 작동하면 모터가 회전한다.

실린더 A가 전진완료시 LS2의 접점이 붙어 신호가 발생하므로
LS2의 신호로 여자된 K2의 b접점으로 편솔인 Y1으로 가는 신호를 짤라주면 된다.

실린더

기본제어 동작
1) 초기상태에서 시작 스위치(PB1)를 ON-OFF하면 실린더 A가 전진하고 실린더 A가 전진완료 LS2 리밋 스위치가 동작되면 실린더 A의 후진과 함께 유압모터 B가 동시에 회전하고 실린더 A가 후진완료 되면 유압모터 B도 정지되어야 한다.

PH-Lab 프로그램 작업파일
응용제어동작 1)
① 연속 선택 스위치(PB2)를 한번 누르면 기본제어 동작이 연속(반복 자동행정)으로 동작 한다.
② 연속 선택 스위치(PB2)를 다시 누르면 모두 초기상태가 되어야 한다.
③ 실린더 A가 전진 완료 후 전진측 공급압력이 3 MPa(30kgf/㎠) 이상 되어야 실린더 A가 후진되고 유압모터 B가 회전하도록 압력스위치를 사용하여 회로를 구성한다.
*** 압력스위치를 일반 PUSH버튼으로 대체

PH-Lab 프로그램 작업파일
응용제어동작 2)
실린더 A의 후진속도가 7초가 되도록 meter-out회로를 구성하여 속도를 조정한다.

PH-Lab 프로그램 작업파일
5. 답안
가. 기본 전기회로도

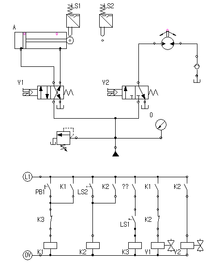
나) 응용 전기회로도

다) 응용 유압회로도

출처 : 한국기기유화시험연구원
'공유압 > 설비보전기사' 카테고리의 다른 글
| 전기유압 2 (설비보전기사) (0) | 2020.07.07 |
|---|---|
| 전기공압 2 (설비보전기사) (1) | 2020.07.06 |
| 전기공압 1 (설비보전기사) (5) | 2020.06.13 |
| [기계설비유지관리자격증] 설비보전기사 관련 기사, 게시물 (0) | 2020.06.06 |
| 설비보전기사 기출문제 모음집 (동영상 필답형) 4-설비진단(소음) (0) | 2020.05.21 |