1. 요구사항
가~마. ~~~ 생략 ~~~
바. 유압 공급압력은 4MPa가(오차 ±50KPa) 되도록 한다.
2. 기본제어 동작
1) 초기상태에서 시작 스위치(PB1)를 ON-OFF하면 실린더 A의 전진운동과 유압모터 B가 축방향에서 볼 때 시계방향으로 회전운동이 동시에 시작되고, 실린더 A가 전진완료 후 LS2 리밋 스위치가 동작하면 실린더 A의 후진운동과 유압모터 B의 반 시계방향으로 회전운동이 동시에 이루어진다. 이와 같이 연속동작이 되어야 한다.
PB1 -> A+ & B+ -> A- & B- (연속)
2) 정지 스위치(PB2)를 ON-OFF하면 연속동작을 멈추고 초기상태로 되어야 한다.
3. 응용제어동작
1) 기본회로에 타이머릴레이 및 기타 부품을 추가하여 다음과 같이 동작되도록 한다.
① 시작 스위치(PB1)를 ON-OFF하여 기본제어 동작을 실행시킨다.
② 타이머를 이용 20초 후에 실린더 A.는 후진완료하고 유압모터 B가 정지되도록 한다.
시뮬레이션에서는 5초로 적용(시간입력이 5초가 최대임)
2) 유압모터 B의 정지 시 발생되는 서지압력을 방지하기 위하여 압력릴리프밸브와 체크밸브를 설치하여 브레이크 회로를 구성한다.
① 설치된 릴리프밸브의 압력은 2 MPa(20kgf/㎠)로 설정하고, 압력계를 설치하여 확인한다. (단, 압력 릴리프 밸브의 설치는 밸브의 작업라인 A, B 중 1개소를 선택하여 부착한다)
4. 도면
가) 유압 회로도


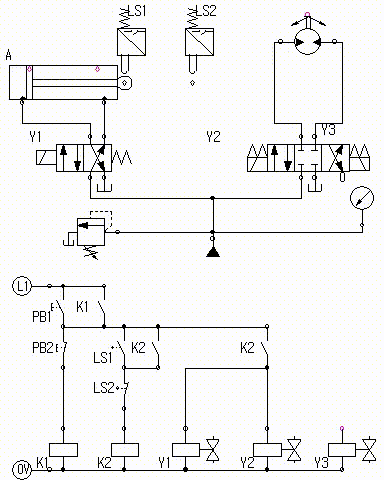
나) 전기 회로도 (오류도면)
PB1 -> A+ & B+ -> A- & B- (연속)


[해결하기]
기본제어 동작 :
1) 초기상태에서 시작 스위치(PB1)를 ON-OFF하면 실린더 A의 전진운동과 유압모터 B가 축방향에서 볼 때 시계방향으로 회전운동이 동시에 시작되고, 실린더 A가 전진완료 후 LS2 리밋 스위치가 동작하면 실린더 A의 후진운동과 유압모터 B의 반 시계방향으로 회전운동이 동시에 이루어진다. 이와 같이 연속동작이 되어야 한다.
PB1 -> A+ & B+ -> A- & B- (연속)
2) 정지 스위치(PB2)를 ON-OFF하면 연속동작을 멈추고 초기상태로 되어야 한다.
PB1을 누르면 릴레이K1이 여자되고 접점 K1에 의해 자기유지가 된다.
리밋스위치 LS1은 a접점이지만 초기상태에 붙어있기 때문에 접점이 붙어있다.
따라서 릴레이 K2가 여자되고 자기유지를 하게 된다.
K2 a접점이 붙어서 Y1솔과 Y2솔이 동시에 동작하게 된다.
아래는 Y3솔은 연결하지 않은 상태에서 테스트를 한다.


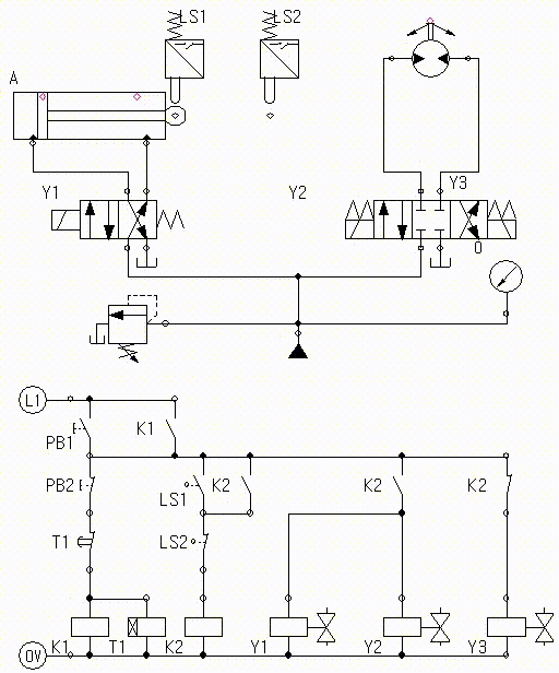
응용제어동작
1) 기본회로에 타이머릴레이 및 기타 부품을 추가하여 다음과 같이 동작되도록 한다.
① 시작 스위치(PB1)를 ON-OFF하여 기본제어 동작을 실행시킨다.
② 타이머를 이용 20초 후에 실린더 A.는 후진완료하고 유압모터 B가 정지되도록 한다.
시뮬레이션에서는 5초로 적용(시간입력이 5초가 최대임)

PH-Lap 작업파일
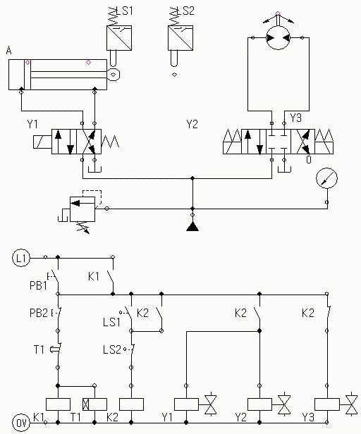
응용제어동작 :
2) 유압모터 B의 정지 시 발생되는 서지압력을 방지하기 위하여 압력릴리프밸브와 체크밸브를 설치하여 브레이크 회로를 구성한다.
① 설치된 릴리프밸브의 압력은 2 MPa(20kgf/㎠)로 설정하고, 압력계를 설치하여 확인한다. (단, 압력 릴리프 밸브의 설치는 밸브의 작업라인 A, B 중 1개소를 선택하여 부착한다)

PH-Lap 작업파일
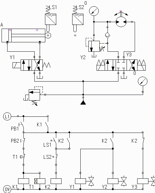
5. 답 안



'공유압 > 설비보전기사' 카테고리의 다른 글
| 전기유압 4 (설비보전기사) (0) | 2020.07.12 |
|---|---|
| 전기공압 4(설비보전기사) (3) | 2020.07.10 |
| 전기공압 3(설비보전기사) (0) | 2020.07.08 |
| 전기유압 2 (설비보전기사) (0) | 2020.07.07 |
| 전기공압 2 (설비보전기사) (1) | 2020.07.06 |