1. 요구사항
가~마. ~~~ 생략 ~~~
바. 유압 공급압력은 0.4MPa가(오차 +-50KPa) 되도록 한다.
2. 기본제어 동작
1) 초기상태에서 PB2를 해제(OFF)한 후 시작스위치(PB1)를 ON-OFF하면 실린더 A가 전진하고 실린더 A가 전진완료 후 유압모터 B가 회전한다. PB2를 ON하면 실린더 A가 후진하고 유압모터도 정지하면서 램프 1이 점등된다.
3. 응용제어동작
1) 비상정지 스위치 및 기타 부품을 추가하여 다음과 같이 동작되도록 한다.
① 기본제어동작 상태에서 비상정지 스위치(PB3)를 한 번 누르면(ON) 동작이 즉시 정지되어야 한다.
② 비상정지 스위치(PB3)를 해제하고 시작스위치(PB1)를 ON-OFF하면 기본제어 동작이 되어야 한다.
③ 비상정지 스위치가 동작 중일 때는 작업자가 알 수 있도록 램프 2가 점등되도록 회로를 구성한다.
2) 실린더 A의 전진속도와 유압모터 B의 회전속도를 meter-in 방법에 의해 조정할 수 있게 유압 회로도를 변경한다.
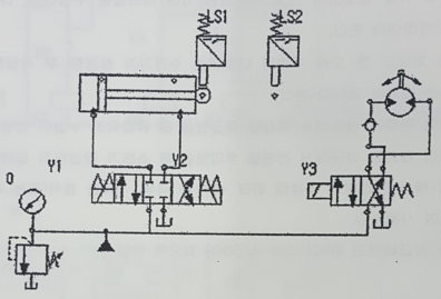
4. 도 면
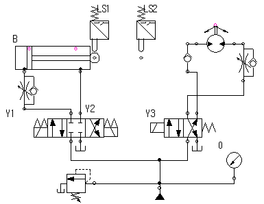
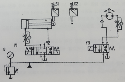
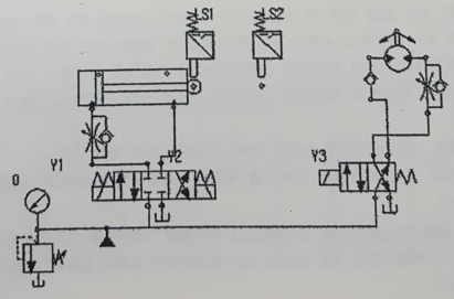
가. 유압 회로도

나. 전기 회로도

[ 해결하기 ]
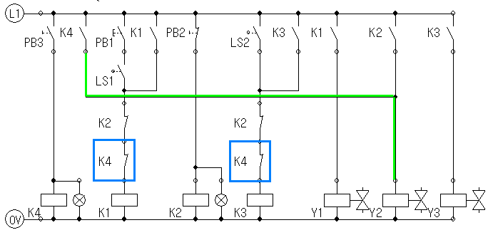
PB2가 OFF상태일때의 실린더A가 후진신호를 받고 있는 상태여야 한다.

PB1을 누르면 K1이 여자되어 Y1에 신호가 계속 가야 한다.
아래 그림을 보면 실린더A가 전진완료 후에 전진신호가 끊어져 있다.

첫 단계의 K3 b 접점을 K2 b접점으로 수정을 하고
PB2는 실린더의 전진과 모터의 회전을 끊어주는 역할을 한다.

PB1을 누르면 실린더A는 계속 전진 신호를 받고 있어야 한다.

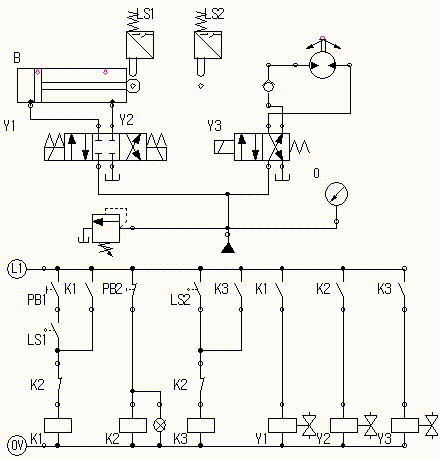
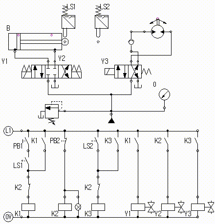
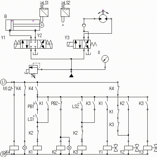
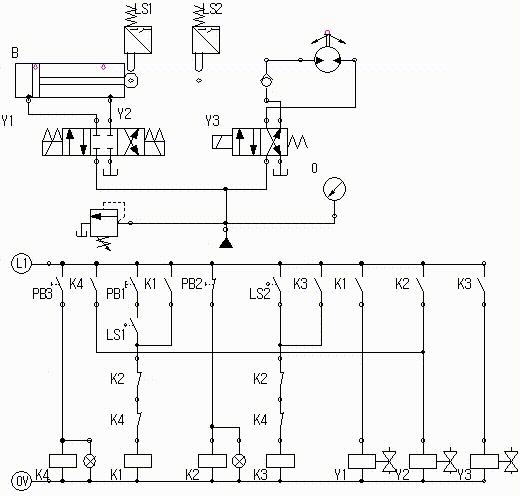
기본제어 동작
초기상태에서 PB2를 해제(OFF)한 후 시작스위치(PB1)를 ON-OFF하면 실린더 A가 전진하고 실린더 A가 전진완료 후 유압모터 B가 회전한다. PB2를 ON하면 실린더 A가 후진하고 유압모터도 정지하면서 램프 1이 점등된다.
첫번째 단계의 K3 b접점은 K2 b접점으로 변경해야 한다.

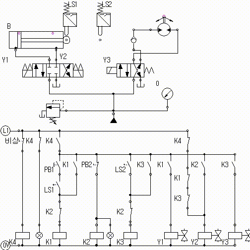
응용제어동작
1) 비상정지 스위치 및 기타 부품을 추가하여 다음과 같이 동작되도록 한다.
① 기본제어동작 상태에서 비상정지 스위치(PB3)를 한 번 누르면(ON) 동작이 즉시 정지되어야 한다.
② 비상정지 스위치(PB3)를 해제하고 시작스위치(PB1)를 ON-OFF하면 기본제어 동작이 되어야 한다.
③ 비상정지 스위치가 동작 중일 때는 작업자가 알 수 있도록 램프 2가 점등되도록 회로를 구성한다.

응용제어동작
실린더 A의 전진속도와 유압모터 B의 회전속도를 meter-in 방법에 의해 조정할 수 있게 유압 회로도를 변경한다.

내가 풀어본 답안

전기회로도를 분석해보면 모범답안과는 다른 방법을 택했다.
비상스위치(b접점)를 눌러 a접점으로 기존회로의 전원을 끊고 b접점으로 최종 동작을 구성하는 방식과는 다르게
비상스위치(a접점)를 누르면 b접점으로 전진이나 회전동작 의 라인만을 끊어주는 역할을 하고 a접점으로는 최종동작(실린더 후진)을 하게 했다.
다시말해 PB3(비상)을 누르면 릴레이 K4가 여자되어 K4 b접점으로 실린더 A의 전진과 모터의 회전을 끊어준다.
그리고 K4 a접점으로 실린더를 후진시킨다.

5.답 안
가. 기본 전기회로도

나. 응용 전기회로도

다. 응용 유압회로도

'공유압 > 설비보전기사' 카테고리의 다른 글
| 전기유압 8 (설비보전기사) (0) | 2020.07.20 |
|---|---|
| 전기공압 8 (설비보전기사) (1) | 2020.07.19 |
| 전기공압 7 (설비보전기사) (0) | 2020.07.17 |
| 전기유압 6 (설비보전기사) (0) | 2020.07.17 |
| 재미삼아 만든 설비보전동영상 낱말 퀴즈 (0) | 2020.07.16 |