1. 요구사항
가~마. 생략...
바. 서비스 유닛의 공급압력은 5MPa가(오차 +-50KPa) 되도록 한다.
2. 기본제어동작
1) 공압 구성작업에서 실린더 A는 유도형 센서나 용량형 센서 또는 전기 리드 센서를 이용하고 실린더 B는 전기 리밋 스위치를 사용하여 구성하여야 한다.
2) 실린더 B는 초기에 전진하여 있고 PB1 스위치를 ON-OFF하면 실린더 A가 전진한 다음 실린더 B가 후진하여 계량된 곡물을 아래로 내려 보낸 후 실린더 B가 전진을 하고, 실린더 A가 후진위치로 이동하여 곡물을 실린더 B로 내려 보낸 후 정지한다.
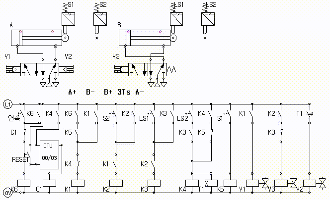
PB1 -> A+ B- B+ 3Ts A-
3. 응용제어동작
1) 타이머를 사용하여 다음과 같이 동작되도록 해야 한다.
① 실린더 A가 전진 완료 후 실린더 B가 후진한 후 전진하고, 실린더 B가 전진 완료 3초 후에 실린더 A가 후진 완료하고 정지한다.
A+ B- B+ 3Ts A-
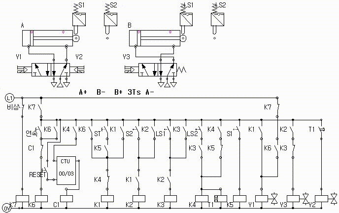
2) 현재의 PB1 스위치 외에 연속시작 스위치(PB2)와 카운터를 사용하여 연속 사이클(반복 자동행정) 회로(반드시 회로를 구성하고 잠금장치 스위치는 사용불가)를 구성하여 다음과 같이 동작되도록 한다.
① 연속 시작 스위치를 누르면 연속 사이클(반복 자동행정)로 계속 동작한다.
② 연속동작 중에 비상정지 스위치(PB3)를 누르면 실린더 A와 실린더 B 모두 전진하여 정지한다. (비상 스위치는 주어진 어떤 형식의 스위치를 사용하여도 가능하다)
③ 연속 사이클 횟수를 3회로 설정하고 그 사이클이 완료된 후 정지하여야 한다.
④ 카운터 리셋스위치(PB4)를 누르면 카운터는 0으로 리셋 되도록 한다.
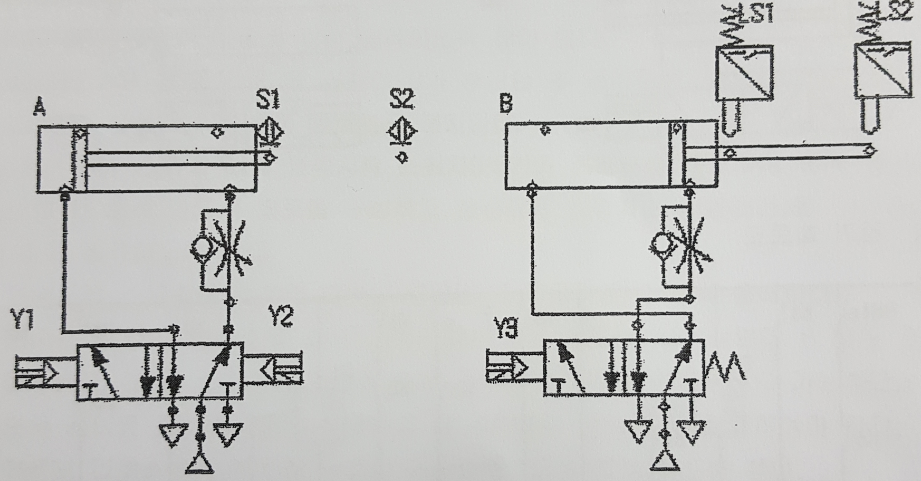
3) 실린더 A, B 전진속도를 조절하기 위한 meter-out 회로를 구성하고 조정한다.
4. 도 면
가. 위치도

나. 변위-단계선도

다. 공압 회로도

라. 전기 회로도

[ 해결 하기 ]
기본제어동작
1) 실린더 B는 초기에 전진하여 있고 PB1 스위치를 ON-OFF하면 실린더 A가 전진한 다음 실린더 B가 후진하여 계량된 곡물을 아래로 내려 보낸 후 실린더 B가 전진을 하고, 실린더 A가 후진위치로 이동하여 곡물을 실린더 B로 내려 보낸 후 정지한다.
PB1 -> A+ B- B+ A-

응용제어동작
1) 타이머를 사용하여 다음과 같이 동작되도록 해야 한다.
① 실린더 A가 전진 완료 후 실린더 B가 후진한 후 전진하고, 실린더 B가 전진 완료 3초 후에 실린더 A가 후진 완료하고 정지한다.
PB1 -> A+ B- B+ 3Ts A-

응용제어동작
현재의 PB1 스위치 외에 연속시작 스위치(PB2)와 카운터를 사용하여 연속 사이클(반복 자동행정) 회로(반드시 회로를 구성하고 잠금장치 스위치는 사용불가)를 구성하여 다음과 같이 동작되도록 한다.
① 연속 시작 스위치를 누르면 연속 사이클(반복 자동행정)로 계속 동작한다.
② 번은 아래쪽에 따로 구현함
③ 연속 사이클 횟수를 3회로 설정하고 그 사이클이 완료된 후 정지하여야 한다.
④ 카운터 리셋스위치(PB4)를 누르면 카운터는 0으로 리셋 되도록 한다.

응용제어동작
② 연속동작 중에 비상정지 스위치(PB3)를 누르면 실린더 A와 실린더 B 모두 전진하여 정지한다. (비상 스위치는 주어진 어떤 형식의 스위치를 사용하여도 가능하다)

응용제어동작
3) 실린더 A, B 전진속도를 조절하기 위한 meter-out 회로를 구성하고 조정한다.

5. 답 안
가. 기본 전기회로도

나. 응용 전기회로도

다. 응용 공압회로도

'공유압 > 설비보전기사' 카테고리의 다른 글
| 설비보전기사 정리 중(설비보전기사(동영상).pdf) (0) | 2020.07.27 |
|---|---|
| 전기유압 13 (설비보전기사) (0) | 2020.07.23 |
| 전기유압 12 (설비보전기사) (0) | 2020.07.23 |
| 전기공압 12 (설비보전기사) (5) | 2020.07.22 |
| 전기유압 11 (설비보전기사) (0) | 2020.07.22 |