1. 요구사항
가. 주어진 유압 회로도와 전기 회로도에 의해 시스템을 구성하고, 다음과
가. 주어진 유압 회로도와 전기 회로도에 의해 시스템을 구성하고, 다음과 같은 동작조건을 만족하여야 한다.
나. 전기 회로도 중 오류 부분에 대하여는 수검자가 정정한 후 작업하여야 하며, 릴레이 개수는 증감이 없어야 한다.
다. 작업이 완료된 상태에서 유압을 공급했을 때 유압유의 누설이 발생하지 않아야 한다.
라. 작업이 완료된 상태에서 전원을 투입했을 때 쇼트가 발생하지 않아야 한다.
마. 전기 배선은 전원의 극성에 따라 +24V는 적색, -0V는 청색(또는 흑색)의 리드선을 구별하여 사용한다.
바. 유압 공급압력은 0.4MPa가(오차 +-50KPa) 되도록 한다.
2. 기본제어 동작
1) 초기상태에서 시작 스위치(PB1)를 ON-OFF하면 실린더 A가 전진하고 실린더 A가 전진완료 후 실린더 B가 전진하고 실린더 B가 전진 완료 후 실린더 A가 후진하고 실린더 A가 후진완료 후 실린더 B가 후진완료되며 정지되어야 한다.
3. 응용제어동작
1) 연속 선택 스위치(PB2)와 카운터 릴레이 및 기타 부품을 추가하여 다음과 같이 동작되도록 하여야 한다.
① 연속 선택 스위치(PB2)를 한 번 누르면 기본제어 동작이 연속(반복 자동행정)으로 3회 동작되도록 하여야 한다.
② 연속 선택 스위치(PB2)를 다시 누르면 모두 초기상태가 되어야 한다.
2) 실린더 A가 전진할 때 전진 측에 압력제어밸브를 설치, 안전회로를 구성하고 압력은 3MPa(30kgf/cm2)로 설정 회로를 구성한다.
3) 실린더 B의 후진속도가 5초가 되도록 meter-out회로를 구성하여 속도를 조정한다.
4. 도 면
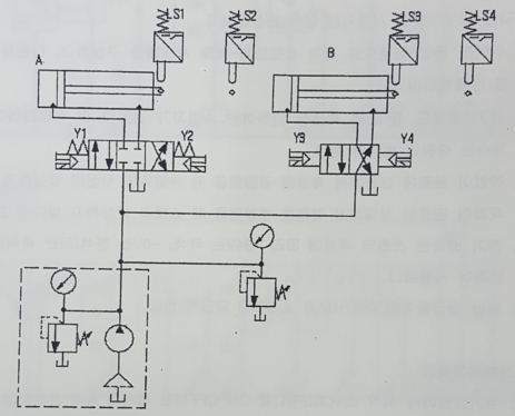
가. 유압 회로도

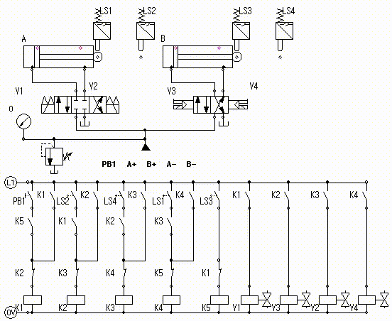
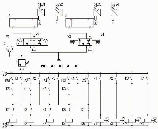
나. 전기 회로도

릴레이 5개 : 4개는 실린더 전후진 동작에관여하고 마지막 하나는 회로의 초기화에 쓰인다.
a접점과 b접점으로 구성된 스테퍼 회로도 : 아래 회로도의 붉은색, 푸른색 화살표와 같이 구성하고 솔레노이드 밸브에는 b접점이 필요 없다.

기본제어 동작
1) 초기상태에서 시작 스위치(PB1)를 ON-OFF하면 실린더 A가 전진하고 실린더 A가 전진완료 후 실린더 B가 전진하고 실린더 B가 전진 완료 후 실린더 A가 후진하고 실린더 A가 후진완료 후 실린더 B가 후진완료되며 정지되어야 한다.

응용제어동작
1) 연속 선택 스위치(PB2)와 카운터 릴레이 및 기타 부품을 추가하여 다음과 같이 동작되도록 하여야 한다.
① 연속 선택 스위치(PB2)를 한 번 누르면 기본제어 동작이 연속(반복 자동행정)으로 3회 동작되도록 하여야 한다.
② 연속 선택 스위치(PB2)를 다시 누르면 모두 초기상태가 되어야 한다.
응용제어동작
2) 실린더 A가 전진할 때 전진 측에 압력제어밸브를 설치, 안전회로를 구성하고 압력은 3MPa(30kgf/cm2)로 설정 회로를 구성한다.
응용제어동작
3) 실린더 B의 후진속도가 5초가 되도록 meter-out회로를 구성하여 속도를 조정한다.
5. 답 안
가. 기본 전기회로도

나. 응용 전기회로도

다. 응용 유압회로도

'공유압 > 설비보전기사' 카테고리의 다른 글
| 설비보전기사 실기 동영상 - 제2절 소음 + 제3절 진동 (0) | 2020.07.30 |
|---|---|
| 설비보전기사 정리 중(설비보전기사(동영상).pdf) (0) | 2020.07.27 |
| 전기공압 13 (설비보전기사) (4) | 2020.07.23 |
| 전기유압 12 (설비보전기사) (0) | 2020.07.23 |
| 전기공압 12 (설비보전기사) (5) | 2020.07.22 |