반응형
===== 작업중 =====
과제명 : 부울 대수 및 논리회로 실험
실험 방법
1 회로도와 같이 조립한다.
2. 디지털 입력전압에 따른 출력전압을 측정한다.
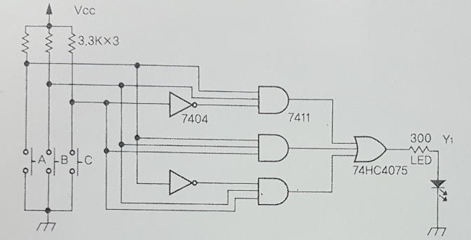
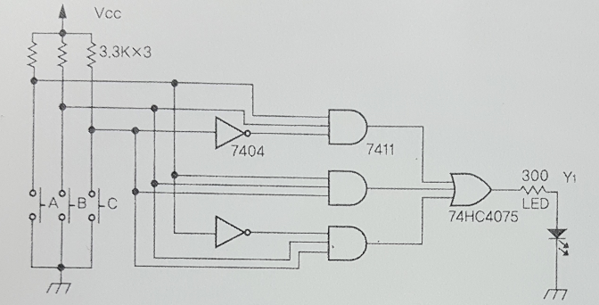
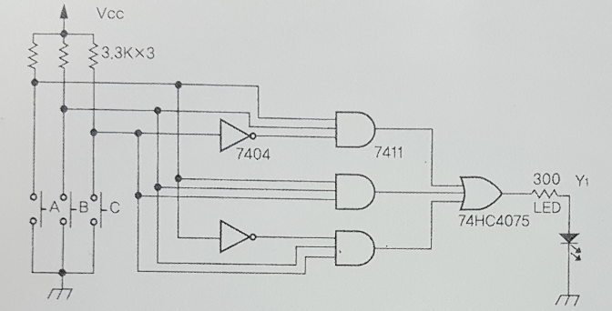
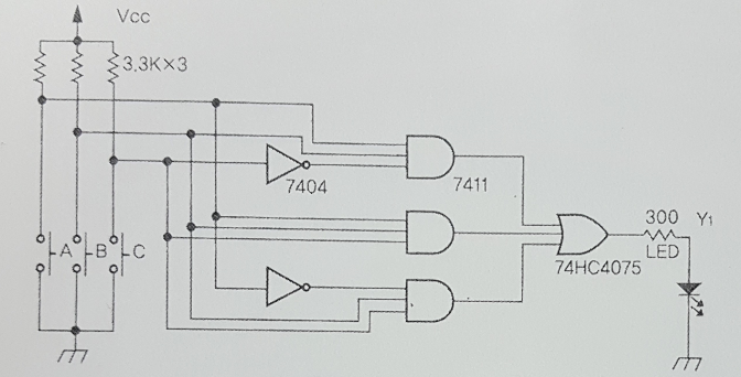
회로도


'전기 & 전자 > 디지털 회로' 카테고리의 다른 글
| 디지털 회로 수업 - 반감산기회로 실험 (0) | 2020.07.23 |
|---|---|
| 디지털 회로 수업_9일차 (200616) (0) | 2020.06.16 |
| 디지털 회로 수업_7일차 (200603) (0) | 2020.06.03 |
| 디지털 회로 수업_6일차 (200527) (0) | 2020.05.27 |
| 디지털 회로 수업_5일차 (200520) (0) | 2020.05.20 |