과제명 : Exclusive-OR 회로 실험
실험방법
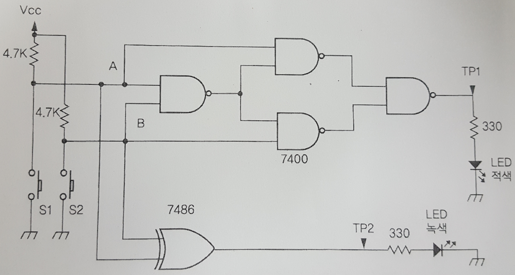
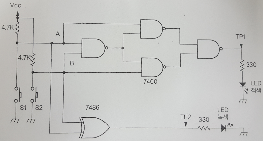
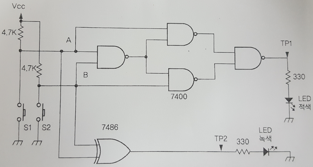
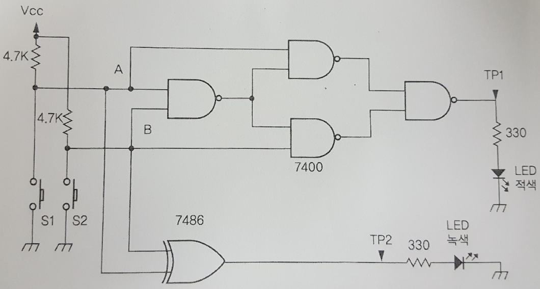
1. 회로도와 같이 조립한다.
2. 디지털 입력전압에 따른 출력전압을 측정한다.



저항 330오옴을 지나면 1.2~1.5V 전압강하가 생긴다.
LOW-LOW

LOW-HIGH

HIGH-LOW

HIGH-HIGH

실험결과
| 입력전압 | 중간출력 | 출력전압 | LED 점등 | 논리판정 | |||||
| A | B | C | D | E | TP1 | TP2 | 적색 | 녹색 | |
| L | L | 4.91 | 4.91 | 4.91 | 0 | 0.12 | OFF | OFF | L |
| L | H | 4.91 | 4.90 | 0 | 4.65 | 3.26 | ON | ON | H |
| H | L | 4.91 | 0 | 4.91 | 4.65 | 3.26 | ON | ON | H |
| H | H | 0 | 4.91 | 4.91 | 0 | 0.15 | OFF | OFF | L |
위의 회로와 아래의 회로는 별개의 회로이다. 연관이 없다.
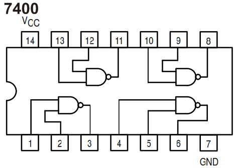
위의 회로는 IC 7400의 AND회로로 구성한 EX-OR회로이고
아래는 소자 하나(IC7486의 단자 하나)로 EX-OR가 되는 것이다.
7486LS를 꼭 사용해야 한다.
IC 7404는 NOT회로이다
동작영상
https://www.youtube.com/watch?v=Bd8ZByzrCT8
기판에 부품배치를 어떻게 해야 좋을까?
마음속에 부품을 배치하는 것이 필요한다.
IC는 일반적으로 가로로 배치한다.
가로로2개 세로로 2개를 하느냐에 따라 배선이 달라진다
IC의 내부 블록도를 보고 판단해야 한다.
출력이 어디로 입력이 되는지 판단해야 한다.
지금은 두개의 IC가 서로 독립적으로 작동하고 있다.
IC는 기본적으로 센터에 잡는다. 그래야 배치가
(시험에는 회로가 균형있게 배치되어 있을 것)
부품배치, 납땜한 것을 보면 실력을 알 수 있다.
저항, LED 끼리 묶어 놓아도 좋다.
출력되는 부품끼리 묶어 노하도 좋다.
덜 복잡하게 구성하는 것이 좋다.
전자기기 기능사 시험에는
회로도를 보고
프로그램(전자캐드)으로 작업하는 경우는
배치도가 정해져 있다.
진성반도체 99.99 + 불순물 섞어 반도체를 만든다.
아래는 반도체인데 깨져있다 ㅠㅠ

'전기 & 전자 > 디지털 회로' 카테고리의 다른 글
| 디지털 회로 수업_9일차 (200616) (0) | 2020.06.16 |
|---|---|
| 디지털 회로 수업_8일차 (200610) (0) | 2020.06.10 |
| 디지털 회로 수업_6일차 (200527) (0) | 2020.05.27 |
| 디지털 회로 수업_5일차 (200520) (0) | 2020.05.20 |
| 브레드보드 시뮬레이터와 전자회로 프로그램 (0) | 2019.12.30 |