반응형

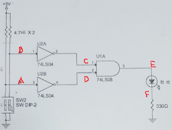
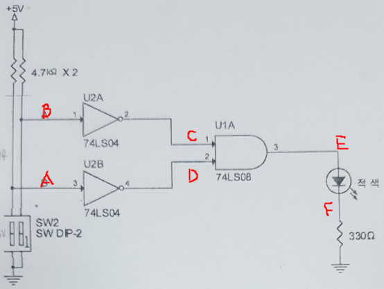
NOR 게이트 회로





| A | B | C | D | E | F | LED 점등 | 논리판정 |
| L | L | 4.99 | 4.99 | 4.77 | 2.7 | ON | H |
| L | H | 0 | 4.99 | 0 | 0 | OFF | L |
| H | L | 5 | 0 | 0 | 0 | OFF | L |
| H | H | 0 | 0 | 0 | 0 | OFF | L |
'전기 & 전자 > 디지털 회로' 카테고리의 다른 글
| 디지털 회로 수업_9일차 (200616) (0) | 2020.06.16 |
|---|---|
| 디지털 회로 수업_8일차 (200610) (0) | 2020.06.10 |
| 디지털 회로 수업_7일차 (200603) (0) | 2020.06.03 |
| 디지털 회로 수업_5일차 (200520) (0) | 2020.05.20 |
| 브레드보드 시뮬레이터와 전자회로 프로그램 (0) | 2019.12.30 |